Запчасти Doosan Daewoo ENGINE & TRANSMISSION BODY PARTS

70
23
60
20
71
57
45
25
24
28
31
16
55
21
32
45
29
32
17
30
32
15
17
26
18
56
45
37
52
40
7
54
45
62
39
38
57
45
45
58
47
45
8
55
22
57
64
13
56
74
73
45
44
53
49
36
68
44
45
48
35
6
46
74
54
45
52
40
42
44
43
41
52
45
2
5
11
4
8
63
13
3
65
73
12
53
13
73
66
59
53
14
45
19
10
52
1
10
12
13
73
53
FIT
1:1
100%

Артикул

Название

Примечание

Количество

-

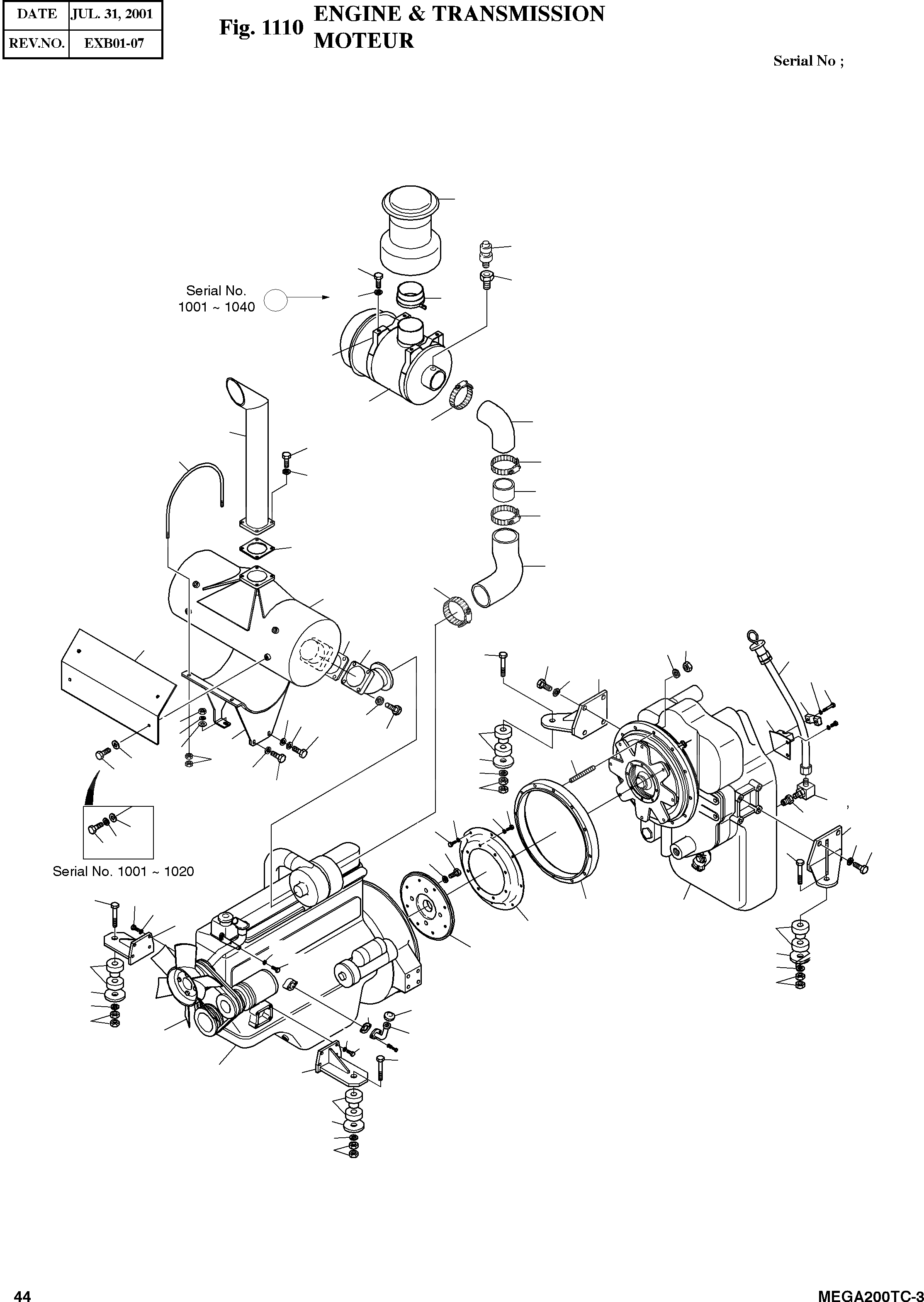
4201-1083

ENGINE & TRANSMISSION

SC: D

-2шт.

1

4201-9074

ENGINE-DB58T

desc: MOTEUR

1шт.

2

4210-9012

TRANSMISSION

desc: MOTEUR

1шт.

3

4114-4119A

FLANGE;ADAPTER

desc: BRIDE

1шт.

4

4114-4120

PLATE;ADAPTER

desc: PLAQUE

1шт.

5

4115-1046

ADAPTER;RING

desc: ADAPTEUR

1шт.

6

4197-2056

BRACKET(R.H.)

desc: SUPPORT

1шт.

7

4197-2057

BRACKET(L.H.)

desc: SUPPORT

1шт.

8

4161-9067

RUBBER;MOUNT ENGINE

desc: CAOUTCHOUC

4шт.

10

4197-2058A

BRACKET(R.H.)

desc: SUPPORT

1шт.

11

4197-2059B

BRACKET(L.H.)

desc: SUPPORT

1шт.

12

2161-9066

RUBBER;FRONT

desc: CAOUTCHOUC

4шт.

13

2114-1929

WASHER

desc: RONDELLE PLATE

4шт.

14

4920-9403

FAN

desc: VENTILATEUR

1шт.

15

4203-1696A

MUFFLER

desc: SILENCIEUX

1шт.

16

4183-4795C

PIPE;TAIL

SERIAL: 1001-1020

1шт.

16

4183-4795E

PIPE;TAIL

SERIAL: 1021

1шт.

17

4180-4011A

GASKET

desc: JOINT

2шт.

18

4182-1708B

PIPE;EXHAUST

desc: CONDUITE

1шт.

19

4183-3610

PIPE;ENGINE OIL

desc: CONDUITE

1шт.

20

2181-2690

ADAPTER;FILTER

desc: ADAPTEUR

1шт.

21

4120-2175A

U-BOLT

desc: BOULON A U

2шт.

22

4197-2052C

BRACKET;MUFFLER

desc: SUPPORT

1шт.

23

2170-9005

INDICATOR

desc: INDICATEUR

1шт.

24

2204-2008A

AIR CLEANER

desc: FILTRE A AIR

1шт.

24A

2474-6006B

ELEMENT;OUTER

desc: . ELEMENT

1шт.

24B

2474-9038

ELEMENT;INNER

desc: . ELEMENT

1шт.

25

4124-1662

CLAMP;BAND

desc: COLLIER

2шт.

26

4412-1083

PLATE;INSULATION

desc: PLAQUE

1шт.

28

4185-1721

HOSE

desc: TUYAU FLEXIBLE

1шт.

29

2182-1513

PIPE

desc: TUYAU

1шт.

30

4185-1722A

HOSE

SERIAL: 1001-1043

1шт.

30

4185-1722B

HOSE

SERIAL: 1044

1шт.

31

2124-1024D16

CLAMP

desc: COLLIER

1шт.

32

2124-1024D14

CLAMP

desc: COLLIER

3шт.

35

4181-4279A

ADAPTER

desc: RACCORD ADAPTATEUR

1шт.

36

2181-1702D1

ELBOW

desc: COUDE

1шт.

37

4182-1712

PIPE;DIPSTICK

desc: CONDUITE

1шт.

38

4124-1648

CLAMP;PIPE

desc: COLLIER

1шт.

39

4124-1649

CLAMP;PIPE

desc: COLLIER

1шт.

40

4120-4015

BOLT

desc: BOULON A 6 PANS

8шт.

41

S0758253

BOLT M10X1.25X35

desc: BOULON A 6 PANS

9шт.

42

S0565051

BOLT M16X2X40

desc: BOULON A 6 PANS

4шт.

43

S5102901

WASHER;SPRING M16

desc: RONDELLE ELASTIQUE

4шт.

44

S0511753

BOLT M10X1.5X18

desc: BOULON A 6 PANS

12шт.

45

S5102603

WASHER;SPRING M10

SERIAL: 1001-1020

49шт.

45

S5102603

WASHER;SPRING M10

SERIAL: 1021-1040

45шт.

45

S5102603

WASHER;SPRING M10

SERIAL: 1041

41шт.

46

4120-4055

BOLT

desc: BOULON A 6 PANS

8шт.

47

S0711963

BOLT M10X1.25X22

desc: BOULON A 6 PANS

1шт.

48

4114-1701

WASHER;SPRING

desc: RONDELLE ELASTIQUE

8шт.

49

S0758153

BOLT M10X1.25X30

desc: BOULON A 6 PANS

1шт.

52

S0571561

BOLT M20X2.5X140

desc: BOULON A 6 PANS

2шт.

53

S4013133

NUT M20X2.5

desc: ECROU

8шт.

54

S5103101

WASHER;SPRING M20

desc: RONDELLE ELASTIQUE

8шт.

55

S0512253

BOLT M10X1.5X30

desc: BOULON A 6 PANS

8шт.

56

S4012633

NUT M10X1.5

desc: ECROU

19шт.

57

S5010613

WASHER;PLAIN M10

SERIAL: 1001-1040

11шт.

57

S5010613

WASHER;PLAIN M10

SERIAL: 1041

15шт.

58

S4032633

NUT M10X1.25

desc: ECROU

2шт.

59

4180-9159

GASKET

desc: JOINT

2шт.

60

S0511853

BOLT M10X1.5X20

desc: BOULON A 6 PANS

4шт.

62

S0558253

BOLT M10X1.5X35

desc: BOULON A 6 PANS

2шт.

63

2114-1058D61

WASHER M14

desc: RONDELLE

2шт.

64

S2562851

STUD M10X1.5X60

desc: BOULON A 6 PANS CREUX

12шт.

65

S0718253

BOLT M14X1.5X30

desc: BOULON A 6 PANS

1шт.

66

4181-9089A

PLUG

desc: BOUCHON

1шт.

68

S8000241

O-RING PF3/4

desc: JOINT TORIQUE

1шт.

70

2204-9037

PRE-CLEANER

desc: PRE-CLEANER

1шт.

71

4182-1569A

PIPE;PRE-CLEANER

desc: CONDUITE

1шт.

73

4114-4116

WASHER;HARD M20X2.5

desc: RONDELLE

4шт.

74

2114-1058D1

WASHER

desc: RONDELLE

4шт.

Выбрано товаров: 72