Качественные детали и логистика
Оригинальные и аналоговые запчасти с доставкой по России, Казахстану и Беларуси
©2022 PartSell ООО "Система" ИНН 2463123282 ОГРН 1212400004838
Центральный офис: г. Красноярск, Академика Киренского, д.87, пом.4
Телефон: 8 (800) 777-65-74 Email: zakaz@partsell.ru
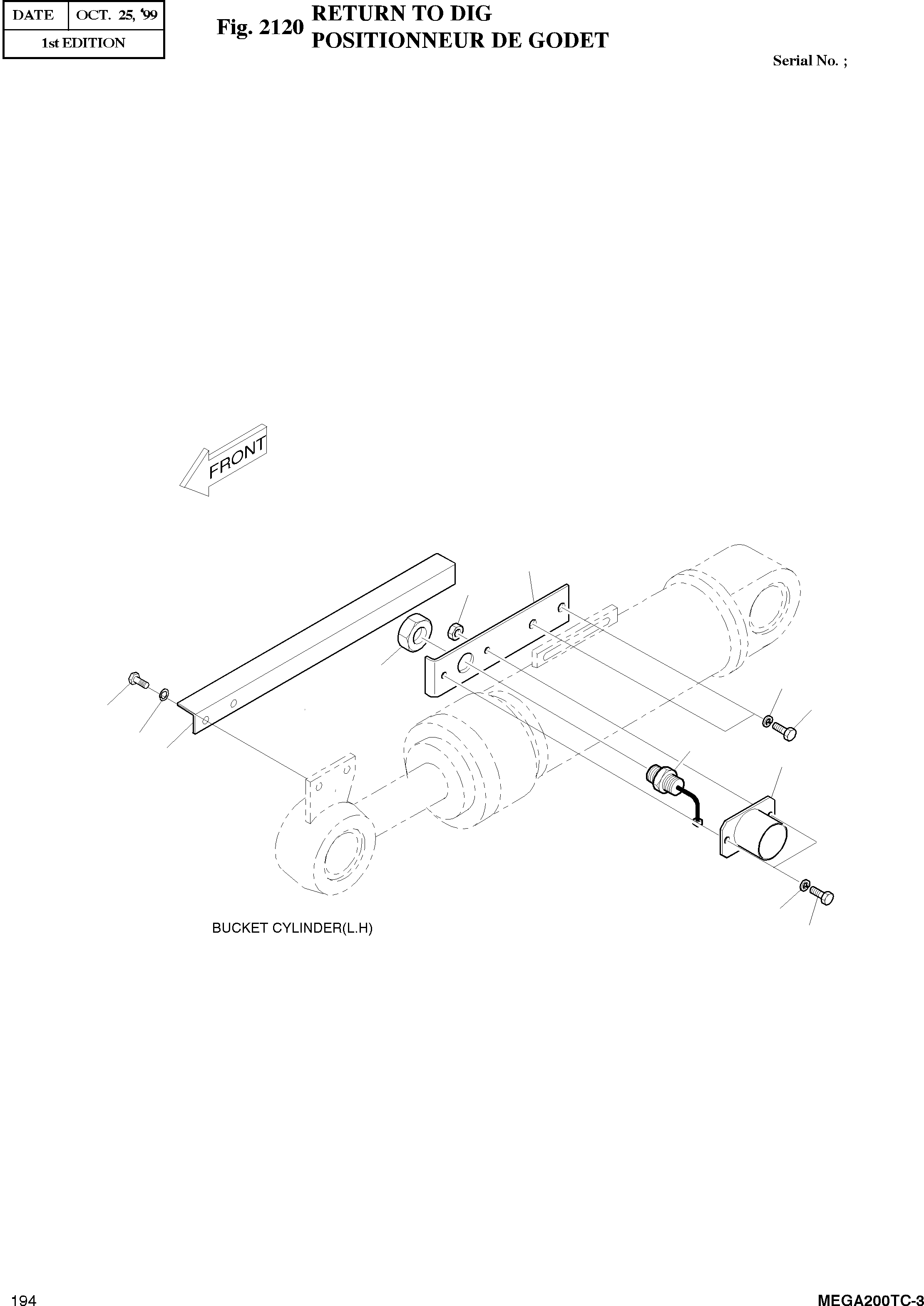
RETURN TO DIG
№
Артикул
Название
Примечание
Количество
-
715-00001
SC: D
-2шт.
2
621-00165A
ANGLE
desc: PLAQUE
1шт.
3
4197-2329
BRACKET
desc: SUPPORT
4
S0511853
BOLT M10X1.5X20
desc: BOULON A 6 PANS
2шт.
5
S5102603
WASHER;SPRING M10
desc: RONDELLE ELASTIQUE M10
6
S5102703
WASHER;SPRING M12
desc: RONDELLE ELASTIQUE M12
8
S0515253
BOLT M12X1.75X30
9
4549-1148
SWITCH;PROXIMITY
desc: INTERRUPTEUR
10
4159-4008
COVER
desc: COUVERCLE
11
S0508953
BOLT M8X1.25X22
12
S5102503
WASHER;SPRING M8
desc: RONDELLE ELASTIQUE M8
13
S4012533
NUT M8X1.25
desc: ECROU
Выбрано товаров: 0