Качественные детали и логистика
Оригинальные и аналоговые запчасти с доставкой по России, Казахстану и Беларуси
©2022 PartSell ООО "Система" ИНН 2463123282 ОГРН 1212400004838
Центральный офис: г. Красноярск, Академика Киренского, д.87, пом.4
Телефон: 8 (800) 777-65-74 Email: zakaz@partsell.ru
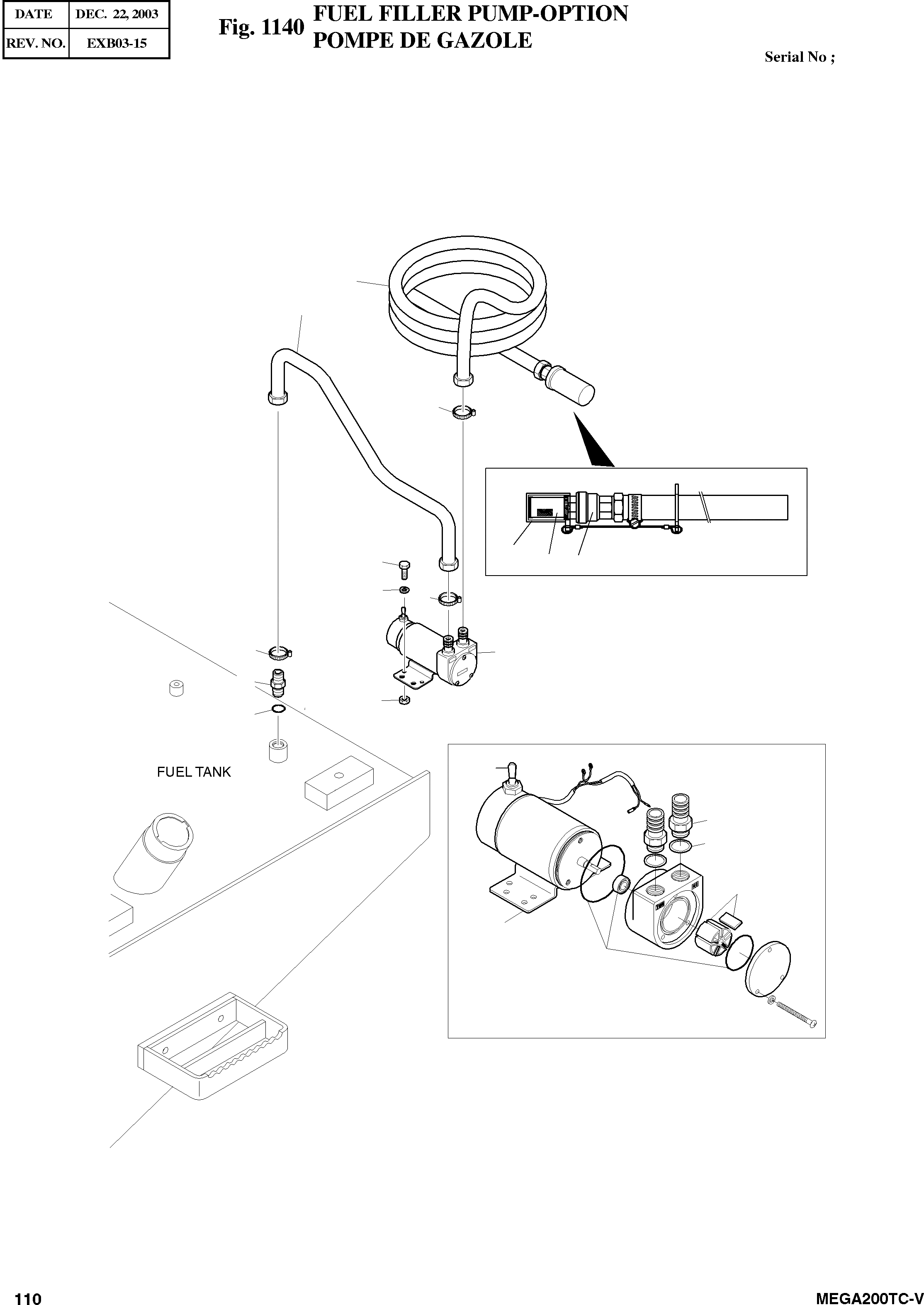
FUEL FILLER PUMP-OPTION
№
Артикул
Название
Примечание
Количество
-
401-00283
FUEL PUMP ASS'Y (OPT.)
SC: D
-2шт.
1
2401-1277A
PUMP;FUEL TRANS
desc: POMPE A GAZOLE
1шт.
1A
2181-2755B
ADAPTER
desc: . ADAPTEUR
2шт.
1B
S8180321
WASHER;SEAL
desc: . BAGUE D'ETANCHEITE
1C
523-00002
MOTOR
desc: . MOTEUR
1D
407-00001
VANE KIT
desc: . KIT DE VANE
1E
2401-1276KT
SEAL KIT
desc: . KIT D'ETANCHEITE
1F
2549-9096
SWITCH;TOGGLE
desc: . INTERRUPTEUR
2
2181-2104D6
ADAPTER PF1/2
desc: ADAPTEUR
3
S8000181
O-RING
desc: JONT TORIQUE
4
185-00195D12
HOSE 800L
desc: TUYAU FLEXIBLE
5
185-00167D4
HOSE ASS'Y 2000L
5A
2420-1258
VALVE;CHECK
desc: . CARTOUCHE DE VANNE
5B
2471-1152
STRAINER
desc: . FILTRE
5C
2160-1336
CAP;STRAINER
desc: . BOUCHON
6
S8450016
CLAMP;HOSE
desc: COLLIER
3шт.
7
S0504653
BOLT M6X1.25X16
desc: BOULON A 6PANS
4шт.
8
S5102303
WASHER;SPRING M6
desc: RONDELLE ELASTIQUE
9
S4012333
NUT M6
desc: ECROU
Выбрано товаров: 0