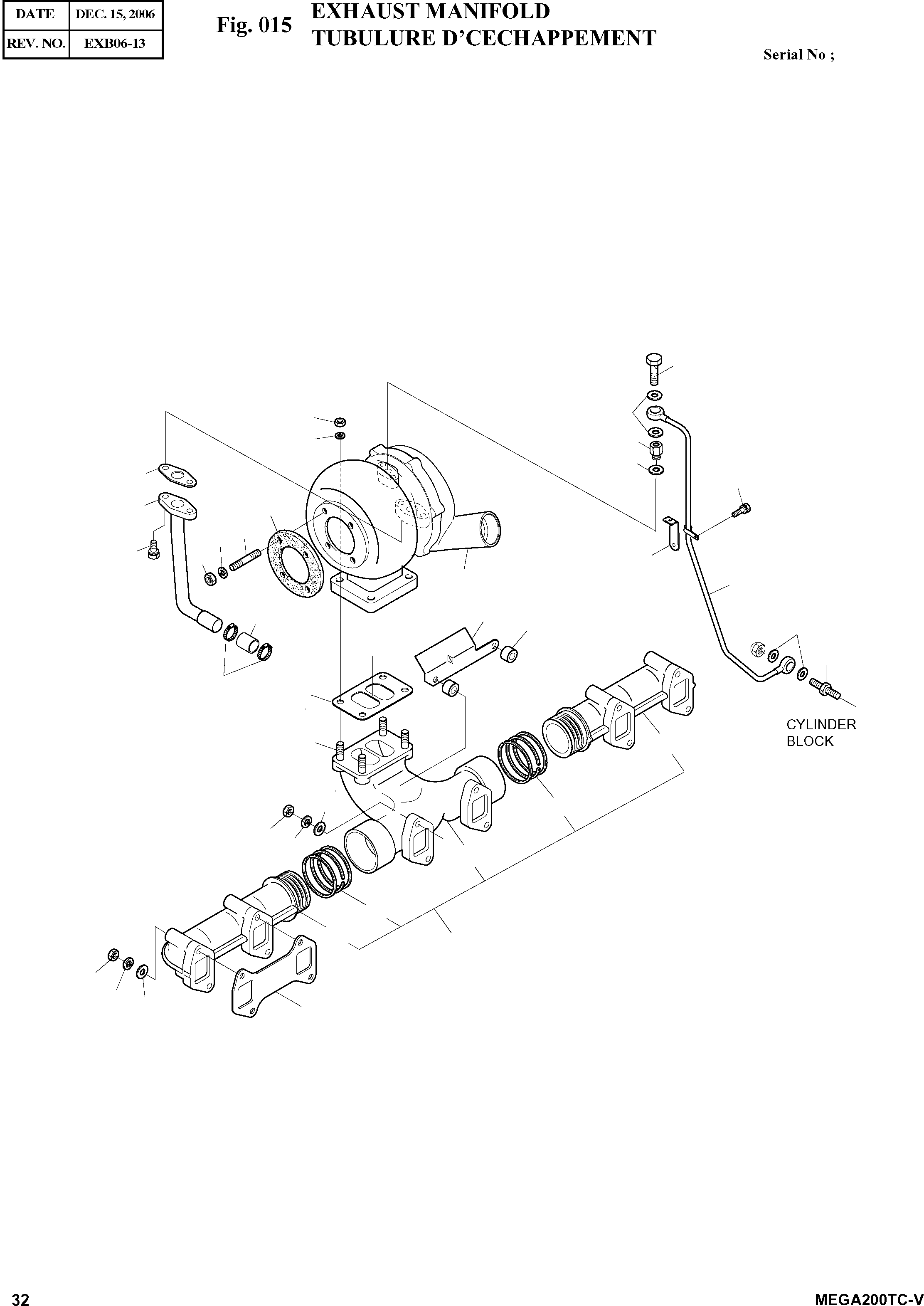
Запчасти Doosan Daewoo EXHAUST MANIFOLD ENGINE PARTS

313
314
306
307
310
311
319
317
318
325
302
304
320
303
316
301
312
111
328
321
110
327
326
322
305
308
103
108
105
109
107
104
105
102
101
109
107
108
106
FIT
1:1
100%

Артикул

Название

Примечание

Количество

101

65.08100-6063

MANIFOLD;EXHAUST

SERIAL: 061215

1шт.

101

65.08100-6063A

MANIFOLD;EXHAUST

SERIAL: 061216

1шт.

102

65.08101-0164

MANIFOLD;EXHAUST(R.H)

desc: . COLLECTEUR ECHAPPEMENT

1шт.

103

65.08101-0038

MANIFOLD;EXHAUST(L.H)

desc: . COLLECTEUR ECHAPPEMENT

1шт.

104

65.08101-0536

MANIFOLD;EXHAUST(M)

desc: . COLLECTEUR ECHAPPEMENT

1шт.

105

65.96507-0013

RING;SEAL

SERIAL: 061215

6шт.

105

65.96507-0059

RING;SEAL

SERIAL: 061216

6шт.

106

65.08901-0001

GASKET;EX.MANIFOLD

SERIAL: 060425

3шт.

106

65.08901-0001A

GASKET;EX.MANIFOLD

SERIAL: 060426

3шт.

107

06.16731-2107

WASHER;SPRING

desc: RONDELLE ELASTIQUE

12шт.

108

06.15010-2311

WASHER;PLAIN

desc: RONDELLE

12шт.

109

06.11063-8214

NUT;HEX M8

desc: ECROU 6 PANS

12шт.

110

65.91701-0208

SPACER

desc: BAGUE D'ECARTEMENT

2шт.

111

65.08120-0020

SCREEN;HEAT

desc: ECRAN THERMIQUE

1шт.

301

65.09100-7197

TURBO CHARGER ASS'Y

SERIAL: 020729

1шт.

301

65.09100-7197A

TURBO CHARGER ASS'Y

SERIAL: 020730

1шт.

302

06.06225-0708

BOLT;STUD M8X30

SERIAL: 040916

4шт.

302

65.90201-0096

BOLT;STUD M8X30

SERIAL: 040917

4шт.

303

06.11063-8214

NUT

desc: ECROU

4шт.

304

06.16731-2107

WASHER;SPRING

desc: RONDELLE ELASTIQUE

4шт.

305

65.09901-0019

GASKET

desc: JOINT

1шт.

306

06.11024-9202

NUT

desc: ECROU

4шт.

307

06.16731-2108

WASHER;SPRING

desc: RONDELLE

4шт.

308

06.06175-8208

BOLT;STUD M10X1.5X30

desc: RONDELLE

4шт.

310

65.98130-0200

ADAPTER

SERIAL: 020729

1шт.

310

65.98130-0200A

ADAPTER

SERIAL: 020730

1шт.

311

06.56190-0709

RING;SEAL

desc: BAGUE D'ETANCHEITE

1шт.

312

65.05701-5952A

OIL PIPE ASS'Y

desc: CONDUITE

1шт.

313

06.78144-2403

SCREW;HOLLOW

desc: VIS CREUSE

1шт.

314

06.56190-0704

RING;SEAL

desc: BAGUE D'ETANCHEITE

2шт.

316

65.97480-0135

HOLDER

desc: POSSESSEUR

1шт.

317

06.01913-3110

BOLT ASS'Y

desc: BOULON A 6 PANS

1шт.

318

65.05701-5953

PIPE;OIL

desc: CONDUITE

1шт.

319

65.96601-0045A

GASKET

SERIAL: 060630

1шт.

319

65.96601-0067

GASKET

SERIAL: 060631

1шт.

320

06.01913-3115

BOLT ASS'Y

desc: BOULON A 6 PANS

2шт.

321

65.96301-0191

HOSE;RUBBER

desc: TUYAU FLEXIBLE

1шт.

322

06.67020-0106

CLAMP;HOSE

desc: COLLIER

2шт.

325

65.09901-0020

GASKET

desc: JOINT

1шт.

326

65.98155-0011

UNION;HOLLOW

desc: GRAISSEUR

1шт.

327

06.56180-0714

RING;SEAL

desc: BAGUE D'ETANCHEITE

2шт.

328

06.12172-9314

NUT;CAP

desc: CHAPEAU DE ECROU

1шт.

Выбрано товаров: 42