Запчасти Doosan Daewoo LOAD ISOLATION SYS.(LIS)-OPT.(TOSHIBA) BODY PARTS

20
18
16
8
17
16
15
6
18
7
23
17
25
9
16
1
15
1
19
16
13
16
19
21
13
5
14
14
31
16
15
16
3
15
11
10
12
30
29
FIT
1:1
100%

Артикул

Название

Примечание

Количество

-

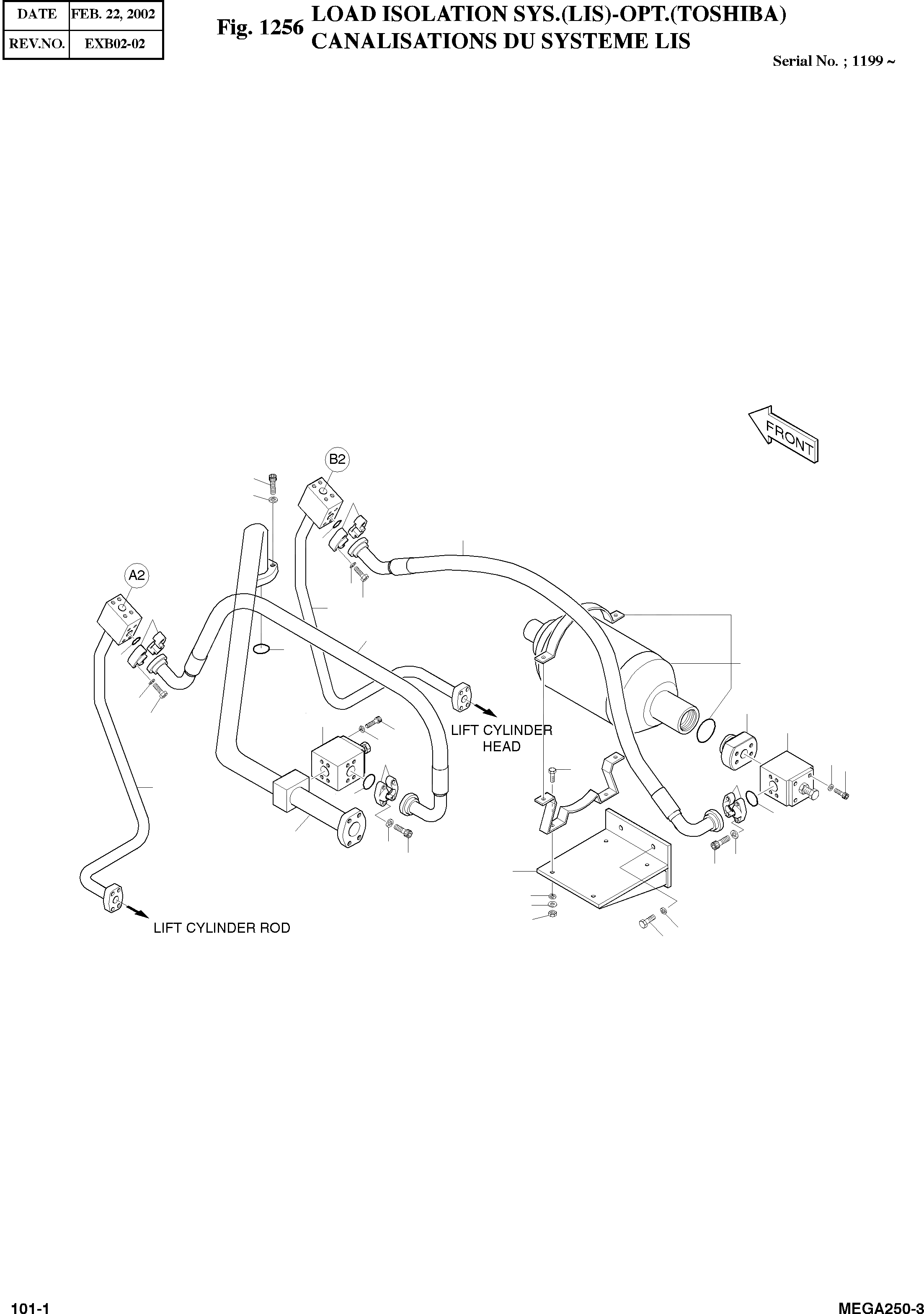
4400-1827F2

LIS PIPING(OPT)

SERIAL: 1199

1

4420-9446BP

SOLENOID VALVE

SERIAL: 1199-1305

2шт.

1

4420-9446C

SOLENOID VALVE

SERIAL: 1306

2шт.

3

4195-4873

SUPPORT

desc: SUPPORT

1шт.

5

4182-1620A

PIPE;UP

desc: CONDUITE

1шт.

6

4182-1621A

PIPE;DOWN

desc: CONDUITE

1шт.

7

2184-1124D99

HOSE 1150L

desc: TUYAU FLEXIBLE

1шт.

8

2184-1094D49

HOSE 1200L

desc: TUYAU FLEXIBLE

1шт.

9

4181-2689

ADAPTER ACC. M50X1.5

desc: RACCORD ADAPTATEUR

1шт.

10

S5010513

WASHER;PLAIN

desc: RONDELLE M8

4шт.

11

S5102503

WASHER;SPRING

desc: RONDELLE ELASTIQUE M8

4шт.

12

S4012533

NUT M8X1.25

desc: ECROU

4шт.

13

2181-9078

FLANGE;HALF SAE1"

desc: FLASQUE EN DEUX PARTIES

4шт.

14

2180-1026D19

O-RING

desc: JOINT TORIQUE

4шт.

15

S2212261

BOLT;SOCKET M10X1.5X30

desc: BOULON A 6 PANS CREUX

24шт.

16

S5110601

WASHER;SPRING

desc: RONDELLE ELASTIQUE M20

28шт.

17

2180-1026D2

O-RING

desc: JOINT TORIQUE

4шт.

18

2181-9079

FLANGE;HALF SAE0.75"

desc: FLASQUE EN DEUX PARTIES

4шт.

19

S2214261

BOLT;SOCKET M10X1.5X130

desc: BOULON 6 PANS CREUX

8шт.

20

S2212461

BOLT;SOCKET M10X1.5X40

desc: BOULON A 6 PANS CREUX

4шт.

21

S0509053

BOLT M8X1.25X25

desc: BOULON A 6 PANS

4шт.

23

2180-1026D3

O-RING

desc: JOINT TORIQUE

1шт.

25

4460-9038

ACCUMULATOR KIT

desc: RESERVOIR

1шт.

29

S0515153

BOLT M12X1.75X28

desc: BOULON A 6 PANS

4шт.

30

S5102703

WASHER;SPRING

desc: RONDELLE ELASTIQUE M12

4шт.

31

193-00022

PIPE;OPTION

desc: CONDUITE

1шт.

Выбрано товаров: 26