Качественные детали и логистика
Оригинальные и аналоговые запчасти с доставкой по России, Казахстану и Беларуси
©2022 PartSell ООО "Система" ИНН 2463123282 ОГРН 1212400004838
Центральный офис: г. Красноярск, Академика Киренского, д.87, пом.4
Телефон: 8 (800) 777-65-74 Email: zakaz@partsell.ru
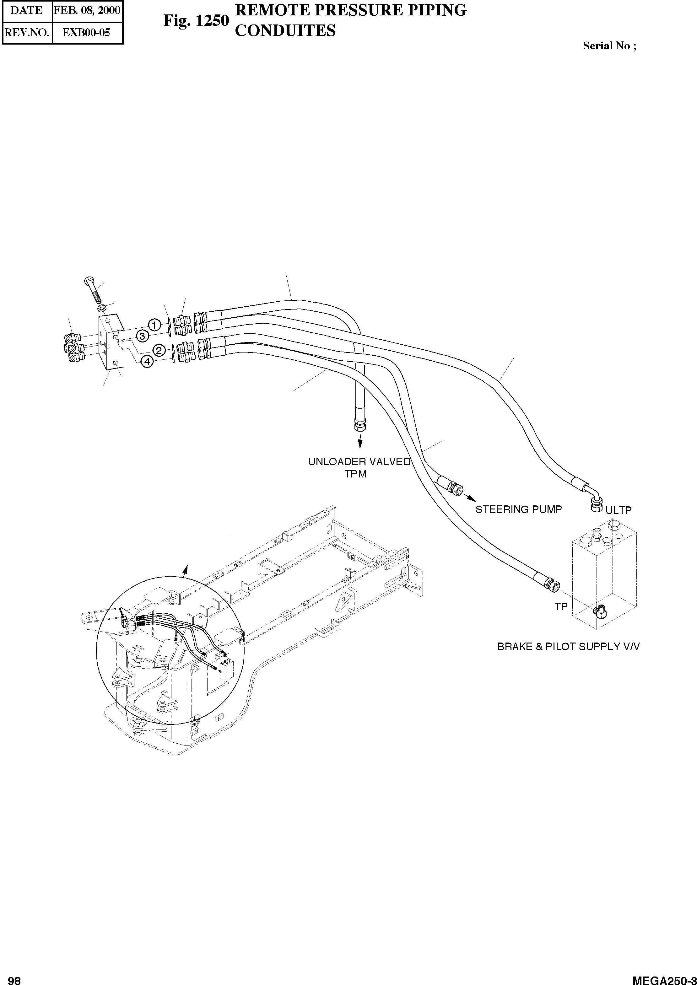
REMOTE PRESSSURE PIPING
№
Артикул
Название
Примечание
Количество
-
4400-1810
REMOTE PRESSURED CHECK PIPING
SC: D
1
4423-1451
BLOCK
desc: BLOC
1шт.
2
S0559153
BOLT M10X1.5X80
desc: BOULON A 6 PANS
2шт.
3
S5102603
WASHER;SPRING M10
desc: RONDELLE ELASTIQUE M10
4
2184-1026D263
HOSE (ST-ST) PF1/4-600L
desc: TUYAU FLEXIBLE
5
2120-9008
SCREW;COUPLING
SERIAL: 1001-1253
4шт.
120-00002
SERIAL: 1254
6
2184-1036D59
HOSE (ST-90)PF1/4-1200L
7
2184-1026D3
HOSE ST-ST-1300L
8
2181-1126D14
ADAPTER PFO1/4-PF1/4
desc: RACCORD ADAPTATEUR
9
2184-1026D139
HOSE (ST-ST)PF1/4-900L
10
S8000111
O-RING PF1/4
desc: JOINT TORIQUE
Выбрано товаров: 0