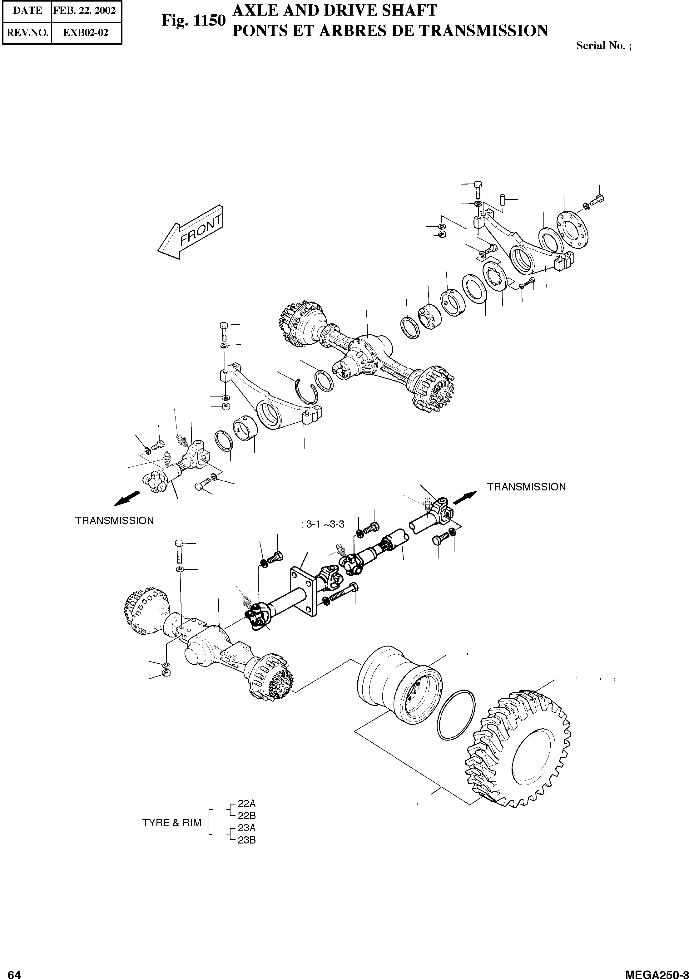
Запчасти Doosan Daewoo AXLE AND DRIVE SHAFT BODY PARTS

28
27
19
12
30
17
9
17
28
18
27
11
10
13
7
26
2
31
8
9
19
17
13
14
17
5-3
5-1
18
5-2
3-1
21
32
6
15
13
4-3
3-3
4-1
32
3-2
23B
21
21
5
32
3
22B
22A
23A
4-2
21
32
16
32
21
4
17
1
29
27
17
90
91
18
22
23
22
23
FIT
1:1
100%

Артикул

Название

Примечание

Количество

-

4211-1009F1

AXLE & SHAFT ASS'Y

SERIAL: 1001-1285

-

211-00018

AXLE & SHAFT ASS'Y

SERIAL: 1286

1

4211-9041

AXLE;FRONT

desc: AXE

1шт.

2

4211-9042

AXLE;REAR

desc: AXE

1шт.

3

4260-9025

PROP SHAFT;FRONT

desc: ARBRE

1шт.

3-1

700-UCF311

CENTER BEARING

desc: . PALIER

1шт.

3-2

100-6C

JOURNAL BEARING

desc: . PALIER

1шт.

3-3

102-PT41

NIPPLE

desc: . GRAISSEUR

1шт.

4

4260-9026

PROP SHAFT;CENTER

desc: ARBRE

1шт.

4-1

100-6C

JOURNAL BEARING

REP_PNO: D180477

1шт.

4-2

101-PT81

NIPPLE

desc: . GRAISSEUR

1шт.

4-3

102-PT41

NIPPLE

desc: . GRAISSEUR

2шт.

5

4260-9027

PROP SHAFT;REAR

desc: ARBRE

1шт.

5-1

100-6C

JOURNAL BEARING

desc: . PALIER

1шт.

5-2

101-PT81

NIPPLE

desc: . GRAISSEUR

1шт.

5-3

102-PT41

NIPPLE

desc: . GRAISSEUR

2шт.

6

4197-1485

PIVOT BEARING;FRONT

desc: PALIER

1шт.

7

4197-1484

PIVOT BEARING;REAR

desc: PALIER

1шт.

8

4222-1012A

DISC

SERIAL: 1001-1151

1шт.

8

4222-1021

DISC

SERIAL: 1152-1285

1шт.

8

4222-1021A

DISC

SERIAL: 1286

1шт.

9

4114-1815

WASHER;THRUST

desc: RONDELLE

2шт.

10

4112-1235A

SHAFT;PIVOT

desc: ARBRE

1шт.

11

4110-1325

BUSHING

desc: COUSSINET

1шт.

12

4621-3580

COVER

desc: COUVERCLE

1шт.

13

4180-9185

SEAL;OIL D160XD190

desc: JOINT

3шт.

14

4115-1042

RING;RETAINING

desc: BAGUE

1шт.

15

4110-1326

BUSHING

desc: COUSSINET

1шт.

16

4120-2158

BOLT M24X2.0X230

desc: BOULON A 6 PANS

8шт.

17

4114-4079

WAHSER;HARDENED

desc: RONDELLE

32шт.

18

S4033333

NUT M24X2.0

desc: ECROU

16шт.

19

S0776061

BOLT M24X2.0X140

desc: BOULON A 6 PANS

8шт.

21

4120-4016

BOLT UNF3/8

desc: BOULON A 6 PANS

20шт.

22

4276-1048

WHEEL ASS'Y(L.H)20.5X25X16PR L3

desc: VOLANT

2шт.

22A

4278-9032

RIM 17.0X25

desc: . JANTE

1шт.

22B

4276-9040

TYRE 20.5X25X16PR L3

desc: . PNEU

1шт.

23

4276-1049

WHEEL ASS'Y(R.H)20.5X25X16PR L3

desc: VOLANT

2шт.

23A

4278-9032

RIM 17.0X25

desc: . JANTE

1шт.

23B

4276-9040

TYRE 20.5X25X16PR L3

desc: . PNEU

1шт.

26

S0564161

BOLT M14X1.5X110

SERIAL: 1001-1015

8шт.

26

S0764161

BOLT M14X1.5X110

SERIAL: 1016

8шт.

27

S5102901

WASHER;SPRING

desc: RONDELLE ELASTIQUE M16

28шт.

28

S0565261

BOLT M6X1.5X50

desc: BOULON A 6 PANS

16шт.

29

S0521561

BOLT M16X2.0X45

desc: BOULON A 6 PANS

4шт.

30

4123-2288

PIN;PARALLEL D30X80

SERIAL: 1001-1015

2шт.

30

4123-2275

PIN;PARALLEL D30X86

SERIAL: 1016-1165

2шт.

30

4123-2275A

PIN;PARALLEL D30X51

SERIAL: 1166

2шт.

31

S5102801

WASHER;SPRING

desc: RONDELLE ELASTIQUE M14

8шт.

32

4114-1701

WASHER;SPRING

desc: RONDELLE ELASTIQUE

20шт.

90

4276-9057

TIRE(20.5-R25-VMT(L3) FOR U.S.A

desc: PNEU

4шт.

91

4276-9052

TIRE(20.5-R25-XHA(L3) FOR U.S.A

desc: PNEU

4шт.

Выбрано товаров: 0