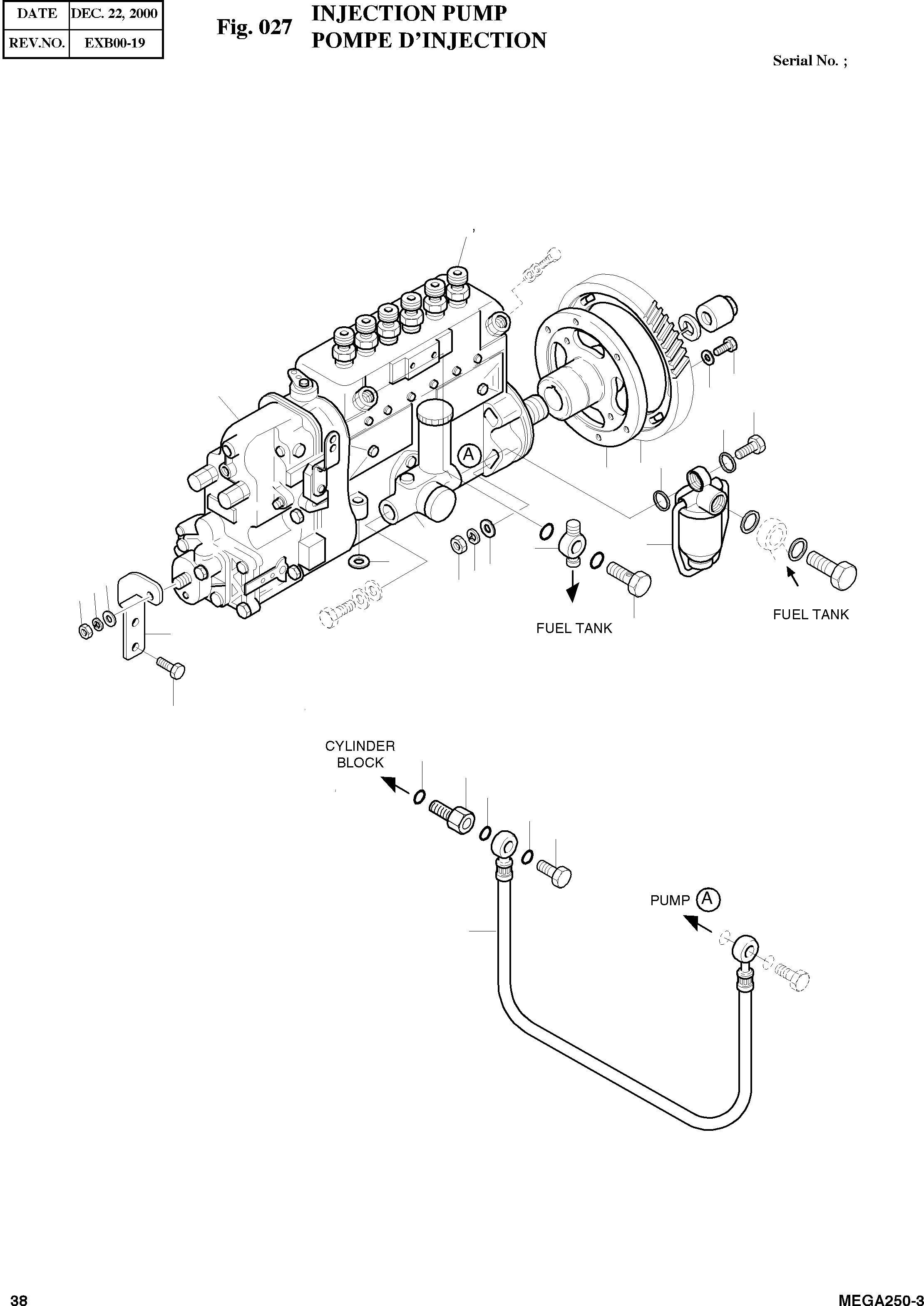
Запчасти Doosan Daewoo INJECTION PUMP ENGINE PARTS

1B
1C
1
1A
17
8
6
13
10
7
6
8
9
21
19
21
18
21
20
12
13
3
4
4
14
15
5
2
1D
FIT
1:1
100%

Артикул

Название

Примечание

Количество

1

65.11101-7299

PUMP;INJECTION

desc: POMPE D'INJECTEUR

1шт.

1A

65.12101-7026

PUMP;FEED

desc: . POMPE D'INJECTEUR

1шт.

1B

65.11125-0009S

PLUNGER

desc: . POMPE D'INJECTEUR

1шт.

1C

131110-8820

VALVE; DELIVERY

desc: . POMPE D'INJECTEUR

1шт.

1D

131424-1520

VALVE; OVERFLOW

desc: . POMPE D'INJECTEUR

1шт.

2

65.12501-7019

FUEL STRAINER ASS'Y

desc: ENSEMBLE FILTRE A GAZOLE

1шт.

3

06.78140-2404

SCREW;HOLLOW M14X1.5

desc: VIS CREUSE M14x1.5

1шт.

4

06.56190-0706

RING;SEAL A14X20

desc: BAGUE D'ETANCHEITE

2шт.

5

65.98101-0008

DOUBLE BANJO UNION ASS'Y

desc: ENSEMBLE RACCORD BANJO DOUBLE

1шт.

6

06.15010-2312

WASHER 10.5

desc: RONDELLE

5шт.

7

06.01913-3212

BOLT;HEX. M10X18

desc: BOULON A 6 PANS

2шт.

8

06.16731-2108

WASHER;SPRING A10

desc: RONDELLE

5шт.

9

06.11063-9215

NUT;HEX. M10X1.25

desc: ECROU

1шт.

10

65.11401-0041

BRACKET;F.I.P

SERIAL: 971213

1шт.

10

65.11401-0034

BRACKET;F.I.P

SERIAL: 971214

1шт.

12

06.01913-3116

BOLT;HEX. M8X28

desc: BOULON A 6 PANS

6шт.

13

65.90710-0015

WASHER;PLAIN

desc: RONDELLE

6шт.

14

65.11301-0063

GEAR;DRIVE

desc: ENGRENAGE

1шт.

15

65.11106-0008

COUPLING I/P

desc: COUPLMENT

1шт.

17

06.11063-8215

NUT;HEX. M10

desc: ECROU 6 PANS M10

4шт.

18

65.05701-5329

HOSE;OIL

desc: TUYAU D'HUILE

1шт.

19

65.98130-0029

ADAPTER

desc: RACCORD ADAPTATEUR

1шт.

20

65.98150-0028

SCREW;HOLLOW

desc: VIS CREUSE

1шт.

21

06.56180-0714

RING;SEAL

desc: BAGUE D'ETANCHEITE

3шт.

Выбрано товаров: 24