Качественные детали и логистика
Оригинальные и аналоговые запчасти с доставкой по России, Казахстану и Беларуси
©2022 PartSell ООО "Система" ИНН 2463123282 ОГРН 1212400004838
Центральный офис: г. Красноярск, Академика Киренского, д.87, пом.4
Телефон: 8 (800) 777-65-74 Email: zakaz@partsell.ru
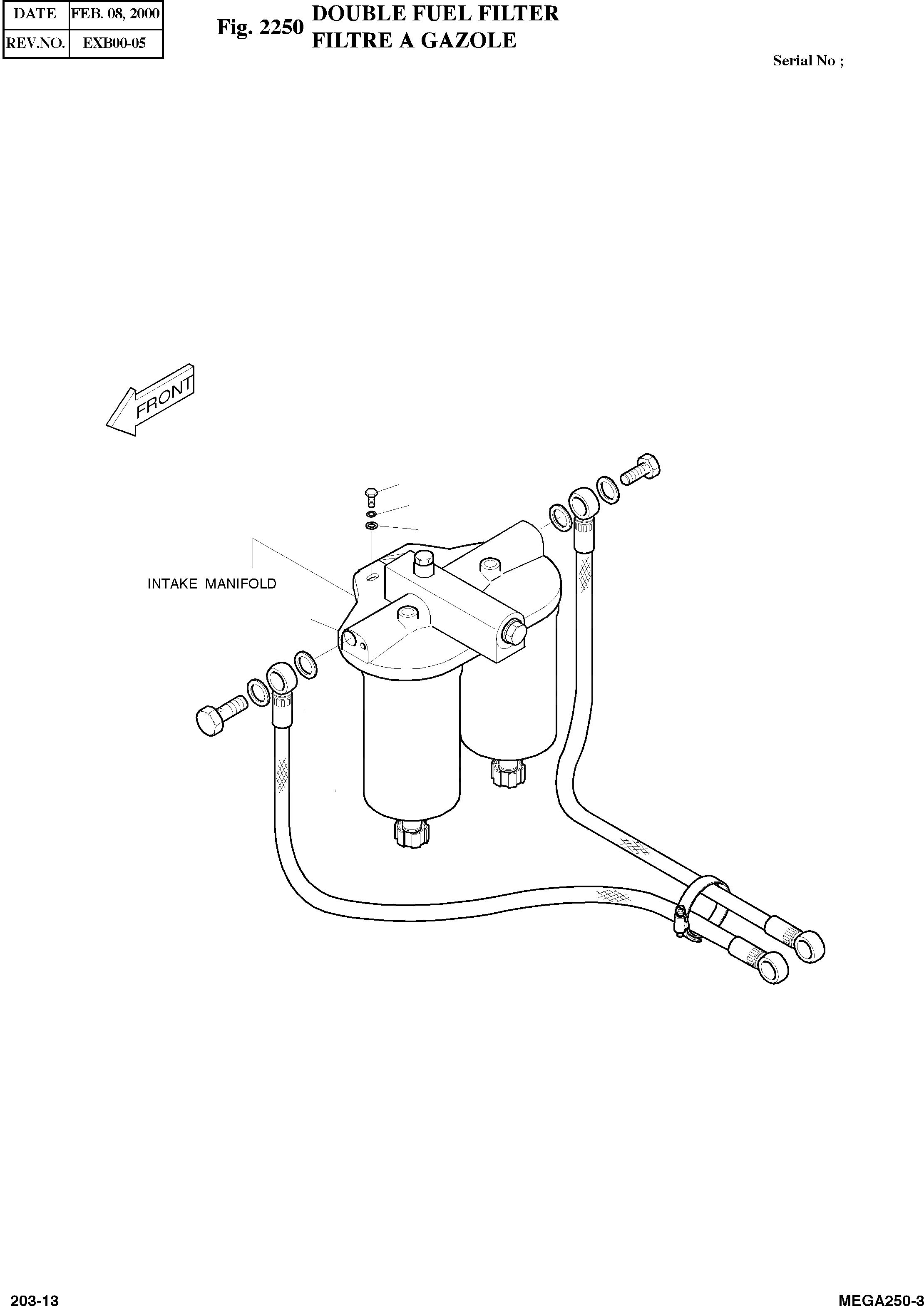
DOUBLE FUEL FILTER
№
Артикул
Название
Примечание
Количество
-
471-00018
DOUBLE FUEL FILTER ASS'Y
SC: D
1
471-00017
FUEL FILTER ASS'Y
desc: FILTRE A GAZOLE
1шт.
2
S0515353
BOLT M12X1.75X35
desc: BOULON A 6 PANS
2шт.
3
S5102703
WASHER;SPRING
desc: RONDELLE ELASTIQUE M12
4
S5010713
WASHER;PLAIN
desc: RONDELLE
Выбрано товаров: 0