Запчасти Doosan Daewoo CONTROL VALVE PIPING - 2SPOOL BODY PARTS

44
43
51
11
22
20
40
9
16
17
24
37
20
22
8
34
45
31
31
47
45
33
31
47
33
24
33
17
42
7
28
34
42
31
54
15
24
17
22
17
29
24
20
40
29
1
52
33
22
26
37
20
25
2
22
20
21
27
33
47
24
50
12
59
31
2
31
60
33
24
47
17
30
18
31
31
45
20
45
43
55
23
43
44
3
44
31
32
31
18
33
45
19
4
45
20
23
10
45
31
49
45
44
6
31
34
36
22
31
33
58
54
43
20
35
20
44
24
43
11
22
11
57
39
24
20
20
20
56
37
38
34
39
24
5
31
37
35
38
38
36
14
48
58
43
33
20
20
22
22
43
44
20
20
40
44
36
31
22
45
38
24
31
56
14
45
57
37
41
44
13
43
3
20
45
37
31
45
53
46
FIT
1:1
100%

Артикул

Название

Примечание

Количество

-

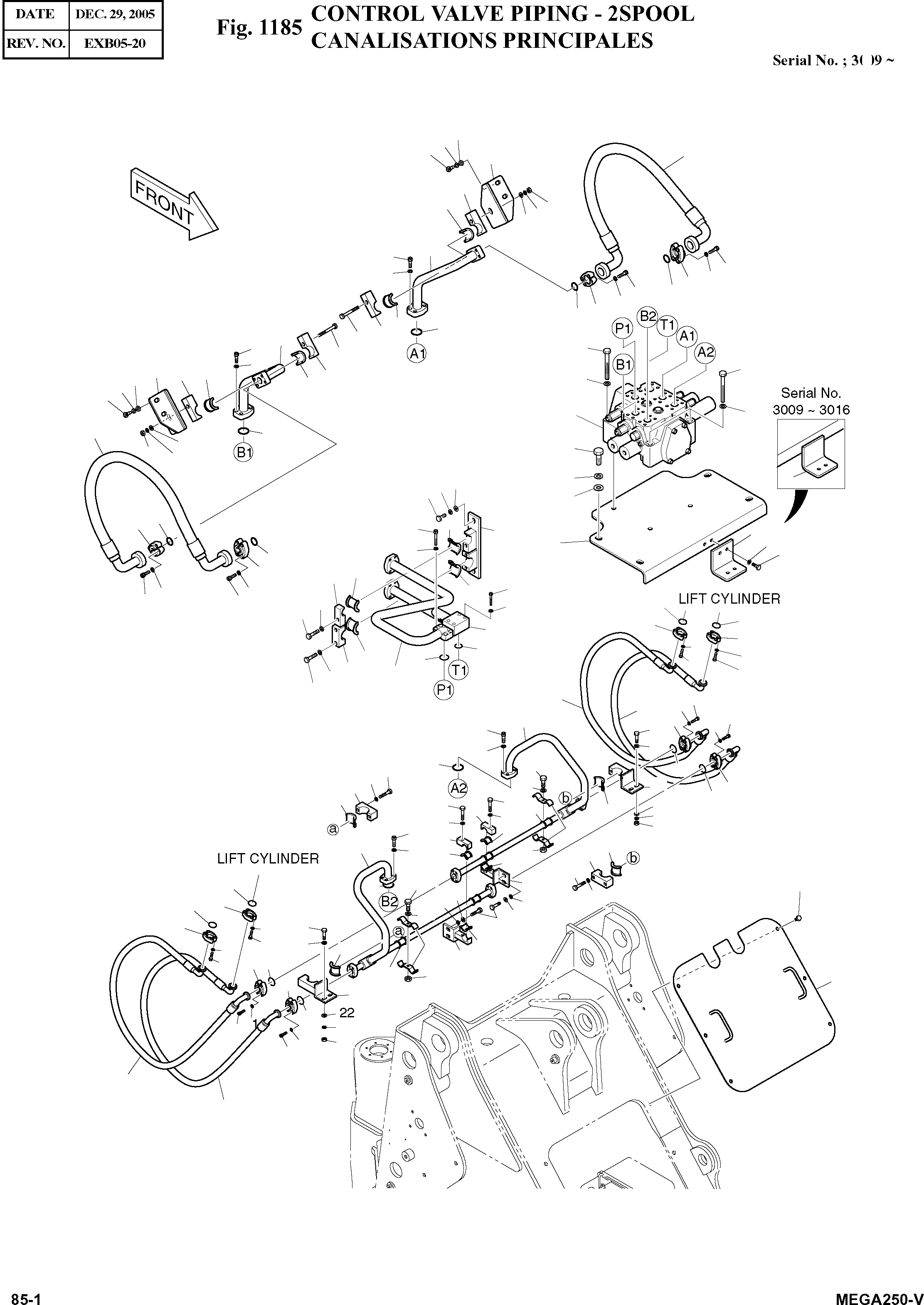
K1007133

CONTROL VALVE PIPING

SERIAL: 3009-3052

-2шт.

-

K1007133A

CONTROL VALVE PIPING

SERIAL: 3053

-2шт.

1

K1003040

VALVE;CONTROL 2-SPOOL

SERIAL: 3009-3052

1шт.

1

K1003040A

VALVE;CONTROL 2-SPOOL

SERIAL: 3053

1шт.

2

K1007124

SUPPORT;CONTROL V/V

SERIAL: 3009-3016

1шт.

2

K1007124A

SUPPORT;CONTROL V/V

SERIAL: 3017

1шт.

3

K1003314A

PIPE;RETURN

desc: TUYAU

1шт.

4

K1003320

PIPE;PUMP

desc: TUYAU

1шт.

5

K1003316A

PIPE;BOOM DOWN

SERIAL: 3009-3016

1шт.

5

K1003316B

PIPE;BOOM DOWN

SERIAL: 3017

1шт.

6

K1003317A

PIPE;BOOM RAISE

SERIAL: 3009-3016

1шт.

6

K1003317B

PIPE;BOOM RAISE

SERIAL: 3017

1шт.

7

K1003310

PIPE;BUCKET DUMP

SERIAL: 3009-3016

1шт.

7

K1003310A

PIPE;BUCKET DUMP

SERIAL: 3017

1шт.

8

K1003311

PIPE;BUCKET CROWD

SERIAL: 3009-3016

1шт.

8

K1003311A

PIPE;BUCKET CROWD

SERIAL: 3017

1шт.

9

DS2045258

HOSE-1320L

desc: TUYAU FLEXIBLE

1шт.

10

DS2045265

HOSE-1240L

desc: TUYAU FLEXIBLE

1шт.

11

S0560653

BOLT M12X1.75X45

desc: BOULON

2шт.

12

195-01230

BRACKET;CONTROL PIPE

desc: SUPPORT

1шт.

13

195-00598A

BRACKET(R.H);CONTROL PIPE

desc: SUPPORT

1шт.

14

195-00604A

BRACKET;CONTROL PIPE

desc: SUPPORT

2шт.

15

K1003010

BRACKET(R.H);CONTROL PIPE

SERIAL: 3009-3016

1шт.

15

K1003010A

BRACKET(R.H);CONTROL PIPE

SERIAL: 3017

1шт.

16

K1003011

BRACKET(L.H);CONTROL PIPE

SERIAL: 3009-3016

1шт.

16

K1003011A

BRACKET(L.H);CONTROL PIPE

SERIAL: 3017

1шт.

17

124-00067

CLAMP;PIPE

desc: FIXATION DE TUYAU

5шт.

18

2161-2481

RUBBER

desc: CAOUTCHOUC

2шт.

19

191-00364

CLAMP;PIPE

desc: FIXATION DE TUYAU

1шт.

20

S5102703

WASHER;SPRING M12

SERIAL: 3009-3016

25шт.

20

S5102703

WASHER;SPRING M12

SERIAL: 3017

27шт.

21

S0515253

BOLT M12X1.75X30

desc: BOULON

2шт.

22

2114-1058D46

WASHER;PLAIN

desc: RONDELLE PLATE

20шт.

23

S0561053

BOLT M12X1.75X65

desc: BOULON

3шт.

24

2161-2267A

RUBBER

desc: CAOUTCHOUC

10шт.

25

S5102903

WASHER;SPRING M16

desc: RONDELLE ELASTIQUE

4шт.

26

S0521556

BOLT M16X2.0X45

desc: BOULON

4шт.

27

2114-1058D2

WASHER;PLAIN

desc: RONDELLE PLATE

4шт.

28

S0562066

BOLT M12X1.75X115

desc: BOULON

3шт.

29

S5102703

WASHER;SPRING M12

desc: RONDELLE ELASTIQUE

3шт.

30

S2216166

BOLT;SOCKET M12X1.75X75

desc: BOULON DE PLOT

4шт.

31

S5110603

WASHER;SPRING M10

SERIAL: 3009-3016

68шт.

31

S5110603

WASHER;SPRING M10

SERIAL: 3017

70шт.

32

2180-1026D23

O-RING

desc: JOINT TORIQUE

1шт.

33

2180-1026D19

O-RING

desc: JOINT TORIQUE

9шт.

34

S2212366

BOLT;SOCKET M10X1.5X35

desc: BOULON DE PLOT

34шт.

35

124-00068

CLAMP;PIPE

desc: FIXATION DE TUYAU

2шт.

36

S0560853

BOLT M12X1.75X55

desc: BOULON

8шт.

37

S4012733

NUT M12X1.75

SERIAL: 3009-3016

6шт.

37

S4012733

NUT M12X1.75

SERIAL: 3017

8шт.

38

2161-2250A

RUBBER

desc: CAOUTCHOUC

4шт.

39

2124-1601A

CLAMP;PIPE

desc: FIXATION DE TUYAU

2шт.

40

S0515053

BOLT M12X1.75X25

desc: BOULON

8шт.

41

K1008282

COVER;STANDARD

SERIAL: 3009-3025

1шт.

41

K1008282A

COVER;STANDARD

SERIAL: 3026

1шт.

42

S0561753

BOLT M12X1.75X100

desc: BOULON

2шт.

43

2180-1026D2

O-RING

desc: JOINT TORIQUE

8шт.

44

2181-9079

FLANGE;HALF

desc: BRIDE

16шт.

45

S2212266

BOLT;SOCKET M10X1.5X30

desc: BOULON DE PLOT

48шт.

46

DS2045268

HOSE-1360L

desc: TUYAU FLEXIBLE

1шт.

47

2181-9078

FLANGE;HALF

desc: BRIDE

8шт.

48

2120-2196D2

BOLT;SET M10X1.5X25

desc: BOULON

6шт.

49

DS2045267

HOSE-1360L

desc: TUYAU FLEXIBLE

1шт.

50

S2212766

BOLT;SOCKET M10X1.5X55

desc: BOULON DE PLOT

4шт.

51

195-00906

BRACKET(L.H);CONTROL PIPE

desc: SUPPORT

1шт.

52

DS2045259

HOSE-1390L

desc: TUYAU FLEXIBLE

1шт.

53

DS2045266

HOSE-1240L

desc: TUYAU FLEXIBLE

1шт.

54

S0562466

BOLT

desc: BOULON

2шт.

55

S5110703

WASHER;SPRING

desc: RONDELLE ELASTIQUE

4шт.

56

DS2873023

CLAMP;PIPE

SERIAL: 3017

4шт.

57

K1000294A

RUBBER;PIPE

SERIAL: 3017

4шт.

58

S0561066

BOLT

SERIAL: 3017

2шт.

59

K1009494

PLATE

SERIAL: 3017

1шт.

60

S0512066

BOLT

SERIAL: 3017

2шт.

Выбрано товаров: 74