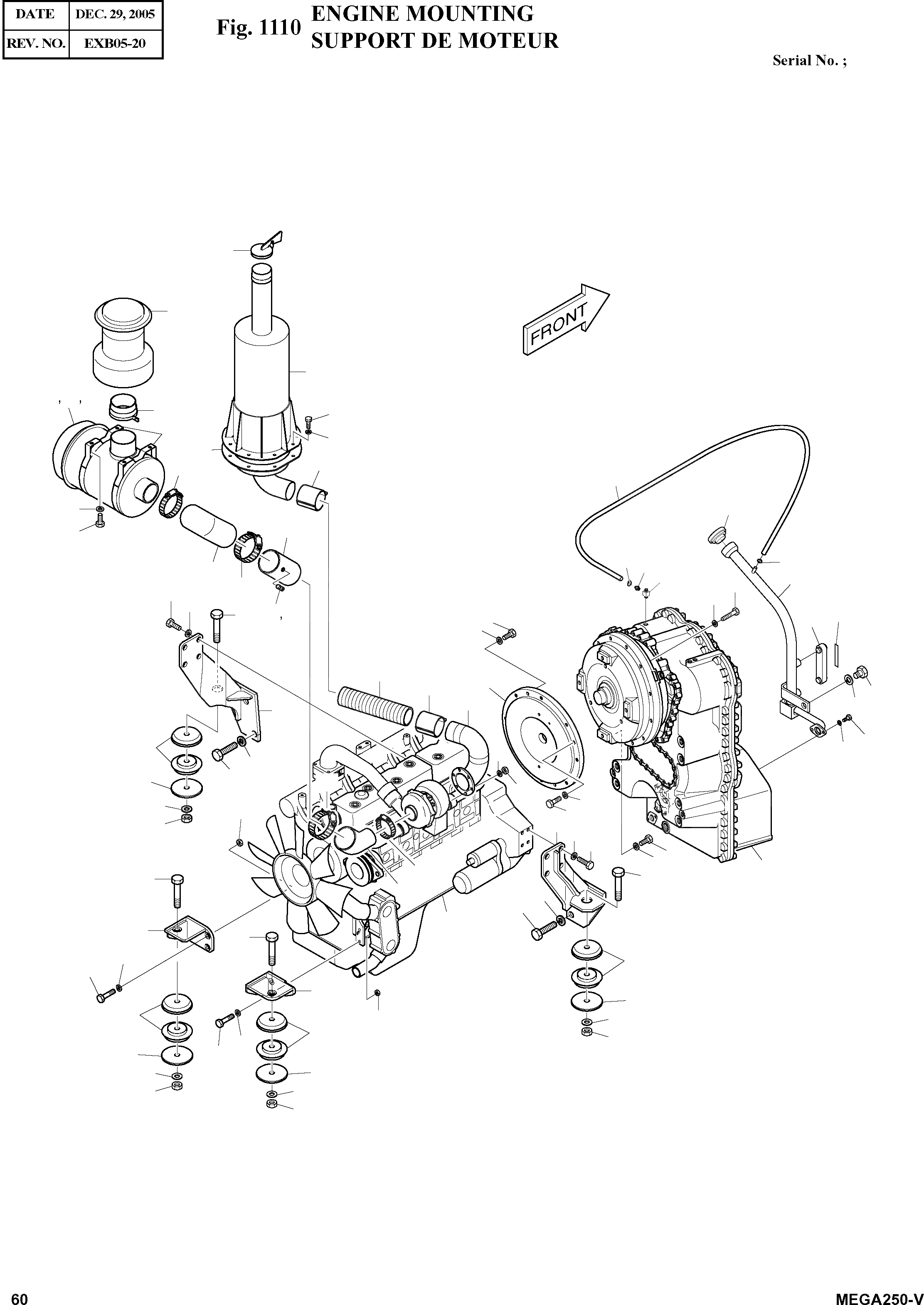
Запчасти Doosan Daewoo ENGINE MOUNTING BODY PARTS

8A
8B
30
16
9
8
17
51
31
52
26
28
23
55
33
41
18
44
56
56
58
20
57
32
21
40
49
41
50
38
54
24
25
15
53
39
29
3
28
36
27
35
5
46
10
47
41
35
34
21
12
45
39
13
43
42
4
14
50
49
38
39
2
22
15
15
19
35
34
1
7
15
37
10
48
6
12
11
13
43
11
14
37
12
48
13
12
13
14
14
FIT
1:1
100%

Артикул

Название

Примечание

Количество

-

K1000686

ENGINE & TRANSMISSION ASS'Y

SERIAL: 3001-3016

-2шт.

-

K1000686A

ENGINE & TRANSMISSION ASS'Y

SERIAL: 3017-3053

-2шт.

-

K1000686B

ENGINE & TRANSMISSION ASS'Y

SERIAL: 3054

-2шт.

1

201-00075

ENGINE ASS'Y-D1146T

desc: MOTEUR

1шт.

2

210-00046

TRANSMISSION ASS'Y

desc: TRANSMISSION

1шт.

3

181-00446A

ADAPTER;FLANGE

desc: ADAPTEUR

1шт.

4

195-00810A

BRACKET(R.H)

desc: SUPPORT

1шт.

5

195-00809A

BRACKET(L.H)

desc: SUPPORT

1шт.

6

195-00821

BRACKET(R.H)

desc: SUPPORT

1шт.

7

195-00808

BRACKET(L.H)

desc: SUPPORT

1шт.

8

2204-9013E

AIR CLEANER

SERIAL: 3001-3016

1шт.

8

2204-9013G

AIR CLEANER

SERIAL: 3017

1шт.

8A

2474-6003

ELEMENT;OUTER

desc: . ELEMENT

1шт.

8B

2474-6025

ELEMENT;INNER

desc: . ELEMENT

1шт.

9

203-00078

MUFFLER

desc: SILENCIEUX

1шт.

10

161-00104

MOUNT;T/M

SERIAL: 3001-3053

4шт.

10

161-00552

MOUNT;T/M

SERIAL: 3054

4шт.

11

4161-9067

MOUNT;E/G

SERIAL: 3001-3053

4шт.

11

161-00550

MOUNT;E/G

SERIAL: 3054

4шт.

12

2114-1929

WASHER;REBOUND

desc: RONDELLE

4шт.

13

4114-4116

WASHER;HARD

desc: RONDELLE

4шт.

14

S4033133

NUT M20X1.5

desc: ECROU

4шт.

15

S0771266

BOLT M20X1.5X120

desc: BOULON

4шт.

16

2204-9032

PRE CLEANER

desc: FILTRE

1шт.

17

2204-9015A

PIPE;EXTENSION

desc: TUYAU

1шт.

18

2182-4003B

PIPE

desc: TUYAU

1шт.

19

4185-1655B

HOSE;AIR-CLEANER

desc: TUYAU FLEXIBLE

1шт.

20

4185-1679

HOSE;AIR-CLEARER

desc: TUYAU FLEXIBLE

1шт.

21

S8450105

CLAMP;HOSE

desc: FIXATION DE TUYAU

2шт.

22

S8450066

CLAMP;HOSE

desc: FIXATION DE TUYAU

1шт.

23

S8450127

CLAMP;HOSE

desc: FIXATION DE TUYAU

1шт.

24

2170-9005

INDICATOR

desc: INDICATEUR

1шт.

25

2181-2690

ADAPTER

desc: ADAPTEUR

1шт.

26

4180-1143A

GASKET

desc: GARNITURE

2шт.

27

4182-1604A

PIPE;EXHAUST

desc: TUYAU

1шт.

28

4124-9026

CLAMP;SEAL

desc: FIXATION DE TUYAU

2шт.

29

4193-9003A

TUBE;FLEXIBLE

desc: TUBE

1шт.

30

4910-9003

CAP;RAIN

desc: CHAPEAU

1шт.

31

2124-1076A

BAND;AIR CLEANER

desc: JAGUE DE NIVEAU

2шт.

32

193-00810A

PIPE;FILLER

desc: TUYAU

1шт.

33

188-00011

CAP;OIL FILLER

desc: CHAPEAU

1шт.

34

S0527566

BOLT M20X2.5X45

desc: BOULON

8шт.

35

S5103103

WASHER;SPRING M20

desc: RONDELLE ELASTIQUE

9шт.

36

S0527051

BOLT M20X2.5X25

desc: BOULON

1шт.

37

S5102803

WASHER;SPRING M14

desc: RONDELLE ELASTIQUE

5шт.

38

S2212266

BOLT;SOCKET M10X1.5X30

desc: BOULON DE PLOT

8шт.

39

S5110603

WASHER;SPRING M10

desc: RONDELLE ELASTIQUE

12шт.

40

S0558153

BOLT M10X1.5X30

SERIAL: 3001-3053

12шт.

40

S0558166

BOLT M10X1.5X30

SERIAL: 3054

12шт.

41

S5102603

WASHER;SPRING M10

desc: RONDELLE ELASTIQUE

22шт.

42

S2212866

BOLT;SOCKET M10X1.5X60

desc: BOULON DE PLOT

4шт.

43

S4032833

NUT M14X1.5

desc: ECROU

4шт.

44

S0511953

BOLT M10X1.5X22

SERIAL: 3001-3053

4шт.

44

S0511966

BOLT M10X1.5X22

SERIAL: 3054

4шт.

45

S4012633

NUT M10X1.5

desc: ECROU

6шт.

46

S0508853

BOLT M8X1.25X20

desc: BOULON

2шт.

47

S5010513

WASHER;SPRING M8

desc: RONDELLE ELASTIQUE

2шт.

48

S0718466

BOLT M14X1.5X40

desc: BOULON

4шт.

49

S0560453

BOLT M12X1.75X35

SERIAL: 3001-3053

8шт.

49

S0560466

BOLT M12X1.75X35

SERIAL: 3054

8шт.

50

S5102703

WASHER;SPRING M12

desc: RONDELLE ELASTIQUE

8шт.

51

2120-2166D1

BOLT M10X1.5X30

desc: BOULON

8шт.

52

2114-1898D1

WASHER M10

desc: RONDELLE

8шт.

53

528-00036

GAUGE ASS'Y

desc: GAUGE

1шт.

54

190-01158A

PLATE;NAME

desc: PLATE;NAME

1шт.

55

2185-1002D138

HOSE

desc: TUYAU FLEXIBLE

1шт.

56

S8450012

CLAMP;HOSE

desc: FIXATION DE TUYAU

2шт.

57

DS2450001

TEE

desc: TE

1шт.

58

181-00074

ADAPTER

desc: ADAPTEUR

1шт.

Выбрано товаров: 69