Качественные детали и логистика
Оригинальные и аналоговые запчасти с доставкой по России, Казахстану и Беларуси
©2022 PartSell ООО "Система" ИНН 2463123282 ОГРН 1212400004838
Центральный офис: г. Красноярск, Академика Киренского, д.87, пом.4
Телефон: 8 (800) 777-65-74 Email: zakaz@partsell.ru
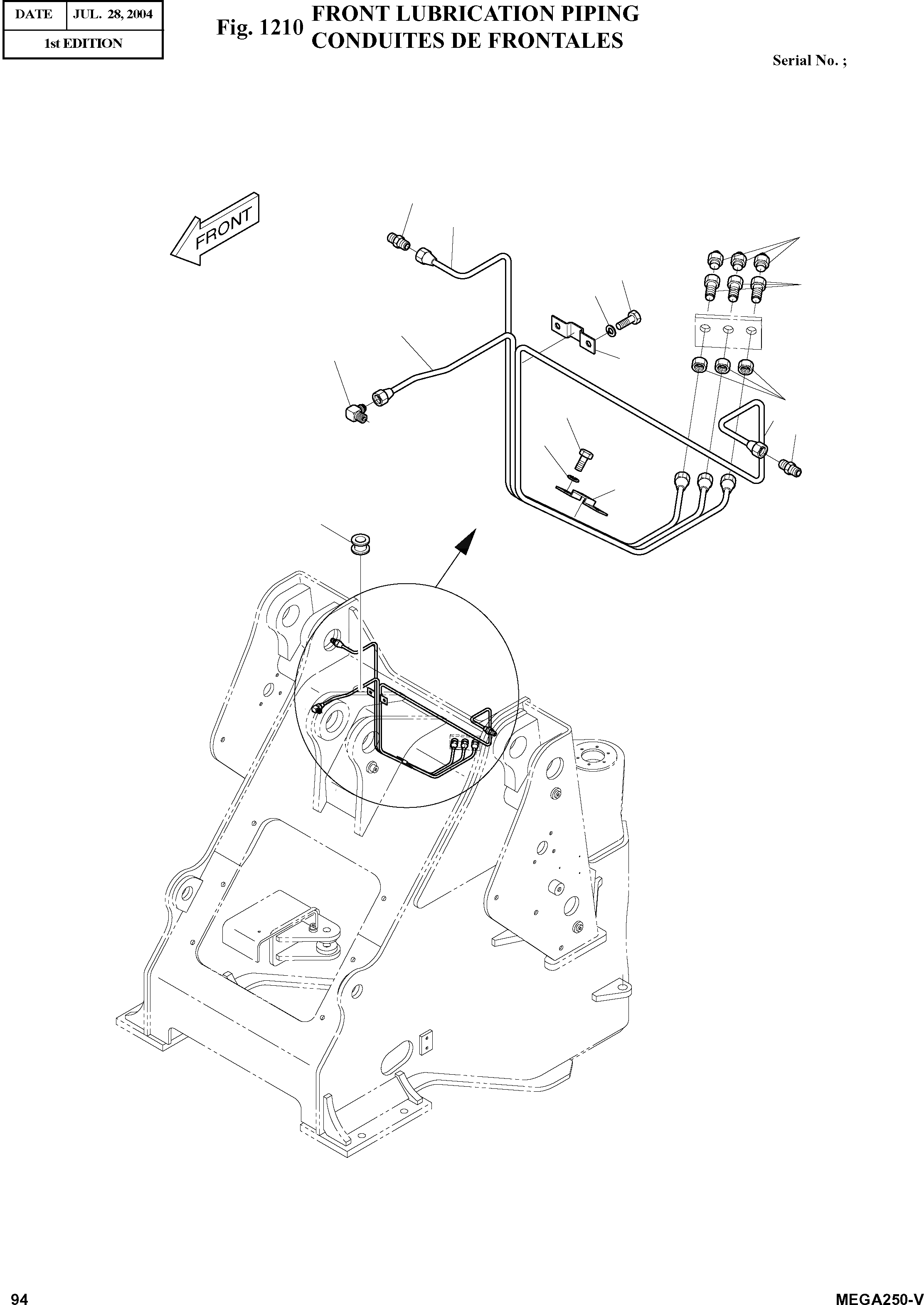
FRONT LUBRICATION PIPING
№
Артикул
Название
Примечание
Количество
-
400-00683
LUBRICATION PIPING
SC: D
-2шт.
1
S6710041
NIPPLE PT1/8
desc: GRAISSEUR
3шт.
2
181-00366
REDUCER
desc: REDUCTEUR
3
S4032833
NUT M14X1.5
desc: ECROU
4
2181-1919D9
ADAPTER
desc: ADAPTEUR
2шт.
5
140-00825A
PIPE
desc: TUYAU
1шт.
6
140-00826
7
140-00827
8
2124-1625
CLAMP;PIPE
desc: FIXATION DE TUYAU
9
S0511853
BOLT M10X1.5X20
desc: BOULON
4шт.
10
S5102603
WASHER;SPRING M10
desc: RONDELLE ELASTIQUE
11
2181-1918D7
ELBOW M14X1.5-PT1/8
desc: COUDE
12
2160-1004D41
BUSHING;RUBBER
desc: DOUILLE EN CAOUTCHOUC
Выбрано товаров: 0