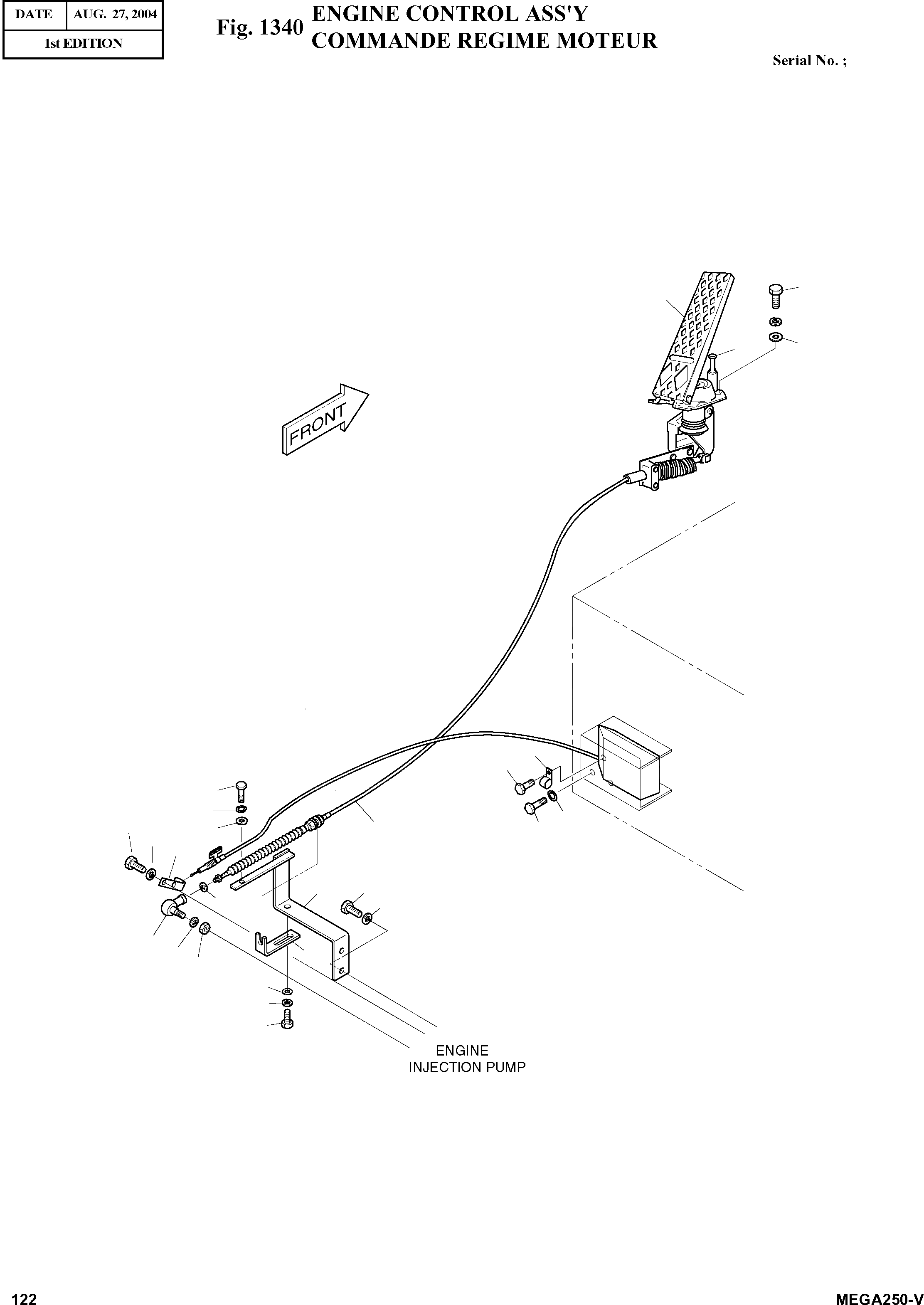
Запчасти Doosan Daewoo ENGINE CONTROL ASSY BODY PARTS

2
1
3
4
18
19
7
6
14
3
8
14
5
4
9
3
13
10
11
12
20
15
21
16
17
23
22
9
FIT
1:1
100%

Артикул

Название

Примечание

Количество

-

201-00142A

ENGINE CONTROL ASS'Y

SC: D

-2шт.

1

134-00028

PEDAL ASS'Y

desc: PEDALE ASS'Y

1шт.

2

S0504853

BOLT M6X1.0X20

desc: BOULON A 6PANS

3шт.

3

S5102303

WASHER;SPRING M6

desc: RONDELLE ELASTIQUE M6

6шт.

4

S5010313

WASHER;PLAIN M6

desc: RONDELLE PLATE

4шт.

5

139-00022D4

CABLE;CONTROL 2470L

desc: CABLE DE COMMANDE

1шт.

6

2523-9016

MOTOR;ENGINE STOP

desc: MOTEUR

1шт.

7

S0508453

BOLT M8X1.25X12

desc: BOULON A 6PANS

1шт.

8

S5010513

WASHER;PLAIN M8

desc: RONDELLE M8

2шт.

9

S0508853

BOLT M8X1.25X20

desc: BOULON A 6PANS

4шт.

10

195-02563

BRACKET

desc: SUPPORT

1шт.

11

S0711953

BOLT M10X1.25X22

desc: BOULON A 6PANS

2шт.

12

S5102603

WASHER;SPRING M10

desc: RONDELLE ELASTIQUE

2шт.

13

2195-3805

BRACKET

SERIAL: 4040-4133

1шт.

13

K1015745

BRACKET

SERIAL: 4134

1шт.

14

S0504453

BOLT M6X1.0X12

desc: BOULON A 6PANS

3шт.

15

2138-9006B

BALL;JOINT

desc: ENSEMBLE DE JOINT

1шт.

16

S5100203

WASHER;SPRING M5

desc: RONDELLE ELASTIQUE

1шт.

17

S4012233

NUT M5X0.8

desc: ECROU

1шт.

18

S0509853

BOLT M8X1.25X60

desc: BOULON A 6PANS

1шт.

19

2124-1353D2

CLIP

desc: ATTACHE

1шт.

20

S5020213

WASHER;PLAIN M5

desc: RONDELLE PLATE

1шт.

21

195-02564

BRACKET

desc: SUPPORT

1шт.

22

S5102503

WASHER;SPRING

desc: RONDELLE ELASTIQUE

2шт.

23

2114-1058D63

WASHER;PLAIN

desc: RONDELLE

2шт.

Выбрано товаров: 25