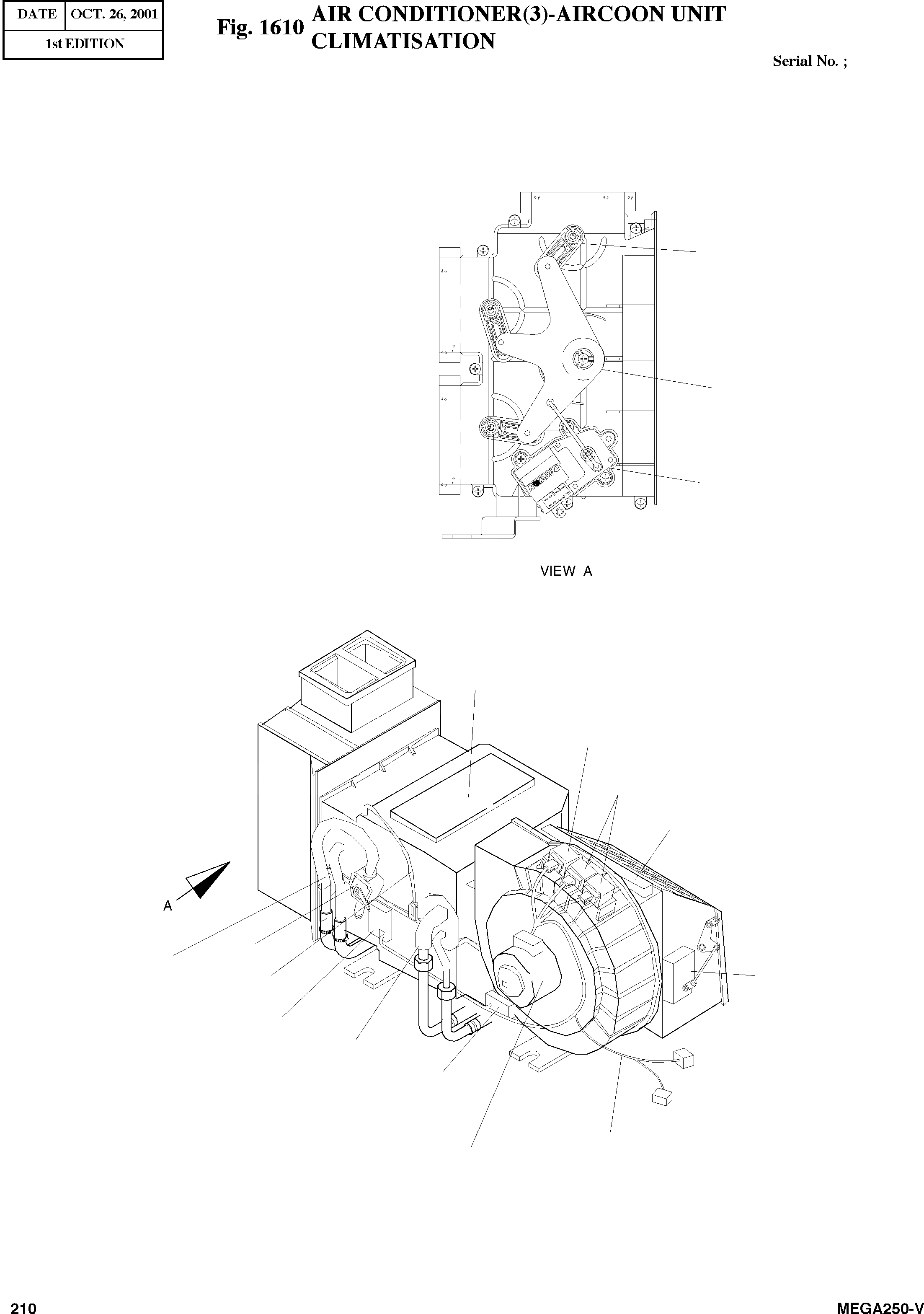
Запчасти Doosan Daewoo AIRCONDITIONER(3)-AIRCON UNIT BODY PARTS

28
28L
28H
28I
28F
28K
28B
28A
28J
28E
28G
28C
28D
28O
28M
28N
FIT
1:1
100%

Артикул

Название

Примечание

Количество

-

920-00031

COOLER & HEATER ASS'Y

SC: D

-2шт.

28

4920-9050A

UNIT;AIRCON

desc: UNITE DE CLIGNOTANTS

1шт.

28A

2538-6015

MOTOR;BLOWER 24VX15A

desc: . MOTEUR

1шт.

28B

545-00003

RESISTER;BLOWER

desc: . RESISTOR

1шт.

28C

2544-6023

RELAY 24VX10AX4P

desc: . RELAIS DEMARREUR

2шт.

28D

2544-6024

RELAY 24VX20AX5P

desc: . RELAIS DEMARREUR

1шт.

28E

2538-6016

MOTOR;INTAKE 24V

desc: . MOTEUR

1шт.

28F

2538-6017

MOTOR;MIX 12V

desc: . MOTEUR

1шт.

28G

2471-6050

FILTER;AIRCON GSB-30NA

desc: . FILTRE

1шт.

28H

2426-6048

VALVE;STEM

desc: . VANNE

1шт.

28I

2547-6033

SENSOR;DUST

desc: . CAPTEUR REGIME

1шт.

28J

2530-6005

HARNESS;AIRCON UNIT

desc: . FAISCEAU

1шт.

28K

2920-6111

EVAPORATOR CORE ASS'Y 235HX224WX74T

desc: . CHAUFFAGE

1шт.

28L

2920-6112

HEATER CORE ASS'Y

desc: . CHAUFFAGE

1шт.

28M

431-00001

LEVER;MAIN SCP1X1.2T

desc: . LEVIER

1шт.

28N

431-00002

LEVER;SUB POLI ACETAAL

desc: . LEVIER

3шт.

28O

538-00002

MOTOR;MODE 12V

desc: . MOTEUR

1шт.

Выбрано товаров: 17