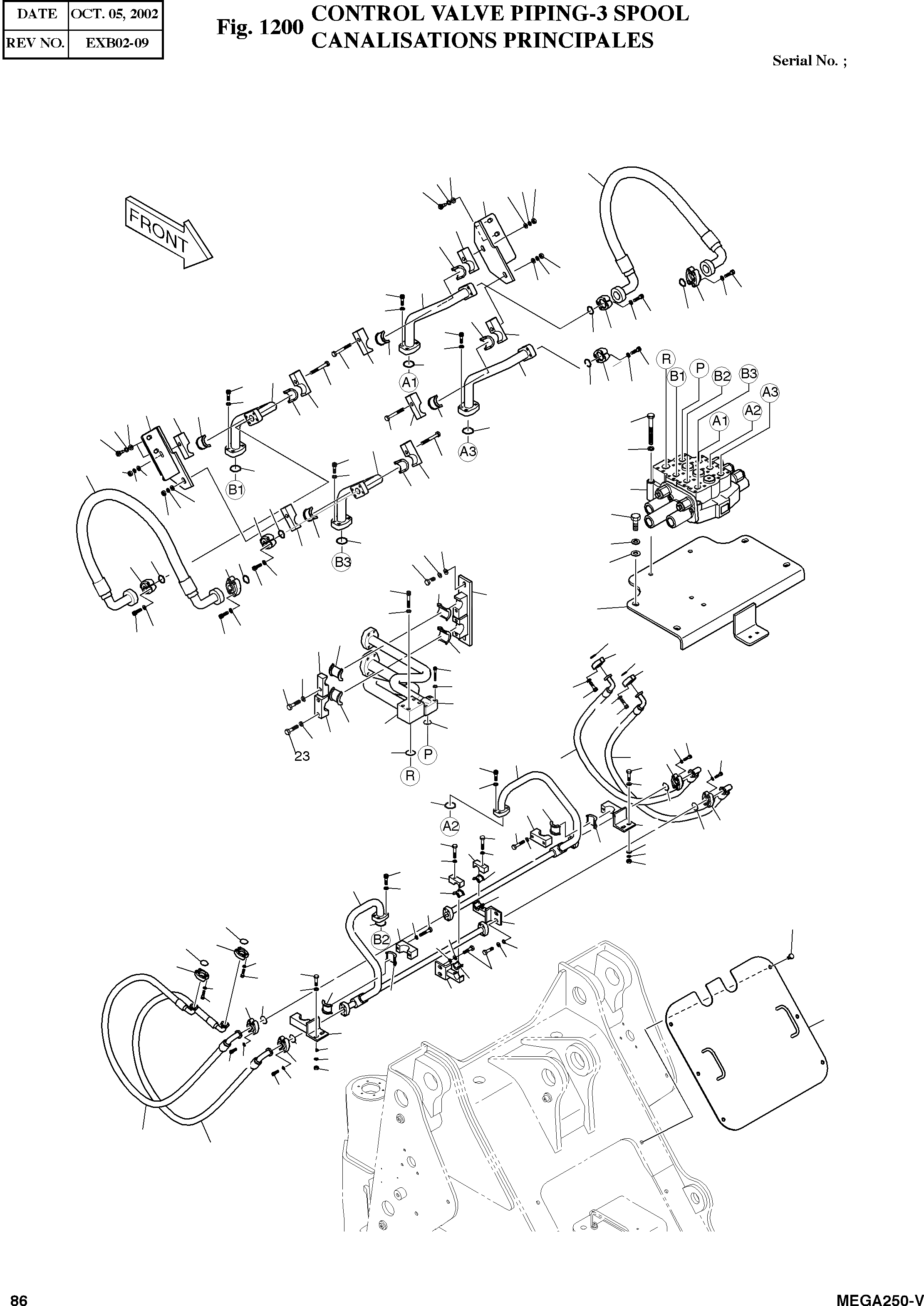
Запчасти Doosan Daewoo CONTROL VALVE PIPING-3 SPOOL BODY PARTS

19
55
22
20
37
20
40
22
16
17
24
37
20
8
22
34
45
31
47
31
24
45
33
31
34
17
47
33
31
24
33
17
45
42
7
10
34
31
48
42
33
31
15
24
17
22
17
28
24
24
20
33
17
40
42
9
29
34
42
49
37
33
31
22
17
20
1
24
33
22
48
26
20
37
22
25
33
24
20
33
17
33
21
47
47
27
31
24
30
45
12
2
31
31
31
43
24
45
45
17
44
18
43
44
50
20
23
31
31
4
45
31
45
18
3
33
45
39
31
20
32
57
45
38
6
44
52
31
34
54
22
31
33
24
43
35
11
54
44
43
36
22
36
39
24
20
20
20
20
38
37
34
43
5
31
38
31
54
20
51
35
43
14
33
20
22
43
44
22
31
44
20
54
40
45
24
38
22
31
14
24
43
44
45
41
13
22
20
44
45
37
31
45
46
56
FIT
1:1
100%

Артикул

Название

Примечание

Количество

-

400-00550

CONTROL VALVE PIPING

SC: D

-2шт.

1

421-00002

VALVE;CONTROL 3-SPOOL

desc: VANNE

1шт.

2

195-01150

SUPPORT;CONTROL V/V

desc: SUPPORT

1шт.

3

193-00560A

PIPE;RETURN

desc: TUYAU

1шт.

4

193-00570A

PIPE;PUMP

desc: TUYAU

1шт.

5

193-00561A

PIPE;BOOM RAISE

desc: TUYAU

1шт.

6

193-00562B

PIPE;BOOM DOWN

desc: TUYAU

1шт.

7

193-00211A

PIPE;BUCKET CROWD

desc: TUYAU

1шт.

8

193-00212A

PIPE;BUCKET DUMP

desc: TUYAU

1шт.

9

193-00215

PIPE;OPTION

desc: TUYAU

1шт.

10

193-00216

PIPE;OPTION

desc: TUYAU

1шт.

11

195-00906

BRACKET(L.H);CONTROL PIPE

desc: SUPPORT

1шт.

12

195-01230

BRACKET;CONTROL PIPE

desc: SUPPORT

1шт.

13

195-00598A

BRACKET(R.H);CONTROL PIPE

desc: SUPPORT

1шт.

14

195-00604A

BRACKET;CONTROL PIPE

desc: SUPPORT

2шт.

15

195-00606B

BRACKET(R.H);CONTROL PIPE

desc: SUPPORT

1шт.

16

195-00607B

BRACKET(L.H);CONTROL PIPE

desc: SUPPORT

1шт.

17

124-00067

CLAMP;PIPE

desc: COLLIER

9шт.

18

2161-2481

RUBBER

desc: CAOUTCHOUC

2шт.

19

191-00364

CLAMP;PIPE

desc: COLLIER

1шт.

20

S5102703

WASHER;SPRING M12

desc: RONDELLE ELASTIQUE

27шт.

21

S0515253

BOLT M12X1.75X30

desc: BOULON A 6PANS

2шт.

22

2114-1058D46

WASHER;PLAIN

desc: RONDELLE

22шт.

23

S0561053

BOLT M12X1.75X65

desc: BOULON A 6PANS

3шт.

24

2161-2267A

RUBBER

desc: CAOUTCHOUC

14шт.

25

S5102903

WASHER;SPRING M16

desc: RONDELLE ELASTIQUE

4шт.

26

S0521556

BOLT M16X2.0X45

desc: BOULON A 6PANS

4шт.

27

2114-1058D2

WASHER;PLAIN

desc: RONDELLE PLATE

4шт.

28

S0562066

BOLT M12X1.75X115

desc: BOULON A 6PANS

3шт.

29

S5102703

WASHER;SPRING M12

desc: RONDELLE ELASTIQUE

3шт.

30

S2213266

BOLT;SOCKET M10X1.5X80

desc: BOULON A 6PANS

4шт.

31

S5110603

WASHER;SPRING M10

desc: RONDELLE ELASTIQUE

88шт.

32

2180-1026D23

O-RING

desc: JONT TORIQUE

1шт.

33

2180-1026D19

O-RING

desc: JONT TORIQUE

13шт.

34

S2212366

BOLT;SOCKET M10X1.5X35

desc: BOULON A 6PANS

24шт.

35

124-00068

CLAMP;PIPE

desc: COLLIER

2шт.

36

S0560653

BOLT M12X1.75X45

desc: BOULON A 6PANS

2шт.

37

S4012733

NUT M12X1.75

desc: ECROU

8шт.

38

2161-2250A

RUBBER

desc: CAOUTCHOUC

4шт.

39

2124-1601A

CLAMP;PIPE

desc: COLLIER

2шт.

40

S0515053

BOLT M12X1.75X25

desc: BOULON A 6PANS

8шт.

41

621-01196

COVER;OPTION

desc: COUVERCLE

1шт.

42

S0561753

BOLT M12X1.75X100

desc: BOULON A 6PANS

4шт.

43

2180-1026D2

O-RING

desc: JONT TORIQUE

8шт.

44

2181-9079

FLANGE;HALF

desc: FLASQUE EN DEUX PARTIES

16шт.

45

S2212266

BOLT;SOCKET M10X1.5X30

desc: BOULON A 6PANS

56шт.

46

DS2045268

HOSE PF3/4-1360L

desc: TUYAU FLEXIBLE

1шт.

47

2181-9078

FLANGE;HALF

desc: BRIDE

8шт.

48

2181-2157D5

FLANGE;COVER

desc: BRIDE

2шт.

49

DS2045258

HOSE-1320L

desc: TUYAU FLEXIBLE

1шт.

50

S2212761

BOLT;SOCKET M10X1.5X55

desc: BOULON A 6PANS

4шт.

51

2120-2196D2

BOLT;SET M10X1.5X25

desc: BOULON A 6PANS

6шт.

52

DS2045267

HOSE PF3/4-1360L

desc: TUYAU FLEXIBLE

1шт.

54

S0560853

BOLT M12X1.75X55

desc: BOULON A 6PANS

8шт.

55

DS2045259

HOSE-1390L

desc: TUYAU FLEXIBLE

1шт.

56

DS2045266

HOSE-1240L

desc: TUYAU FLEXIBLE

1шт.

57

DS2045265

HOSE-1240L

desc: TUYAU FLEXIBLE

1шт.

Выбрано товаров: 57