Запчасти Doosan Daewoo AXLE & DRIVE SHAFT ASSY-LOCAL BODY PARTS

28
27
19
12
34
17
9
17
28
18
27
11
10
13
7
26
44
27
8
9
19
17
13
14
17
18
5
6
15
13
20
35
20
35
16
35
20
4
17
43
39
27
3
17
18
42A
47A
50A
51A
42B
47B
40
45
50B
51B
41
46
42
47
40
41
5A
3A
3B
42
47
46
45
50
51
FIT
1:1
100%

Артикул

Название

Примечание

Количество

-

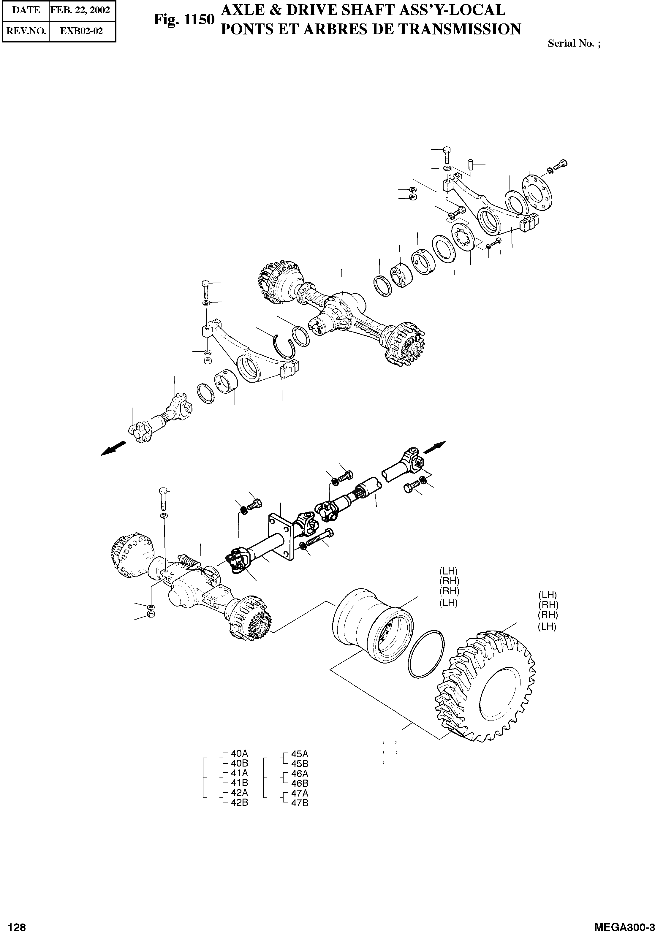
4210-4006F1

AXLE & SHAFT ASS'Y

SC: D

-2шт.

3

4260-9021

PROP SHAFT;FRONT

desc: ARBRE D'ENTRAINEMENT

1шт.

3A

4260-9021-02

CENTER BEARING

desc: . ROULEMENT

1шт.

3B

4260-9021-04

JOINT BEARING

desc: . ROULEMENT

2шт.

4

4260-9020

PROP SHAFT;CENTER

desc: ARBRE D'ENTRAINEMENT

1шт.

5

4260-9022

PROP SHAFT;REAR

SERIAL: 1-294

1шт.

5

4260-9022A

PROP SHAFT;REAR

SERIAL: 295

1шт.

5A

100-6C

U-JOINT

SERIAL: 1-294

2шт.

5A

100-7C

U-JOINT

SERIAL: 295

2шт.

6

4195-4500A

PIVOT BEARING;FRONT

SERIAL: 1-27

1шт.

6

4195-4500B

PIVOT BEARING;FRONT

SERIAL: 28

1шт.

7

4195-4501C

PIVOT BEARING;REAR

SERIAL: 1-27

1шт.

7

4195-4501E

PIVOT BEARING;REAR

SERIAL: 28

1шт.

8

4114-4080A

DISC

SERIAL: 1-222

1шт.

8

4114-4080B

DISC

SERIAL: 223

1шт.

9

4114-4081A

WASHER;THRUST

desc: RONDELLE DE BUTEE

2шт.

10

4112-4013B

SHAFT;PIVOT

desc: ARBRE

1шт.

11

4110-4031

BUSHING

desc: COUSSINET

1шт.

12

4621-4226

COVER

SERIAL: 1-27

1шт.

12

4621-4226A

COVER

SERIAL: 28

1шт.

13

S8200672

SEAL;OIL

desc: JOINT D'HUILE

3шт.

14

4114-4053

RING;RETAINING

desc: BAGUE CIRCLIPS

1шт.

15

4110-4024A

BUSHING

desc: COUSSINET

1шт.

16

4120-1460

BOLT M24X2.0X200

desc: BOULON A 6 PANS

8шт.

17

4114-4079

WAHSER;HARDENED

desc: RONDELLE PLATE

32шт.

18

S4033333

NUT M24X2.0

desc: ECROU

16шт.

19

S0776261

BOLT M24X2.0X160

desc: BOULON A 6 PANS

8шт.

20

4120-4029

BOLT UNF1/2

SERIAL: 1-294

12шт.

20

4120-4029

BOLT UNF1/2

SERIAL: 295

20шт.

26

S0766661

BOLT M16X1.5X120

desc: BOULON A 6 PANS

8шт.

27

S5102901

WASHER;SPRING M16

desc: RONDELLE ELASTIQUE

28шт.

28

S0565261

BOLT M16X2.0X50

desc: BOULON A 6 PANS

16шт.

34

S5711982

PIN;PARALLEL

SERIAL: 1-27

2шт.

34

4123-2275

PIN;PARALLEL

SERIAL: 28

2шт.

35

4114-1686

WASHER;SPRING M16

SERIAL: 1-294

12шт.

35

4114-1686

WASHER;SPRING M16

SERIAL: 295

20шт.

39

S0521561

BOLT M16X2.0X45

desc: BOULON A 6 PANS

4шт.

40

4276-1037

WHEEL ASS'Y(OPTION) 20.5X25

SERIAL: 1-356

2шт.

40A

4278-9027

RIM 17.00X25

desc: . JANTE

1шт.

40B

4276-9016

TYRE 20.5X25

desc: . PNEU

1шт.

41

4276-1033

WHEEL ASS'Y(OPTION) 23.5X25 L3

SERIAL: 1-356

2шт.

41A

4278-9026

RIM 19.5X25

desc: . JANTE

1шт.

41B

4276-9030

TYRE 23.5X25(L3)

desc: . PNEU

1шт.

42

4276-1041A

WHEEL ASS'Y(STD.) 23.5X25X16PR L3

SERIAL: 1-356

2шт.

42A

4278-9026

RIM 19.5X25

desc: . JANTE

1шт.

42B

4276-9034

TYRE 23.5X25X16PR L3

desc: . PNEU

1шт.

43

4211-9023A

AXLE;FRONT

SERIAL: 1-295

1шт.

43

4211-9023B

AXLE;FRONT

SERIAL: 296

1шт.

44

4211-9024A

AXLE;REAR

SERIAL: 1-294

1шт.

44

4211-9024B

AXLE;REAR

SERIAL: 295

1шт.

45

4276-1038

WHEEL ASS'Y(OPT.)

SERIAL: 1-356

2шт.

45A

4278-9027

RIM 17.00X25

desc: . JANTE

1шт.

45B

4276-9016

TYRE 20.5X25

desc: . PNEU

1шт.

46

4276-1034

WHEEL ASS'Y(OPT.)

SERIAL: 1-356

2шт.

46A

4278-9026

RIM 19.5X25

desc: . JANTE

1шт.

46B

4276-9030

TYRE 23.5X25(L3)

desc: . PNEU

1шт.

47

4276-1040A

WHEEL ASS'Y(STD.)

SERIAL: 1-356

2шт.

47A

4278-9026

RIM 19.5X25

desc: . JANTE

1шт.

47B

4276-9034

TYRE 23.5X25X16PR L3

desc: . PNEU

1шт.

50

4276-1040B

WHEEL ASS'Y(R.H)

SERIAL: 357

2шт.

50A

4278-9026

RIM 19.5X25

desc: . JANTE

1шт.

50B

4276-9034

TYRE 23.5X25X16PR L3

desc: . PNEU

1шт.

51

4276-1041B

WHEEL ASS'Y(L.H)

SERIAL: 357

2шт.

51A

4278-9026

RIM 19.5X25

desc: . JANTE

1шт.

51B

4276-9034

TYRE 23.5X25X16PR L3

desc: . PNEU

1шт.

Выбрано товаров: 65