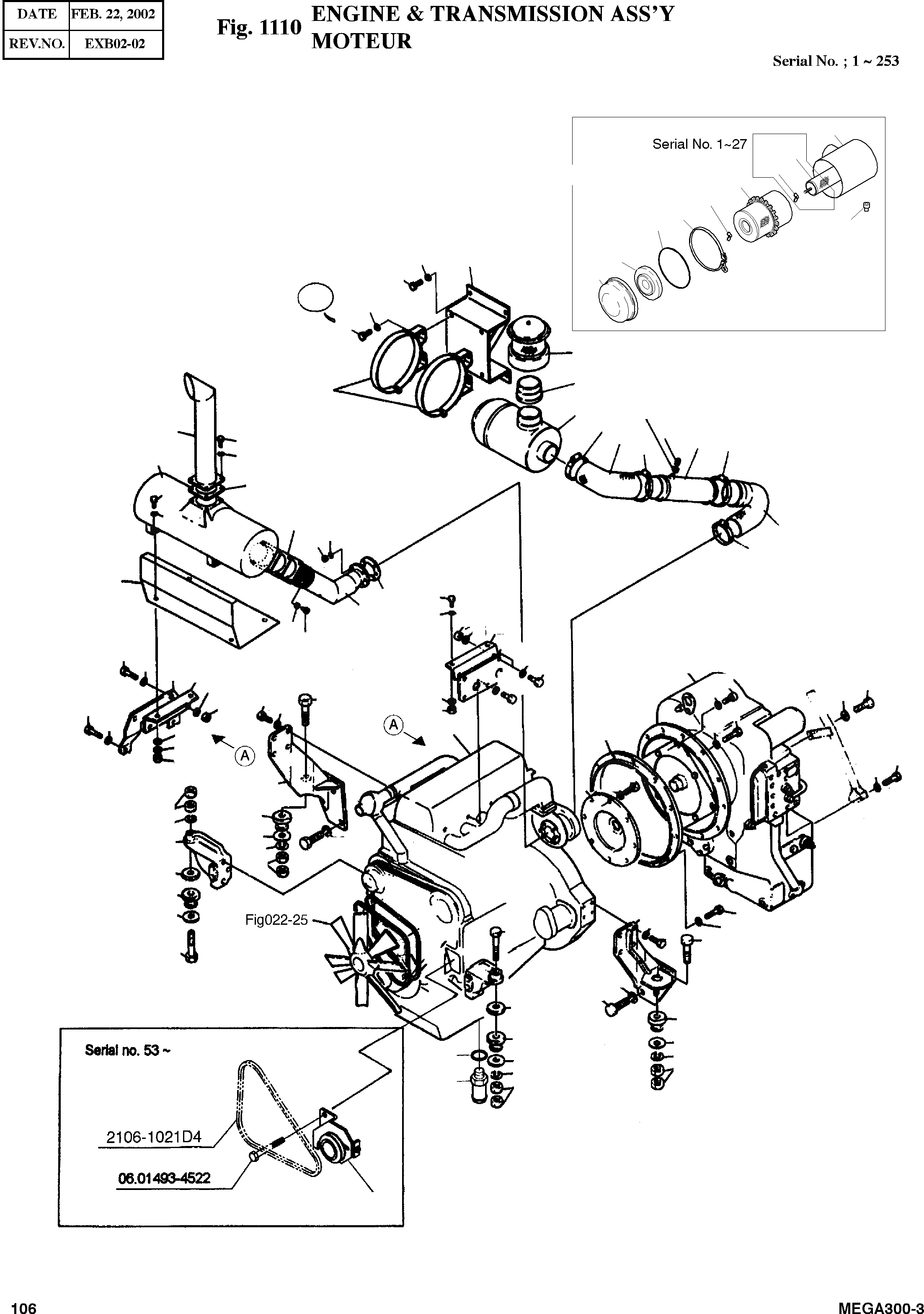
Запчасти Doosan Daewoo ENGINE & TRANSMISSION ASSY BODY PARTS

65
60
45
19
39
40
20
24
22
46
45
23
47
45
8
23
50
37
45
46
57
62
47
61
44
45
42
27
47
61
26
28
45
44
34
35
29
45
44
37
7
7
37
45
61
44
6
9
11
52
31
33
32
31
32
57
12
10
11
30
30
12
10
11
32
31
51
49
1
63
31
52
11
9
32
33
5
35
34
29
39
38
3
37
36
4
2
52
53
40
37
32
56
54
55
47
61
13
58
16
15
25
64
16
14
16
17
18
59
17
17A
17H
17E
17D
17G
17F
17C
17B
17C
17J
FIT
1:1
100%

Артикул

Название

Примечание

Количество

-

4201-1060

ENGINE & TRANSMISSION ASS'Y

SERIAL: 1-253

-2шт.

1

4201-9051

ENGINE ASS'Y DHI D2366T

SERIAL: 1-37

1шт.

1

4201-9051A

ENGINE ASS'Y DHI D2366T

SERIAL: 38

1шт.

2

4210-9407A

TRANSMISSION ASS'Y ZF 4WG200

SERIAL: 1-227

1шт.

2

4210-9407B

TRANSMISSION ASS'Y ZF 4WG200

SERIAL: 228

1шт.

3

4114-4083B

FLANGE

desc: BRIDE

1шт.

4

4115-4002A

RING ADAPTER

desc: BAGUE

1шт.

5

4197-1305

BRACKET ENGINE

desc: SUPPORT

1шт.

6

4197-1306

BRACKET ENGINE

desc: SUPPORT

1шт.

7

S0558361

BOLT M10X1.5X40

SERIAL: 1-128

5шт.

7

S0558461

BOLT M10X1.5X45

SERIAL: 129

5шт.

8

4621-3245A

COVER

SERIAL: 1-67

1шт.

8

4621-3245B

COVER

SERIAL: 68

1шт.

9

4161-9038

MOUNT ENGINE LORD CB 1125-4

desc: CAOUTCHOUC

2шт.

10

4161-9412

MOUNT ENGINE LOAD CBA 28-800

desc: CAOUTCHOUC

2шт.

11

4114-4057

WASHER REBOUND

desc: RONDELLE PLATE

4шт.

12

4114-4084

SPACER

desc: BAGUE D'ECARTEMENT

2шт.

13

4185-1615

HOSE;AIR

desc: TUYAU FLEXIBLE

1шт.

14

4185-1616

HOSE;AIR

desc: TUYAU FLEXIBLE

1шт.

15

4193-1312

PIPE

desc: CONDUITE

1шт.

16

2124-1024D18

CLAMP HOSE Ґх133-150

desc: COLLIER

3шт.

17

2204-9013E

AIR CLEANER

SERIAL: 1-27

1шт.

17

2204-6008A

AIR CLEANER

SERIAL: 28-62

1шт.

17

2204-6008B

AIR CLEANER

SERIAL: 63

1шт.

17A

2204-9013-01

BODY

desc: . CARTER

1шт.

17B

2474-6003

ELEMENT;OUTER

desc: . ELEMENT

1шт.

17C

2204-9013-03

NUT

SERIAL: 1-27

2шт.

17C

2204-9013-03

NUT

SERIAL: 28

1шт.

17D

2204-9013-04

BAFFLE

desc: . DEROUTTER

1шт.

17E

2204-9013-05

CAP

desc: . VIBREUR

1шт.

17F

2204-9013-06

CLAMP

desc: . COLLIER

1шт.

17G

2204-9013-07

O-RING

REP_PNO: 2204-9013-G

1шт.

17H

2204-9013-08

CAP

desc: . VIBREUR

1шт.

17J

2474-6025

ELEMENT;INNER

SERIAL: 1-27

1шт.

18

2204-9015A

EXTENSION

desc: RALLONGE

1шт.

19

4197-1206

BRACKET

desc: SUPPORT

1шт.

20

2124-1076

BAND

desc: COLLIER FILTRE A AIR

2шт.

21

4920-9039

FAN(ONLY EUROPE)

desc: VENTILATEUR

1шт.

22

4203-1673A

MUFFLER

desc: SILENCIEUX

1шт.

23

4180-4004

GASKET

desc: JOINT

2шт.

24

4183-4555A

PIPE;TAIL

desc: TUYAU

1шт.

25

2170-9005

INDICATOR

desc: INDICATEUR

1шт.

26

4191-3760

PLATE

SERIAL: 1-37

1шт.

26

4191-3760A

PLATE

SERIAL: 38

1шт.

27

4191-3757A

PLATE

SERIAL: 1-37

1шт.

27

4191-3757B

PLATE

SERIAL: 38

1шт.

28

4191-3758

PLATE

SERIAL: 1-37

1шт.

28

4191-3758A

PLATE

SERIAL: 38-73

1шт.

28

4191-3758B

PLATE

SERIAL: 74

1шт.

29

S0571161

BOLT M20X2.5X115

desc: BOULON A 6 PANS

2шт.

30

S0571561

BOLT M20X2.5X140

desc: BOULON A 6 PANS

2шт.

31

S4013133

NUT M20X2.5

desc: ECROU

8шт.

32

S5103101

WASHER;SPRING M20

desc: RONDELLE ELASTIQUE

9шт.

33

S0527561

BOLT M20X2.5X45

desc: BOULON A 6 PANS

4шт.

34

S0718351

BOLT M14X1.5X35

desc: BOULON A 6 PANS

8шт.

35

S5102803

WASHER;SPRING M14

desc: RONDELLE ELASTIQUE

8шт.

36

S0512353

BOLT M10X1.5X35

desc: BOULON A 6 PANS

8шт.

37

S5102603

WASHER;SPRING M10

desc: RONDELLE ELASTIQUE

31шт.

38

S2212461

BOLT SOCKET M10X1.5X40

desc: BOULON A 6 PANS CREUX

12шт.

39

S5110601

WASHER;SPRING M10

desc: RONDELLE ELASTIQUE

12шт.

40

S0558153

BOLT M10X1.5X30

SERIAL: 1-102

16шт.

40

S0558153

BOLT M10X1.5X30

SERIAL: 103

12шт.

42

4191-3759

PLATE

SERIAL: 1-37

1шт.

42

4191-3759A

PLATE

SERIAL: 38

1шт.

44

S4012733

NUT M12X1.75

desc: ECROU

8шт.

45

S5102703

WASHER;SPRING M12

desc: RONDELLE ELASTIQUE

20шт.

46

S0515253

BOLT M12X1.75X30

desc: BOULON A 6 PANS

8шт.

47

S0560453

BOLT M12X1.75X35

desc: BOULON A 6 PANS

8шт.

49

S8180481

SEAL RING

desc: BAGUE D'ETANCHEITE

1шт.

50

S4012633

NUT M10X1.5

desc: ECROU

6шт.

51

2181-1917D37

ADAPTER M30X1.5-PF1/2

desc: RACCORD

1шт.

52

4120-4046

BOLT;SOCKET M10X1.5X25

desc: BOULON A 6 PANS CREUX

4шт.

53

4114-4085

WASHER

desc: RONDELLE PLATE

4шт.

54

S0556353

BOLT M8X1.25X50

desc: BOULON A 6 PANS

2шт.

55

S5102503

WASHER;SPRING M8

desc: RONDELLE ELASTIQUE

2шт.

56

S0527251

BOLT M20X2.5X30

desc: BOULON A 6 PANS

1шт.

57

4182-6010

PIPE;EXHAUST

desc: TUBULURE D'ECHAPPEMENT

1шт.

58

2124-1024D16

CLAMP;HOSE Ґх105~Ґх130

desc: COLLIER

1шт.

59

2204-9032

PRE-CLEANER

desc: PRE-CLEANER

1шт.

60

S0514653

BOLT M12X1.75X16

desc: BOULON A 6 PANS

4шт.

61

2114-1058D30

WASHER Ґх13.5XҐх36X2.9T

desc: RONDELLE PLATE

8шт.

62

65.09901-0004

GASKET

desc: JOINT

1шт.

63

2107-6003B

IDLE PULLEY ASS'Y

SERIAL: 53-102

1шт.

63

2107-6003C

IDLE PULLEY ASS'Y

SERIAL: 103

1шт.

64

2181-2690

ADAPTER

SERIAL: 53

1шт.

65

S0512053

BOLT M10X1.5X25

SERIAL: 103

4шт.

Выбрано товаров: 86