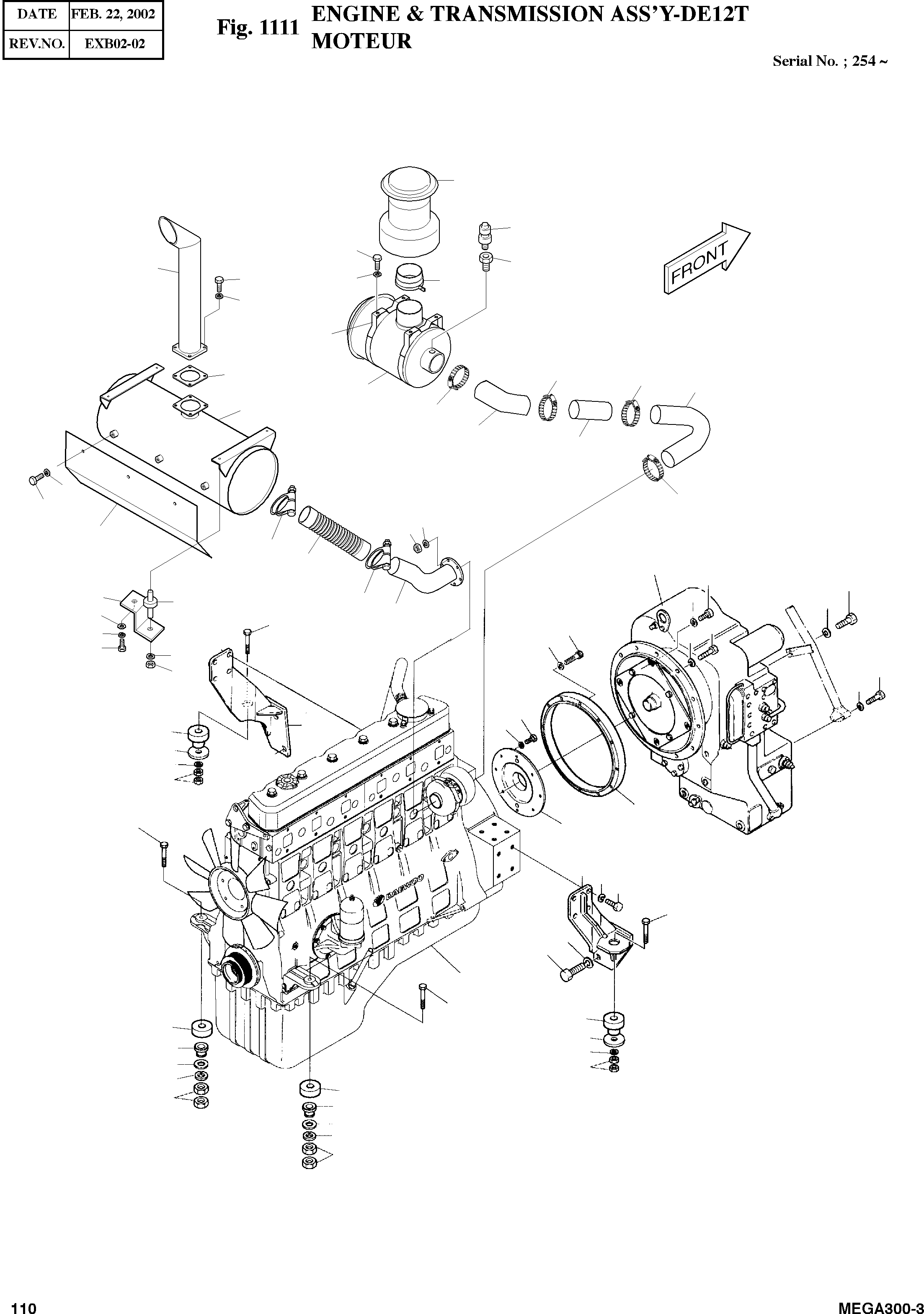
Запчасти Doosan Daewoo ENGINE & TRANSMISSION ASSY-DE12T BODY PARTS

16
25
44
17
26
27
50
37
8
57
19
46
19
60
23
24
19
20
21
45
18
44
37
48
43
41
28
2
52
56
53
7
32
11
41
42
10
40
29
38
8
37
39
9
13
54
12
55
36
6
37
14
15
32
31
4
30
3
5
35
34
29
32
33
1
30
14
58
15
14
32
15
31
32
58
31
14
15
32
31
FIT
1:1
100%

Артикул

Название

Примечание

Количество

-

4201-1095

ENGINE & TRANSMISSION ASS'Y

SERIAL: 254

-2шт.

1

4201-9087

ENGINE ASS'Y DE12T

desc: MOTEUR

1шт.

2

4210-9407B

TRANSMISSION ASS'Y

SERIAL: 254-294

1шт.

2

4210-9407C

TRANSMISSION ASS'Y

SERIAL: 295

1шт.

3

4114-4083B

FLANGE

desc: BRIDE

1шт.

4

4115-4002A

RING;ADAPTER

desc: BAGUE

1шт.

5

4197-1305

BRACKET ENGINE

desc: SUPPORT

1шт.

6

4197-1306

BRACKET ENGINE

desc: SUPPORT

1шт.

7

4197-1928A

BRACKET

desc: SUPPORT

4шт.

8

S5102703

WASHER;SPRING

desc: RONDELLE ELASTIQUE M12

8шт.

9

S0514953

BOLT M12X1.25X22

desc: BOULON A 6 PANS

4шт.

10

2114-1058D30

WASHER;PLAIN

desc: RONDELLE

4шт.

11

4161-2403

RUBBER;CUSHION

desc: CAOUTCHOUC

4шт.

12

S4012333

NUT

desc: ECROU M6X1.0

16шт.

13

S5010313

WASHER;PLAIN

desc: RONDELLE

8шт.

14

4161-9038

MOUNT;ENGINE

desc: CAOUTCHOUC

4шт.

15

4114-4057

WASHER

desc: RONDELLE

4шт.

16

2204-9032A

PRE-CLEANER

desc: PRE-CLEANER

1шт.

17

2181-2690

ADAPTER;FILTER

desc: ADAPTEUR

1шт.

18

2124-1024D16

CLAMP;HOSE

desc: COLLIER

1шт.

19

2124-1024D18

CLAMP;HOSE

desc: COLLIER

3шт.

20

4185-1789

HOSE;AIR

desc: TUYAU FLEXIBLE

1шт.

21

140-00022

PIPE

desc: CONDUITE

1шт.

23

2204-2012A

AIR CLEANER

desc: FILTRE A AIR

1шт.

24

4203-1728

MUFFLER

desc: SILENCIEUX

1шт.

25

2170-9005

INDICATOR;AIR CLEANER

desc: INDICATEUR

1шт.

26

4183-4555A

PIPE;TAIL

SERIAL: 254-270

1шт.

26

4183-4555B

PIPE;TAIL

SERIAL: 271-304

1шт.

26

4183-4555C

PIPE;TAIL

SERIAL: 305

1шт.

27

S0515253

BOLT M12X1.25X30

desc: BOULON A 6 PANS

4шт.

28

4193-9003

TUBE;FLEXIBLE

desc: CONDUITE

1шт.

29

S0571161

BOLT M20X1.5X115

desc: BOULON A 6 PANS

2шт.

30

S0571661

BOLT M20X1.5X150

desc: BOULON A 6 PANS

2шт.

31

S4013133

NUT

desc: ECROU

8шт.

32

S5103101

WASHER;SPRING

desc: RONDELLE ELASTIQUE M20

9шт.

33

S0527561

BOLT M20X1.25X45

desc: BOULON A 6 PANS

4шт.

34

S0718351

BOLT M14X1.5X35

desc: BOULON A 6 PANS

8шт.

35

S5102803

WASHER;SPRING

desc: RONDELLE ELASTIQUE M14

8шт.

36

S0512353

BOLT M10X1.25X35

desc: BOULON A 6 PANS

8шт.

37

S5102603

WASHER;SPRING

desc: RONDELLE ELASTIQUE M10

24шт.

38

S2212461

BOLT;SOCKET

desc: BOULON A 6 PANS CREUX

12шт.

39

S5110601

WASHER;SPRING

desc: RONDELLE ELASTIQUE M10

12шт.

40

S0558153

BOLT M10X1.25X30

desc: BOULON A 6 PANS

12шт.

41

4182-1671B

CLAMP;SEAL

desc: COLLECTEUR

2шт.

42

193-00013

PIPE;EXHAUST

desc: CONDUITE

1шт.

43

621-00033

PLATE;INSULATION

desc: PLAQUE

1шт.

44

S0511653

BOLT M10X1.5X16

desc: BOULON A 6 PANS M10X1.5X16

10шт.

45

S5010613

WASHER;PLAIN

desc: RONDELLE

6шт.

46

4180-4004

GASKET

desc: JOINT

1шт.

48

S4012633

NUT

desc: ECROU M10X1.5

6шт.

50

4204-4013B

PIPE;EXTENSION

SERIAL: 1-346

1шт.

50

4204-4013C

PIPE;EXTENSION

SERIAL: 347

1шт.

52

4120-4046

BOLT M8X1X45

desc: BOULON A 6 PANS CREUX

4шт.

53

4114-4085

WASHER

desc: RONDELLE

4шт.

54

S0556353

BOLT M8X1X50

desc: BOULON A 6 PANS

2шт.

55

S5102503

WASHER;SPRING

desc: RONDELLE ELASTIQUE M8

2шт.

56

S0527251

BOLT M20X1.5X30

desc: BOULON A 6 PANS

1шт.

57

2124-1552

BAND;AIR CLEANER

desc: COLLIER FILTRE A AIR

2шт.

58

4114-1941

SPACER

desc: BAGUE D'ECARTEMENT

2шт.

60

4185-1615

HOSE;AIR

desc: TUYAU FLEXIBLE

1шт.

Выбрано товаров: 60