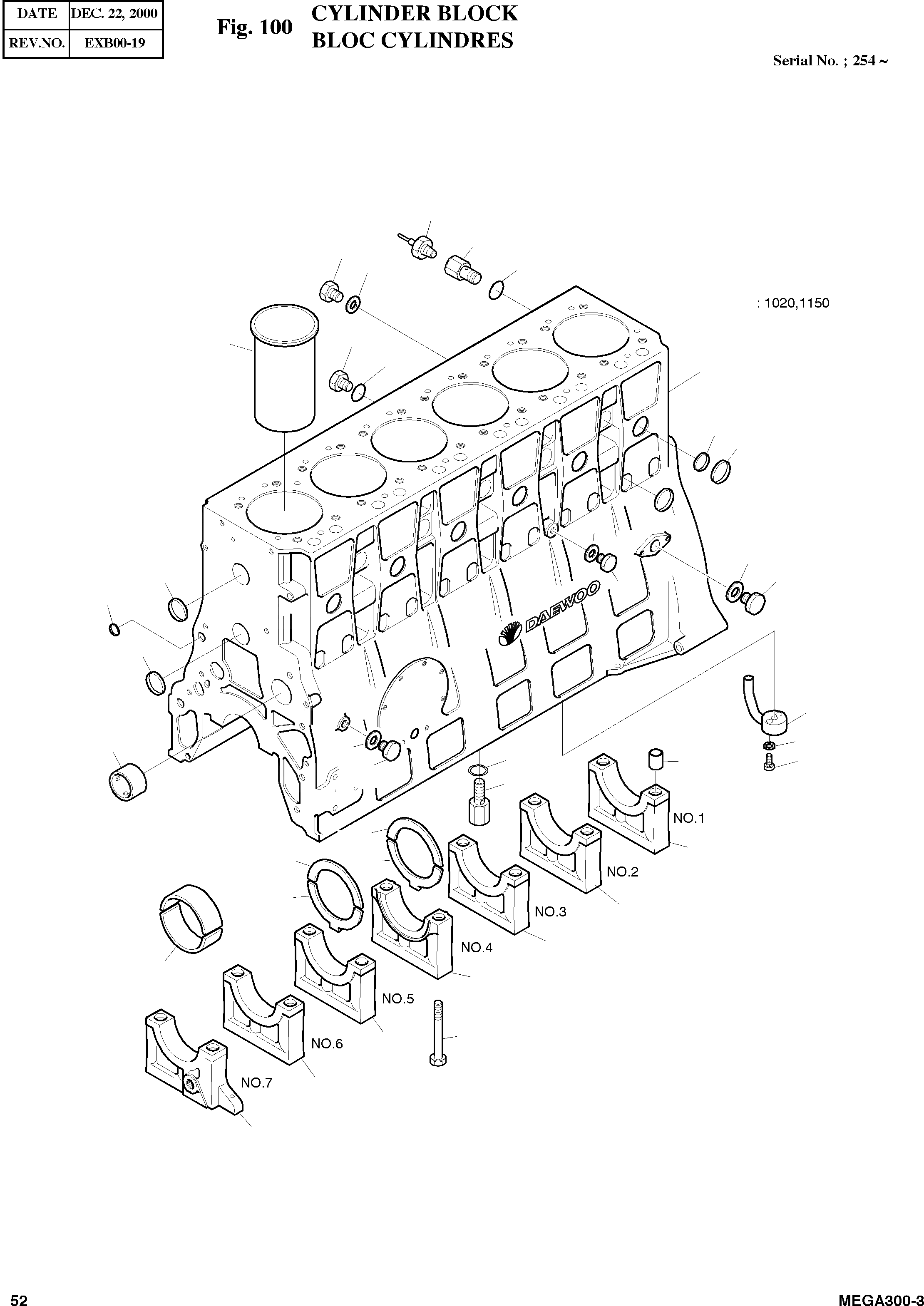
Запчасти Doosan Daewoo CYLINDER BLOCK ENGINE PARTS

1460
1450
1240
1250
1220
1230
1300
1050
1190
1050
1030
1270
1260
1170
1170
1180
1180
1160
1060
1120
1080
1150
1100
1080
1120
1120
1140
1420
1430
2070
2010
1360
1290
1280
1200
1050
1210
1050
1040
1440
1020
1010
FIT
1:1
100%

Артикул

Название

Примечание

Количество

1010

65.01101-6834B

CYLINDER BLOCK ASS'Y

SERIAL: 991011

1шт.

1010

65.01101-6212

CYLINDER BLOCK ASS'Y

SERIAL: 991012

1шт.

1020

65.01101-0390A

BLOCK;CYLINDER

SC: D

1шт.

1020

65.01101-0212

BLOCK;CYLINDER

SC: D

1шт.

1030

65.04410-0016

BUSH;CAM SHAFT

desc: . DOUILLE

4шт.

1040

65.90302-0048

PLUG;CORE 25

desc: . BOUCHON DE DESSABLAGE 25

6шт.

1050

06.15091-0326

PLUG;CORE HOLE B40D

desc: . BOUCHON DE CHEMISE D'EAU B40D

15шт.

1060

65.01105-1157G

BEARING;CAP NO7

SC: D

1шт.

1080

65.01105-1158F

BEARING;CAP NO3.5

SC: D

2шт.

1100

65.01105-1159F

BEARING;CAP THRUST

SC: D

1шт.

1120

65.01105-1161A

BEARING;CAP NO1.2.6

SC: D

3шт.

1140

65.91710-0035

RING;LOCATING

desc: . BAGUE DE CENTRAGE

14шт.

1150

65.90020-0036B

BOLT;BEARING CAP

desc: . VIS DE CHAPEAU DE PALIER

14шт.

1160

65.01110-6055

BEARING;MAIN STD

SERIAL: 000322

7шт.

1160

65.01110-6055A

BEARING;MAIN STD

SERIAL: 000323

7шт.

1160

65.01110-6068A

METAL;MAIN 0.25

SC: US

7шт.

1160

65.01110-6069A

METAL;MAIN 0.50

SC: US

7шт.

1160

65.01110-6070A

METAL;MAIN 0.75

SC: US

7шт.

1170

65.01150-0017

WASHER;THRUST(UPPER) STD

SERIAL: 000322

2шт.

1170

65.01150-0017A

WASHER;THRUST(UPPER) STD

SERIAL: 000323

2шт.

1170

65.01150-0048A

WASHER;THRUST(UPR.) 0.25

SC: OS

2шт.

1170

65.01150-0049A

WASHER;THRUST(UPR.) 0.50

SC: OS

2шт.

1180

65.01150-0018

WASHER;THRUST(LOWER) STD

SERIAL: 000322

2шт.

1180

65.01150-0018B

WASHER;THRUST(LOWER) STD

SERIAL: 000323

2шт.

1180

65.01150-0052B

WASHER;THRUST(LOW.) 0.25

SC: OS

2шт.

1180

65.01150-0053B

WASHER;THRUST(LOW.) 0.50

SC: OS

2шт.

1190

65.91606-0041

PLUG;CORE HOLE

desc: BOUCHON

2шт.

1200

65.90310-0137

SCREW;PLUG A16X1.5

desc: BOUCHON FILETE

1шт.

1210

06.56190-0708

RING;SEAL A16X20

desc: BAGUE D'ETANCHEITE

1шт.

1220

65.90310-0136

SCREW;PLUG M22X1.5

desc: BOUCHON A VIS

1шт.

1230

06.56190-0718

RING;SEAL A22X27

desc: BAGUE D'ETANCHEITE

1шт.

1240

06.08092-2403

PLUG SCREW AM12X1.5

desc: BOUCHON

1шт.

1250

06.56190-0703

SEAL RING A12X16

desc: JOINT

1шт.

1260

65.90310-0131

SCREW;PLUG

desc: BOUCHON A VIS

1шт.

1270

06.56190-0712

RING;SEAL

desc: BAGUE D'ETANCHEITE

1шт.

1280

65.90310-0149A

SCREW.PLUG(M26X1.5)

desc: BOUCHON A VIS

1шт.

1290

06.56190-0726

SEAL RING 26X31

desc: BAGUE D'ETANCHEITE

1шт.

1300

65.01201-0072

LINER;CYLINDER

desc: CHEMISE DE CYLINDRE

6шт.

1360

65.01601-6002

OIL SPRAY ROZZLE

desc: INJECTEUR D'HUILE

6шт.

1420

65.90001-0126

BOLT.HEX

desc: BOULON A 6 PANS

12шт.

1430

06.16044-0208

WASHER.SP B6

desc: RONDELLE ELASTIQUE

12шт.

1440

06.56190-0704

RING;SEAL A12X18

desc: BAGUE D'ETANCHEITE A16X20

2шт.

1450

65.98150-0002

ADAPTER

desc: RACCORD ADAPTATEUR

1шт.

1460

65.27441-7007

SWITCH;OIL PRESSURE

desc: CONTACTEUR PRESSION D'HUILE

1шт.

2010

65.05405-7021

RELIEF VALVE ASS'Y

desc: VANNE

1шт.

2070

06.56190-0704

RING;SEAL A12X18

desc: BAGUE D'ETANCHEITE A16X20

1шт.

Выбрано товаров: 46