Запчасти Doosan Daewoo LOG GRAPPLE PIPING FRONT PARTS

6
2
7
8
19
7
18
22
11
1
17
7
6
6
7
7
6
6
10
10
7
10
5
11
4
6
9
21
7
14
20
13
3
6
12
7
16
9
15
FIT
1:1
100%

Артикул

Название

Примечание

Количество

-

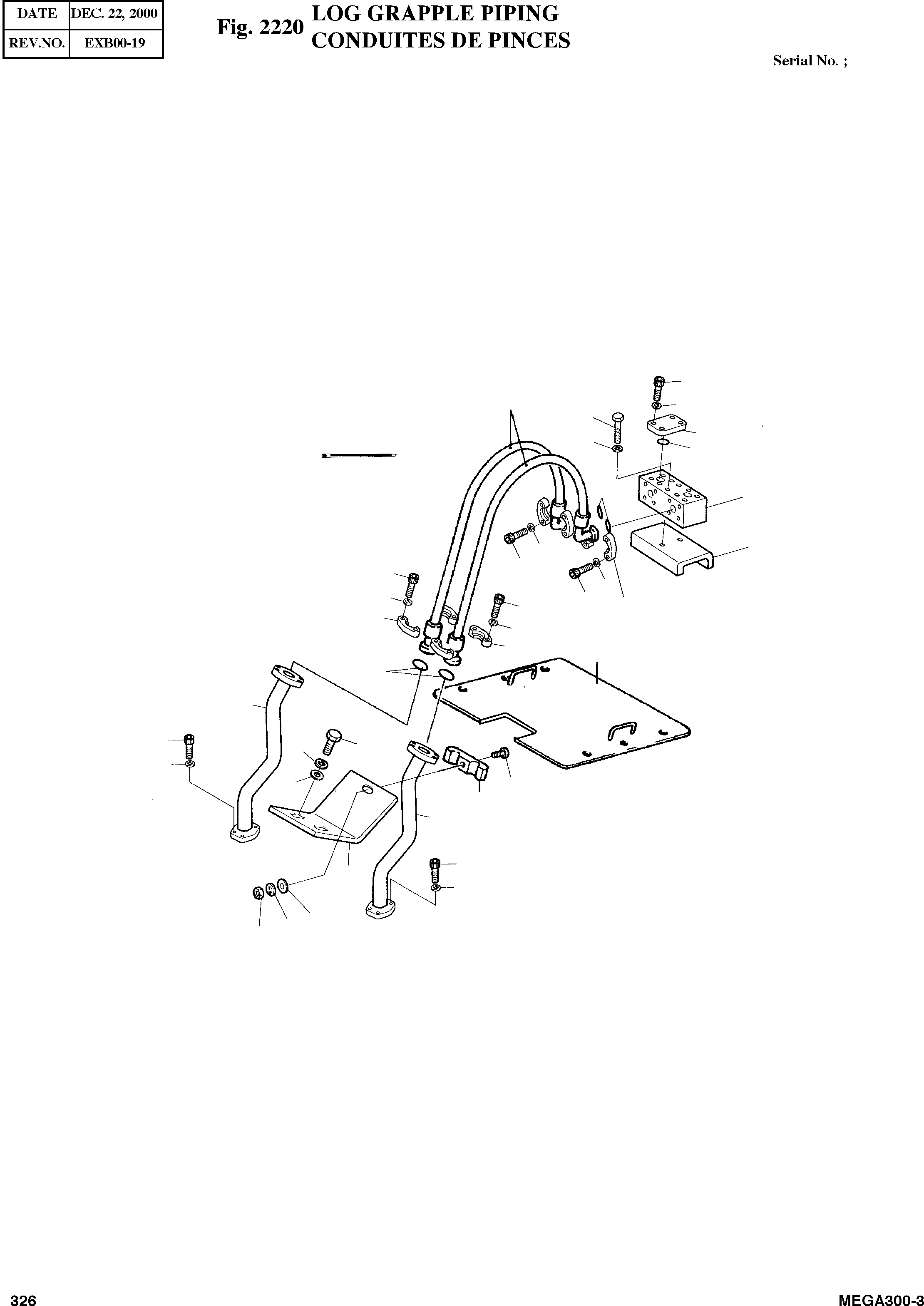
4400-1788

LOG GRAPPLE PIPING ASS'Y

SERIAL: 1-280

-2шт.

-

400-00139

LOG GRAPPLE PIPING ASS'Y

SERIAL: 281

-2шт.

1

4423-1272A

BLOCK

SERIAL: 1-236

1шт.

1

4423-1272C

BLOCK

SERIAL: 237

1шт.

2

2184-1094D11

HOSE 2-1"-5000psi-2500L

desc: TUYAU FLEXIBLE

2шт.

3

4140-1263

PIPE(R.H.)

SERIAL: 1-280

1шт.

3

140-00123

PIPE(R.H.)

SERIAL: 281-336

1шт.

3

140-00123A

PIPE(R.H.)

SERIAL: 337

1шт.

4

4140-1262

PIPE(L.H.)

SERIAL: 1-280

1шт.

4

140-00122

PIPE(L.H.)

SERIAL: 281-336

1шт.

4

140-00122A

PIPE(L.H.)

SERIAL: 337

1шт.

5

4621-3648

COVER;OPTION

SERIAL: 1-236

1шт.

5

4621-3648A

COVER;OPTION

SERIAL: 237

1шт.

6

S2212261

BOLT;SOCKET M10X1.5X30

desc: BOULON A 6 PANS CREUX

32шт.

7

S5102603

WASHER;SPRING M10

desc: RONDELLE ELASTIQUE

32шт.

8

S0562353

BOLT M12X1.75X130

SERIAL: 1-236

2шт.

8

S0561953

BOLT M12X1.75X110

SERIAL: 237

2шт.

9

S5102703

WASHER;SPRING M12

SERIAL: 1-236

3шт.

9

S5102703

WASHER;SPRING M12

SERIAL: 237

5шт.

10

2181-9078

FLANGE

desc: COLLIER A BRIDE

8шт.

11

2180-1026D19

O-RING SAE 1"

desc: JOINT TORIQUE

4шт.

12

4197-1106

BRACKET

SERIAL: 1-236

1шт.

12

4197-1106A

BRACKET

SERIAL: 237

1шт.

13

2124-1025D5

CLAMP;PIPE

desc: ATTACHE DE TUYAU

1шт.

14

S0561053

BOLT M12X1.75X65

desc: BOULON A 6 PANS

1шт.

15

S4012733

NUT M12X1.75

desc: ECROU

1шт.

16

S5010713

WASHER;PLAIN M12

desc: RONDELLE PLATE

1шт.

17

4195-3279

BRACKET

desc: SUPPORT

1шт.

18

2180-1026D12

O-RING

desc: JOINT TORIQUE

2шт.

19

4403-1068

COVER

SERIAL: 1-236

2шт.

19

4403-1068A

COVER

SERIAL: 237

2шт.

20

2114-1058D30

WASHER

SERIAL: 237

2шт.

21

S0515053

BOLT M12X1.75X25

SERIAL: 237

2шт.

22

2124-1084D3

CLIP;BAND

SERIAL: 237

5шт.

Выбрано товаров: 34