Запчасти Doosan Daewoo STEER UNIT HYDRAULIC PARTS

29
26A
27
32
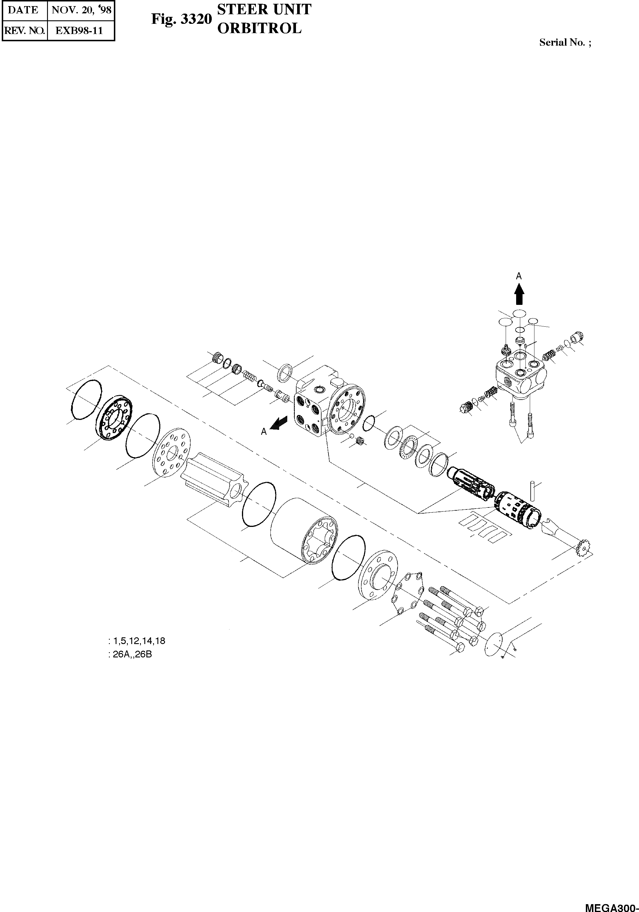
1
31
30
29
24
5
2
30
31
32
12
6
3
7
28
4
13
14
8
15
2
14
9
10
16
14
21
22
17
23
18
25
26B
26
20
3
FIT
1:1
100%

Артикул

Название

Примечание

Количество

-

4420-9374

UNIT;STEERING(150-7284)

desc: UNITE

1шт.

|$2

150-8106

UNIT;STEERING(1-24)

desc: UNITE

1шт.

1

633B9002

RING;DUST SEAL

desc: . BAGUE DE SOUTIEN

1шт.

2

-

HOUSING SPOOL & SLEEVE

desc: . BOITIER

1шт.

3

689X1031

BALL Ґх8.5mm

desc: . BILLE

1шт.

4

150-0304

BUSHING;THREAD

desc: . DOUILLE

1шт.

5

150N4014

O-RING/ROTO GLYD

desc: . JOINT TORIQUE

1шт.

6

150-4262

BEARING ASS'Y

desc: . PALIER

1шт.

7

150-0310

RING

desc: . BAGUE

1шт.

8

150-0305

PIN;CROSS

desc: . GOUPILLE FENDUE

1шт.

9

150N4018

SET OF SPRINGS

desc: . VIS DE REGLAGE

1шт.

10

150-0844

CARDON SHAFT

desc: . TOURNEVIS EN CROIX

1шт.

12

633B1202

O-RING

desc: . JOINT TORIQUE

1шт.

13

150-1591

TERMEDIATE PLATE

desc: . INTERMEDIATE PLATE

1шт.

14

633B1173

O-RING

desc: . JOINT TORIQUE

3шт.

15

150N0610

DISTRIBUTOR PLATE

desc: . PLAQUE

1шт.

16

150-4197

GEARWHEEL SET

desc: . PIGNON PRINCIPAL

1шт.

17

150-0328

COVER;END

desc: . COUVERCLE

1шт.

18

684X2481

WASHER

desc: . RONDELLE PLATE

7шт.

20

150-1582

SCREW WITH PIN

desc: . VIS

1шт.

21

681X1489

SCREW

desc: . VIS

6шт.

22

150A0000

PLATE;NAME

desc: . PLAQUE SIGNALETIQUES

1шт.

23

681Z1011

SCREW;DRIVE

desc: . VIS

2шт.

24

150-4281

RELIEF VALVE

desc: . CLAPET DE DECHARGE

1шт.

25

150N4020

SPARE KIT

desc: VIS DE REGLAGE

1шт.

|$26

152-1134

VALVE;BLOCK(26-32)

desc: VANNE

1шт.

26

152-4066

SET OF O-RING

desc: . VIS DE REGLAGE

1шт.

26A

152-4066

O-RING

SC: D

2шт.

26B

152-4066

O-RING

SC: D

2шт.

27

682L3024

ROLLED PIN

desc: . GALET

1шт.

28

681X1625

SCREW

desc: . VIS

2шт.

29

155L1162

VALVE;SHOCK

desc: . VANNE

2шт.

30

115L1358

SPRING

desc: . RESSORT

1шт.

31

633B1813

O-RING

desc: . JOINT TORIQUE

2шт.

32

155L1369

PLUG

desc: . BOUCHON

2шт.

Выбрано товаров: 35