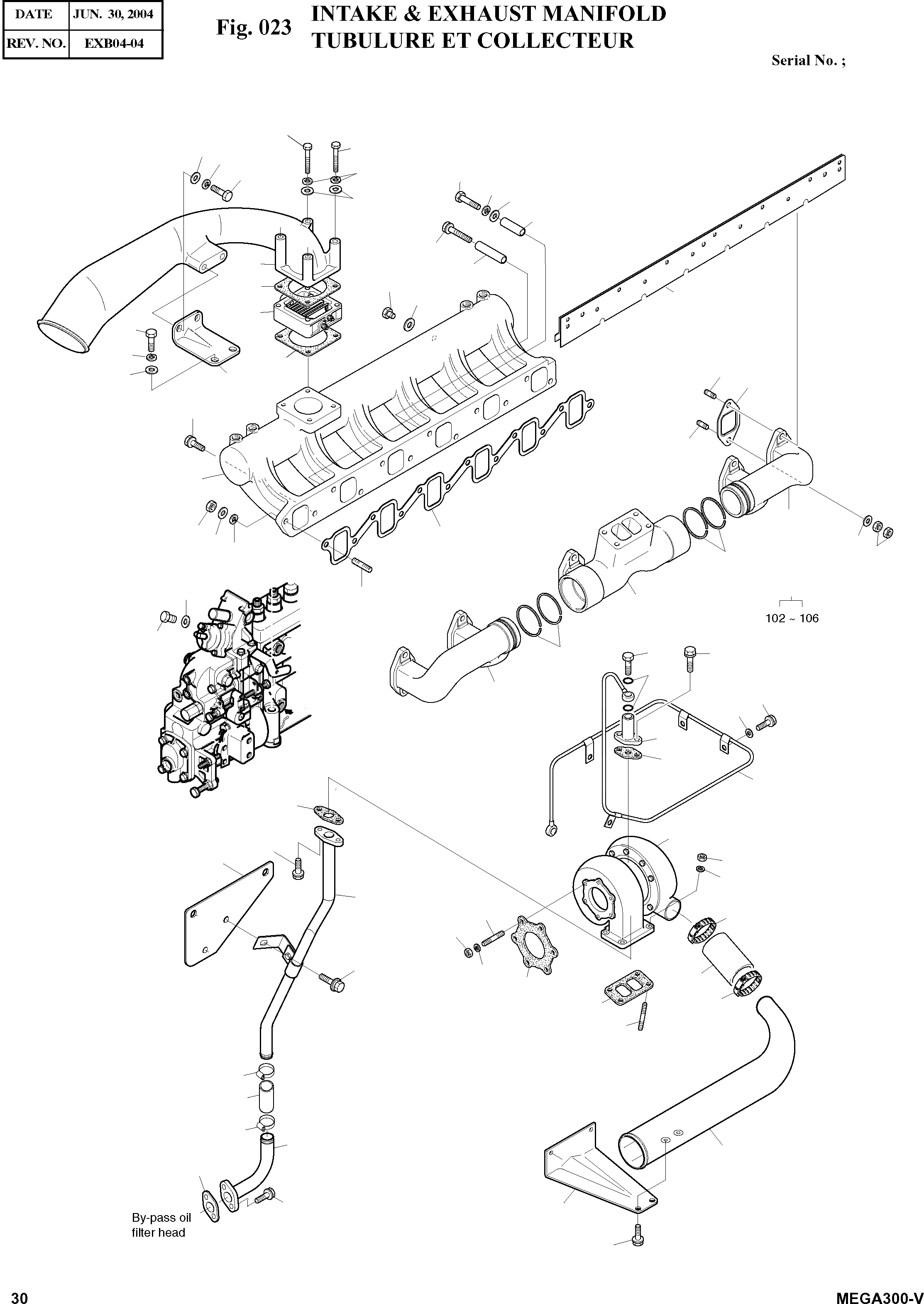
Запчасти Doosan Daewoo INTAKE & EXHAUST MANIFOLD ENGINE PARTS

405A
405A
405B
405B
407
406
409
211
405
212
213
408
209
210
401
208
206
403
115
207
402
405
403
108
404
107
205
109
201
105
215
204
111
213
212
110
106
101
207
214
103
206
313
312
106
314
102
308
309
310
311
307
322
301
316
317
114
113
315
304
413
306
318
305
412
303
413
302
112
320
319
320
321
410
324
323
414
415
FIT
1:1
100%

Артикул

Название

Примечание

Количество

101

65.08100-6059

EXHAUST MANIFOLD ASS'Y

desc: COLLECTEUR

1шт.

102

65.08101-0181A

MANIFOLD;EXHAUST(FRONT)

desc: . COLLECTEUR

1шт.

103

65.08101-0525

MANIFOLD;EXHAUST(CENTER)

desc: . COLLECTEUR

1шт.

105

65.08101-0183A

MANIFOLD;EXHAUST(REAR)

desc: . COLLECTEUR

1шт.

106

65.08105-0001

RING

desc: . BAGUE D'ETANCHEITE

4шт.

107

65.08901A0012

GASKET

desc: JOINT DE COLLECTEUR D'ECHAPPEMENT

6шт.

108

65.90201-0094

BOLT;STUD

desc: GOUJON

6шт.

109

65.90201-0154

BOLT;STUD

desc: GOUJON

6шт.

110

06.11063-8215

NUT;HEX

desc: ECROU

22шт.

111

06.15010-2312

WASHER;PLAIN

desc: RONDELLE

12шт.

112

06.06226-0808

BOLT;STUD M10X30

SERIAL: 030115

4шт.

112

65.90201-6076

BOLT;STUD M10X30

SERIAL: 030116

4шт.

113

06.16731-2108

WASHER;SPRING

SERIAL: 030115

4шт.

113

65.90535-0001

WASHER;SPRING

SERIAL: 030116

4шт.

114

06.11063-8215

NUT;HEX

desc: ECROU

4шт.

115

65.08120-5008F

SCREEN;HEAT

SERIAL: 030507

1шт.

115

65.08120-5008G

SCREEN;HEAT

SERIAL: 030508

1шт.

201

65.08201-5057

MANIFOLD;INTAKE

desc: COLLECTEUR

1шт.

204

65.08902-0025

GASKET;INTAKE MANIFOLD

desc: JOINT

1шт.

205

06.01923-3218

BOLT ASS'Y M10X35

desc: BOULON A 6 PANS

8шт.

206

65.90310-0033

PLUG;SCREW

desc: BOUCHON FILETE

2шт.

207

06.56180-0714

RING;SEAL

desc: BAGUE D'ETANCHEITE

2шт.

208

65.91701-0470

SPACER

desc: BAGUE D'ECARTEMENT

1шт.

209

65.91701-0533

SPACER 44L

desc: BAGUE D'ECARTEMENT

1шт.

210

06.01913-3234

BOLT ASS'Y M10X130

desc: BOULON A 6 PANS

1шт.

211

06.01013-9221

BOLT;HEX. M10X80

desc: BOULON 6 PANS CREUX M10x80

1шт.

212

06.16731-2108

WASHER;SPRING

desc: RONDELLE

3шт.

213

06.15010-2312

WASHER;PLAIN

desc: RONDELLE

3шт.

214

65.90201-0080

BOLT;STUD

desc: GOUJON

2шт.

215

06.11063-8215

NUT;HEX

desc: ECROU

2шт.

301

65.09100-7065

TURBO CHARGER ASS'Y

desc: CHARGEUR DE TURBO

1шт.

302

65.09901-0025

GASKET;TURBO CHARGER

SERIAL: 040305

1шт.

302

65.09901-0033

GASKET;TURBO CHARGER

SERIAL: 040306

1шт.

303

65.08901-0063

GASKET;EXHAUST MANIFOLD

desc: JOINT

1шт.

304

65.90201-0181

BOLT;STUD

desc: GOUJON

6шт.

305

06.16731-2108

WASHER;SPRING

desc: RONDELLE

6шт.

306

06.11063-8215

NUT;HEX

desc: ECROU

6шт.

307

65.05701-5652

OIL PIPE ASS'Y

desc: TUYAU D'HUILE

1шт.

308

06.01943-3317

BOLT ASS'Y M12X1.5X30

desc: BOULON A 6 PANS

2шт.

309

06.15010-2313

WASHER;PLAIN

desc: RONDELLE 13

2шт.

310

65.98131-5008

ADAPTER;FLANGE

desc: BRIDE

1шт.

311

65.96601-0046A

GASKET

desc: JOINT

1шт.

312

06.01913-3113

BOLT ASS'Y M8X20

desc: BOULON A 6 PANS

2шт.

313

06.78144-2403

SCREW;HOLLOW

desc: VIS CREUSE

1шт.

314

06.56180-0714

RING;SEAL

desc: BAGUE D'ETANCHEITE

2шт.

315

65.05701-5653A

PIPE;OIL

desc: TUYAU D'HUILE

1шт.

316

06.01913-3114

BOLT ASS'Y M8X22

desc: BOULON A 6 PANS

2шт.

317

65.05740-5002

BRACKET;OIL PIPE

desc: SUPPORT

1шт.

318

06.01923-3114

BOLT ASS'Y M8X22

desc: BOULON A 6 PANS

1шт.

319

65.96301-0327

HOSE;RUBBER

SERIAL: 040216

1шт.

319

65.96301-0327A

HOSE;RUBBER

SERIAL: 040217

1шт.

320

06.67020-0106

CLAMP;HOSE

desc: COLLIER

2шт.

321

65.05701-5654

PIPE;OIL

desc: TUYAU D'HUILE

1шт.

322

65.96601-0045A

GASKET

desc: JOINT

1шт.

323

06.01913-3114

BOLT ASS'Y M8X22

desc: BOULON A 6 PANS

2шт.

324

65.05903-0030A

GASKET;OIL RETURN PIPE

desc: JOINT

1шт.

401

65.08202-5053

STAKE;INTAKE

desc: COLLECTEUR

1шт.

402

65.26803-7028

HEATER;AIR

SERIAL: 040128

1шт.

402

65.26803-7028A

HEATER;AIR

SERIAL: 040129

1шт.

403

65.09904-0008

GASKET;AIR PIPE

desc: JOINT

2шт.

404

65.08240-0019

BRACKET;INTAKE STAKE

desc: SUPPORT

1шт.

405

06.01733-4309

BOLT M12X1.5X25

desc: BOULON A 6 PANS

4шт.

405A

06.15010-2313

WASHER;PLAIN

desc: RONDELLE 13

4шт.

405B

06.16731-2109

WASHER;SPRING

desc: RONDELLE ELASTIQUE

4шт.

406

06.01013-9127

BOLT M8X120

desc: BOULON A 6 PANS

2шт.

407

06.01013-9128

BOLT M8X130

desc: BOULON A 6 PANS

2шт.

408

06.15010-2311

WASHER

desc: RONDELLE

4шт.

409

06.16731-2107

WASHER;SPRING

desc: RONDELLE ELASTIQUE

4шт.

410

65.09411-5037

INLET

desc: PRISE

1шт.

412

65.96301-0268

HOSE D65X90

desc: TUYAU

1шт.

413

06.67020-0112

CLAMP;HOSE

desc: COLLIER A DURITE NWS5748

2шт.

414

65.09440-0007

BRACKET

desc: SUPPORT

1шт.

415

06.01923-3215

BOLT ASS'Y M10X25

desc: BOULON A 6 PANS

2шт.

Выбрано товаров: 73