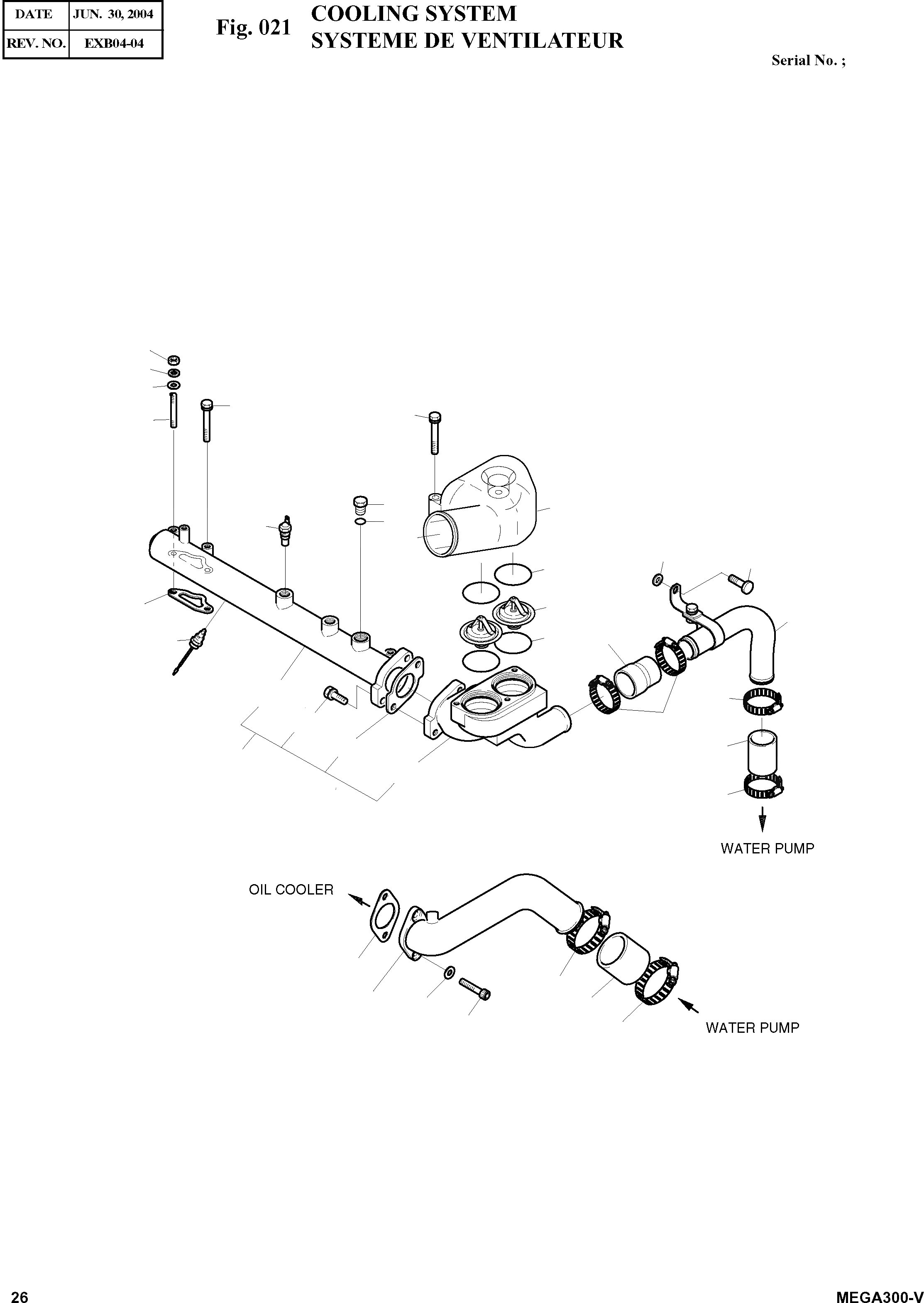
Запчасти Doosan Daewoo COOLING SYSTEM ENGINE PARTS

112
111
110
108
114
109
134
113
135
136
116
117
202
201
107
115
203
118
140
102
121
106
119
105
120
101
103
121
123
127
122
126
125
124
127
FIT
1:1
100%

Артикул

Название

Примечание

Количество

101

65.06301-6054A

COOLING WATER PIPE ASS'Y

SERIAL: 040827

1шт.

101

65.06301-6084

COOLING WATER PIPE ASS'Y

SERIAL: 040828

1шт.

102

65.06301-0671A

PIPE;COOLING WATER

SERIAL: 040827

1шт.

102

65.06301-0240

PIPE;COOLING WATER

SERIAL: 040828

1шт.

103

65.06404-0021B

HOUSING;THERMOSTAT

desc: . CARTER

1шт.

105

65.06903-0021

GASKET

desc: . JOINT

1шт.

106

06.01923-3218

BOLT ASS'Y M10X35

desc: . BOULON A 6 PANS

2шт.

107

65.06903-0018

GASKET;COOLING WATER PIPE

SERIAL: 040827

2шт.

107

65.06903-0028

GASKET;COOLING WATER PIPE

SERIAL: 040828

2шт.

108

06.01923-3124

BOLT ASS'Y M8X65

desc: BOULON A 6 PANS

2шт.

109

65.90201-0064

BOLT;STUD M8X60

desc: GOUJON

2шт.

110

06.15010-2311

WASHER

desc: RONDELLE

2шт.

111

06.16731-2107

WASHER;SPRING

desc: RONDELLE ELASTIQUE

2шт.

112

06.11063-8214

NUT;HEX

desc: ECROU 6 PANS M8

2шт.

113

65.06405-0028

OUTLET;WATER

desc: SORTIE

1шт.

114

06.01923-3124

BOLT ASS'Y M8X65

desc: BOULON A 6 PANS

3шт.

115

65.06301-6037B

PIPE;COOLING WATER

desc: CONDUITE

1шт.

116

65.90710-0019

WASHER

desc: RONDELLE

1шт.

117

06.01923-3218

BOLT ASS'Y M10X35

desc: BOULON A 6 PANS

1шт.

118

65.96301-0204B

HOSE;RUBBER

desc: TUYAU

1шт.

119

06.67020-0108

CLAMP;HOSE

desc: COLLIER

2шт.

120

04.27405-1506

HOSE;RUBBER

desc: TUYAU

1шт.

121

06.67020-0108

CLAMP;HOSE

desc: COLLIER

2шт.

122

65.06301-0675

PIPE;COOLING WATER

desc: CONDUITE

1шт.

123

65.06903-0020

GASKET

desc: JOINT

1шт.

124

06.02090-0513

BOLT;SOCKET

desc: BOULON 6 PANS M10x20

2шт.

125

06.15010-2312

WASHER;PLAIN

desc: RONDELLE

2шт.

126

65.96301-0205A

HOSE;RUBBER

desc: TUYAU

1шт.

127

06.67020-0110

CLAMP;HOSE

desc: COLLIER

2шт.

134

06.08092-2408

SCREW;PLUG

desc: BOUCHON FILETE

1шт.

135

06.56190-0728

RING;SEAL

desc: BAGUE D'ETANCHEITE

1шт.

136

66.27435-6008

SWITCH;THERMOSTAT

desc: INTERRUPTEUR

1шт.

140

65.27435-6003

SWITCH;WATER TEMP

desc: CONTACTEUR

1шт.

201

51.06402-0062

THERMOSTAT 71C

desc: THERMOSTAT

2шт.

202

06.56342-1208

O-RING

desc: JOINT TORIQUE

2шт.

203

65.06901A0069

GASKET

desc: JOINT

2шт.

Выбрано товаров: 36