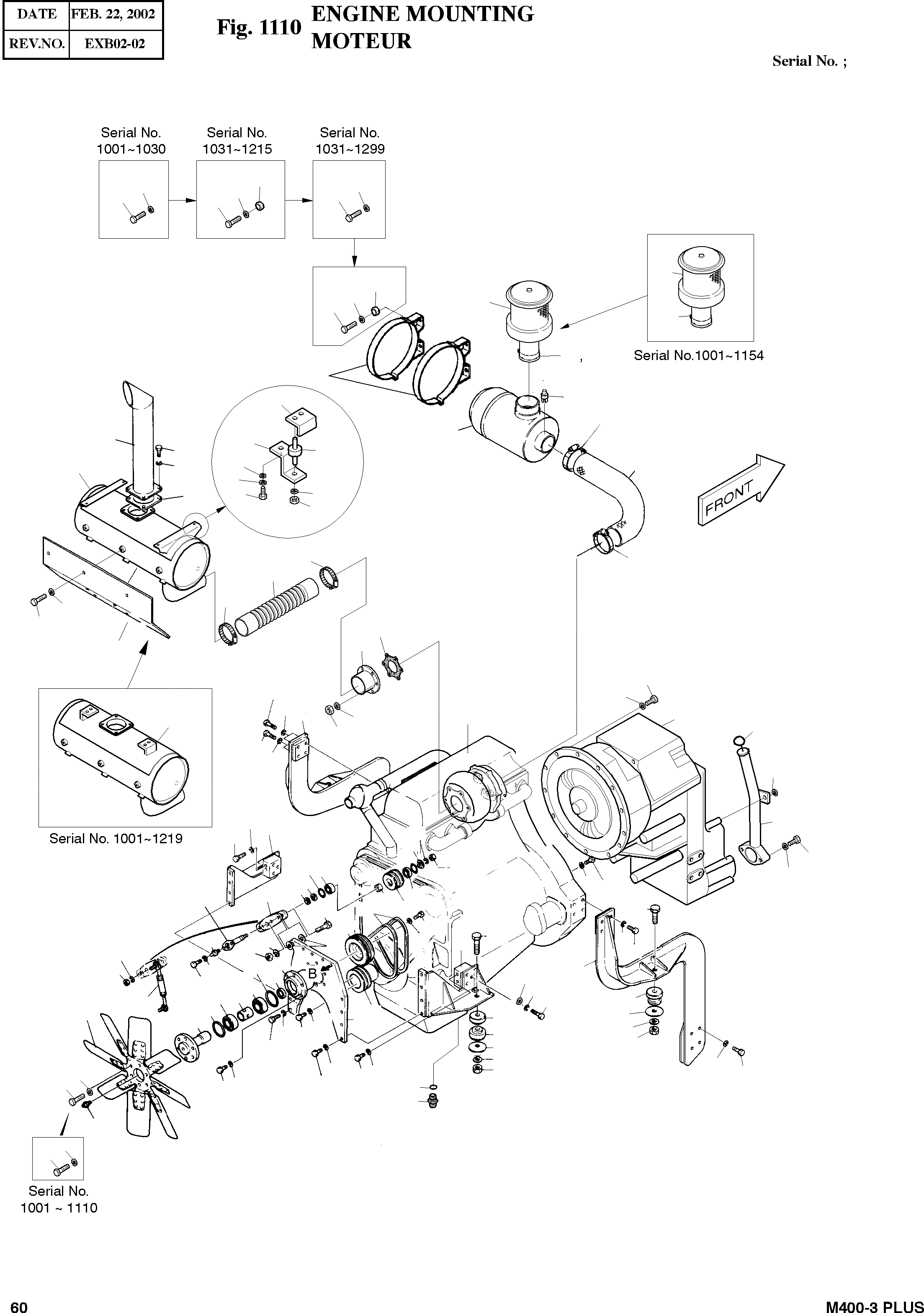
Запчасти Doosan Daewoo ENGINE MOUNTING BODY PARTS

97
55
55
55
52
53
52
84
99
55
86
53
85
87
75
10
43
8
45
9
40
70
69
72
44
8
67
67
96
71
39
47
42
46
41
42
95
94
37
38
93
52
63
55
62
4
2
1
8
55
36
66
61
62
55
26
78
6
62
81
18
16
48
16
15
56
75
20
54
53
19
15
11
17
13
14
50
83
73
27
79
51
62
80
55
74
5
21
57
78
33
3
77
67
98
31
76
29
78
32
29
81
24
12
30
35
34
25
22
7
28
55
58
22
62
49
57
88
23
60
65
62
89
59
64
55
78
88
82
55
91
52
90
80
56
82
61
68
30
FIT
1:1
100%

Артикул

Название

Примечание

Количество

-

4201-1082

ENGINE TRANSMISSION ASS'Y

SC: D

-2шт.

1

4201-9073

ENGINE ASS'Y DE12TI

desc: MOTEUR

1шт.

2

4210-9010A

TRANSMISSION

SERIAL: 1001-1065

1шт.

2

4210-9010B

TRANSMISSION

SERIAL: 1066

1шт.

3

4197-1926A

BRACKET(RH)

desc: SUPPORT

1шт.

4

4197-1927A

BRACKET(LH)

desc: SUPPORT

1шт.

5

4197-1924A

BRACKET(RH)

desc: SUPPORT

1шт.

6

4197-1925A

BRACKET(LH)

SERIAL: 1001-1007

1шт.

6

4197-1925B

BRACKET(LH)

SERIAL: 1008

1шт.

7

4197-1930

PLATE

desc: SUPPORT

1шт.

8

4203-1703

MUFFLER

SERIAL: 1001-1017

1шт.

8

4203-1703A

MUFFLER

SERIAL: 1018-1215

1шт.

8

4203-1703B

MUFFLER

SERIAL: 1216-1219

1шт.

8

203-00029

MUFFLER

SERIAL: 1220

1шт.

9

4204-9403

AIR-CLEANER

SERIAL: 1001-1215

1шт.

9

204-00007

AIR-CLEANER

SERIAL: 1216

1шт.

9A

4474-9048

ELEMENT;OUTER

SERIAL: 1001-1215

1шт.

9A

474-00006

ELEMENT;OUTER

SERIAL: 1216

1шт.

9B

4474-9049

ELEMENT;INNER

SERIAL: 1001-1215

1шт.

9B

474-00007

ELEMENT;INNER

SERIAL: 1216

1шт.

10

4204-9405

BAND;AIR CLEANER

SERIAL: 1001-1215

2шт.

10

124-00024

BAND;AIR CLEANER

SERIAL: 1216

2шт.

11

4195-4394A

LEVER

desc: LEVIER

1шт.

12

4155-6007A

ADJUSTING LINK

desc: PIECE DE JONCTION

1шт.

13

4112-4009B

PIN;WELDMENT

desc: BROUCH

1шт.

14

4107-4002

PULLEY;JOCKEY

desc: POULIE

1шт.

15

S6001050

BEARING 25X47X12

desc: PALIER

2шт.

16

S6510470

RING;RETAINING

desc: BAGUE DE RETENUE

2шт.

17

4114-4046

SPACER

desc: BAGUE D'ECARTEMENT

1шт.

18

4114-4042

SPACER

desc: BAGUE D'ECARTEMENT

1шт.

19

4114-4045

SPACER

desc: BAGUE D'ECARTEMENT

1шт.

20

4114-4044

SHIM

desc: CALE

1шт.

21

4114-4043

WASHER

desc: RONDELLE

2шт.

22

4161-9037

MOUNTING;ENGINE

desc: CAOUTCHOUC

4шт.

23

4114-4017

WASHER

desc: RONDELLE

2шт.

24

4161-9038

MOUNTING;ENGINE

desc: CAOUTCHOUC

2шт.

25

4114-4057

WASHER

desc: RONDELLE

2шт.

26

4182-1679

PIPE;FILLER

SERIAL: 1001-1007

1шт.

26

4182-1679A

PIPE;FILLER

SERIAL: 1008

1шт.

27

4107-1033

PULLEY

desc: POULIE

1шт.

28

4123-2326

PIN

SERIAL: 1001-1198

1шт.

28

4123-2326A

PIN

SERIAL: 1199

1шт.

29

S6003110

BEARING 55X100X21

desc: PALIER

2шт.

30

S6511000

RING;RETANINIG

desc: BAGUE DE RETENUE

2шт.

31

4114-1906

SPACER

desc: BAGUE

1шт.

32

4114-1907

SPACER

desc: BAGUE

1шт.

33

4402-1043

HOUSING

desc: CARTER

1шт.

34

4920-9045

FAN(8 BLADE)

desc: VENTILATEUR

1шт.

35

4107-1031A

PULLEY

desc: POULIE

1шт.

36

4187-9002

DIPSTICK

SERIAL: 1001-1300

1шт.

36

187-00008

DIPSTICK

SERIAL: 1301

1шт.

37

65.09901-0015

GASKET

desc: JOINT

1шт.

38

4182-1672

PIPE;EXHAUST

desc: TUYAU

1шт.

39

4180-4004

GASKET

desc: JOINT

1шт.

40

4183-4555A

PIPE;TAIL

SERIAL: 1001-1191

1шт.

40

4183-4555B

PIPE;TAIL

SERIAL: 1192-1210

1шт.

40

4183-4555C

PIPE;TAIL

SERIAL: 1211

1шт.

41

4193-9003

TUBE;FLEXIBLE

desc: CONDUITE

1шт.

42

4182-1671

PIPE;CLAMP

SERIAL: 1001-1017

2шт.

42

4182-1671A

PIPE;CLAMP

SERIAL: 1018-1110

2шт.

42

4182-1671B

PIPE;CLAMP

SERIAL: 1111

2шт.

43

2170-9005

INDICATOR;AIR CLEANER

desc: INDICATEUR

1шт.

44

4184-1287

HOSE

desc: TUYAU FLEXIBLE

1шт.

45

2124-1024D20

CLAMP

desc: COLLIER

1шт.

46

2124-1024D16

CLAMP ҐХ150~ҐХ130

desc: COLLIER

1шт.

47

S4012333

NUT M16

desc: ECROU M6X1.0

16шт.

48

S2209561

BOLT M8X1.25X45

SERIAL: 1001-1007

2шт.

48

S2209661

BOLT M8X1.25X50

SERIAL: 1008

2шт.

49

S0512063

BOLT M10X1.5X25

desc: BOULON A 6 PANS

6шт.

50

S0771051

BOLT M20X1.5X110

desc: BOULON A 6 PANS

2шт.

51

S0773761

BOLT M22X1.5X130

SERIAL: 1001-1281

2шт.

51

S0773861

BOLT M22X1.5X140

SERIAL: 1282

2шт.

52

S0512363

BOLT M10X1.5X35

SERIAL: 1001-1030

18шт.

52

S0512363

BOLT M10X1.5X35

SERIAL: 1031-1299

22шт.

52

S0512363

BOLT M10X1.5X35

SERIAL: 1300

18шт.

53

S0511963

BOLT M10X1.5X22

SERIAL: 1001-1030

12шт.

53

S0511963

BOLT M10X1.5X22

SERIAL: 1031-1299

8шт.

53

S0511963

BOLT M10X1.5X22

SERIAL: 1300

12шт.

54

4114-4085

WASHER ҐХ10

desc: RONDELLE

12шт.

55

S5102603

WASHER;SPRING ҐХ10

SERIAL: 1001-1110

38шт.

55

S5102603

WASHER;SPRING ҐХ10

SERIAL: 1111

44шт.

56

S5102503

WASHER;SPRING ҐХ8

SERIAL: 1001-1110

8шт.

56

S5102503

WASHER;SPRING ҐХ8

SERIAL: 1111

2шт.

57

S4033133

NUT M20X1.5

desc: ECROU

5шт.

58

4114-4116

WASHER ҐХ20

desc: RONDELLE

2шт.

59

S4033233

NUT M22X1.5

desc: ECROU

4шт.

60

4114-4117

WASHER ҐХ22

desc: RONDELLE

2шт.

61

S0765451

BOLT M16X1.5X60

desc: BOULON A 6 PANS

6шт.

62

S5102903

WASHER;SPRING ҐХ16

desc: RONDELLE ELASTIQUE

17шт.

63

S0765551

BOLT M16X1.5X65

desc: BOULON A 6 PANS

2шт.

64

S0571551

BOLT M20X2.5X140

desc: BOULON A 6 PANS

8шт.

65

S5103101

WASHER;SPRING ҐХ20

desc: RONDELLE ELASTIQUE M20

8шт.

66

S4012633

NUT M10X1.5

desc: ECROU M10X1.5

6шт.

67

S5102703

WASHER;SPRING ҐХ12

desc: RONDELLE ELASTIQUE M12

8шт.

68

S0515253

BOLT M12X1.75X30

desc: BOULON A 6 PANS

4шт.

69

4161-2403

RUBBER;CUSHION

desc: CAOUTCHOUC

4шт.

70

4197-1928A

BRACKET

SERIAL: 1001-1215

4шт.

70

4197-1928B

BRACKET

SERIAL: 1216

4шт.

71

S0514953

BOLT M12X1.75X22

desc: BOULON A 6 PANS

4шт.

72

2114-1058D30

WASHER ҐХ20

desc: RONDELLE

4шт.

73

S0770461

BOLT M20X1.5X80

desc: BOULON A 6 PANS

1шт.

74

S5103101

WASHER;SPRING ҐХ14

desc: RONDELLE ELASTIQUE M20

1шт.

75

S4032933

NUT M16X1.5

desc: ECROU

1шт.

76

S0715253

BOLT M12X1.25X30

desc: BOULON A 6 PANS

2шт.

77

S4032833

NUT M14X1.5

desc: ECROU

2шт.

78

S5102803

WASHER;SPRING ҐХ14

desc: RONDELLE ELASTIQUE M14

12шт.

79

S2262261

BOLT;SOCKET M10X1.25X30

desc: BOULON 6 PANS CREUX

3шт.

80

S6710042

NIPPLE;GREASE PT1/8

desc: GRAISSEUR

2шт.

81

S0763663

BOLT M14X1.5X85

desc: BOULON A 6 PANS

8шт.

82

S0509253

BOLT M8X1.25X30

SERIAL: 1001-1110

6шт.

82

S0758253

BOLT M10X1.25X35

SERIAL: 1111

6шт.

83

2106-1021D11

BELT;FAN 1400L

desc: COURROIE

2шт.

84

4204-9404

PRE-CLEANER(EXPORT)

SERIAL: 1001-1154

1шт.

85

4204-2009B

EXTENSION-EXPORT

SERIAL: 1001-1154

1шт.

86

2204-9032A

PRE-CLEANER(KOREA)

desc: PRE-CLEANER

1шт.

87

4204-4013B

EXTENSION-KOREA

SERIAL: 1001-1299

1шт.

87

4204-4013C

EXTENSION-KOREA

SERIAL: 1300

1шт.

88

S0765151

BOLT M16X1.5X45

desc: BOULON

8шт.

89

S0763463

BOLT M14X1.5X75

desc: BOULON A 6 PANS

2шт.

90

2181-1917D35

ADAPTER M30X1.5XPFI

desc: RACCORD ADAPTATEUR

1шт.

91

S8180481

RING;SEALL 30X36

desc: RONDELLE D'ETANCHEITE

1шт.

93

4116-1543

PLATE;INSULATION

desc: PLAQUE

1шт.

94

S0511853

BOLT M10X1.5X20

desc: BOULON A 6 PANS

6шт.

95

S5010613

WASHER;PLAIN

SERIAL: 1001-1215

6шт.

95

S5010613

WASHER;PLAIN

SERIAL: 1216

8шт.

96

S5010313

WASHER;PLAIN

desc: RONDELLE

6шт.

97

4114-2002

SPACER

SERIAL: 1031-1215

4шт.

98

S5010813

WASHER;PLAIN

SERIAL: 1111

6шт.

99

4114-2002

SPACER

SERIAL: 1235

4шт.

Выбрано товаров: 129