Качественные детали и логистика
Оригинальные и аналоговые запчасти с доставкой по России, Казахстану и Беларуси
©2022 PartSell ООО "Система" ИНН 2463123282 ОГРН 1212400004838
Центральный офис: г. Красноярск, Академика Киренского, д.87, пом.4
Телефон: 8 (800) 777-65-74 Email: zakaz@partsell.ru
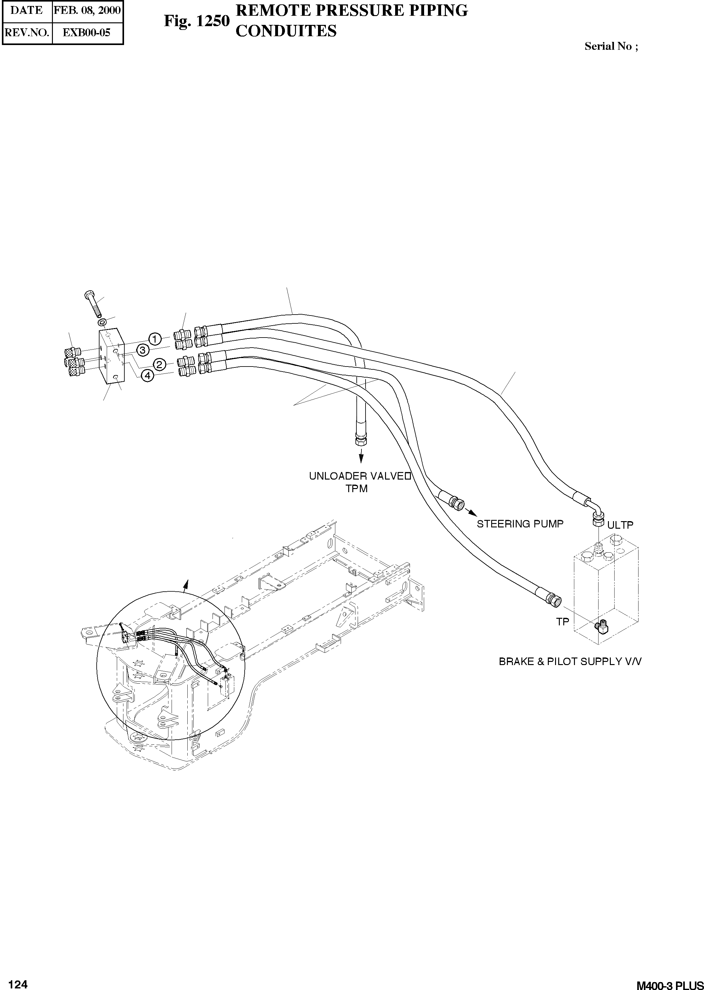
REMOTE PRESSURE PIPING
№
Артикул
Название
Примечание
Количество
-
4400-1756
REMOTE PRESS. PIPING
SC: D
-2шт.
1
4423-1451
BLOCK
desc: BLOC
1шт.
2
S0559153
BOLT M10X1.5X80
desc: BOULON A 6 PANS
2шт.
3
S5102603
WASHER;SPRING
desc: RONDELLE ELASTIQUE M10
4
2184-1026D68
HOSE PF1/4-650L
desc: TUYAU FLEXIBLE
5
2120-9008
SCREW COUPLING
SERIAL: 1001-1177
4шт.
120-00002
SERIAL: 1178
6
2184-1036D59
HOSE PF1/4-1200L
7
2184-1026D3
HOSE PF1/4-1300L
8
2181-1126D14
ADAPTER;S
desc: RACCORD ADAPTATEUR
Выбрано товаров: 0