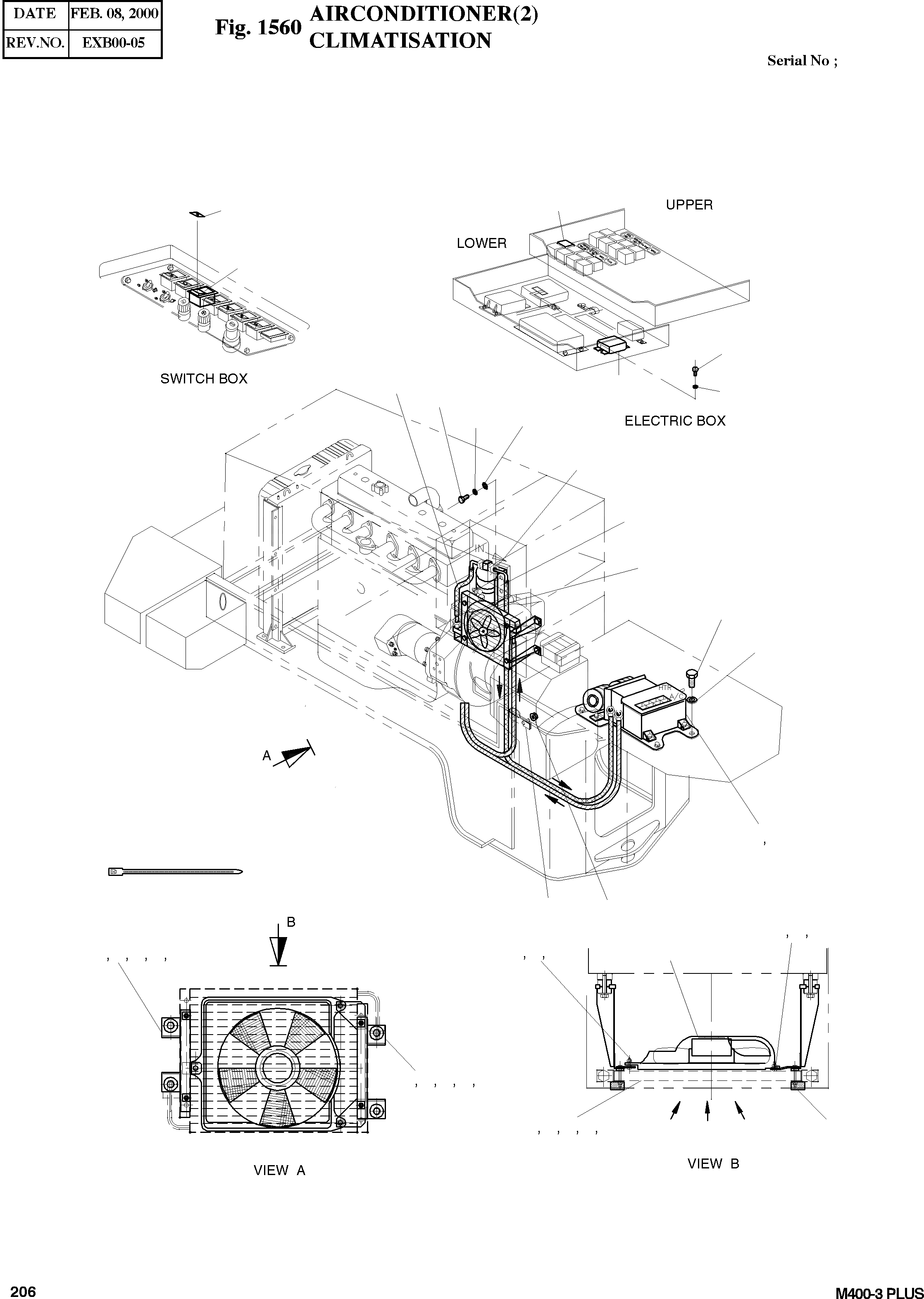
Запчасти Doosan Daewoo AIRCONDITIONER(2) BODY PARTS

35
34
14
30
19
43
22
24
25
26
27
23
24
25
26
27
11
12
41
42
13
17
18
19
20
21
10
11
12
13
31
31A
16
33
32
15
29
28
20
36
37
38
39
FIT
1:1
100%

Артикул

Название

Примечание

Количество

-

4920-1048

COOLER ASS'Y

SC: D

-2шт.

10

2920-6102

FAN;CONDENSER

desc: VENTILATEUR

1шт.

11

S4012333

NUT M6X1.0

desc: ECROU M6X1.0

3шт.

12

S5102303

WASHER;SPRING M6

desc: RONDELLE ELASTIQUE M6

3шт.

13

S5010313

WASHER;PLAIN M6

desc: RONDELLE

3шт.

14

2185-1369D15

HOSE;LIQUID(1) 350L

desc: TUYAU FLEXIBLE

1шт.

15

2185-1369D3

HOSE;LIQUID(2) 2500L

desc: TUYAU FLEXIBLE LIQUIDE(2)

1шт.

16

4621-2922

COVER;BAFFLE

desc: COUVERCLE

2шт.

17

2520-6003

CONDENSER ASS'Y

SERIAL: 1001-1030

1шт.

17

2520-6003A

CONDENSER ASS'Y

SERIAL: 1031

-1шт.

18

S0553653

BOLT M6X1.0X50

desc: BOULON

4шт.

19

S5102303

WASHER;SPRING M6

desc: RONDELLE ELASTIQUE M6

6шт.

20

S5010313

WASHER;PLAIN M6

desc: RONDELLE

6шт.

21

S4012333

NUT M6X1.0

desc: ECROU M6X1.0

4шт.

22

4195-4871A

BRACKET;CONDENSER(R)

desc: SUPPORT

1шт.

23

4195-4872A

BRACKET;CONDENSER(L)

desc: SUPPORT

1шт.

24

S0558553

BOLT M10X1.5X50

desc: BOULON A 6 PANS

4шт.

25

S5102603

WASHER;SPRING M10

desc: RONDELLE ELASTIQUE M10

4шт.

26

2114-1058D1

WASHER d35/d11

desc: RONDELLE

4шт.

27

2512-1077

RUBBER;CUSHION d34/d11. T16

desc: CAOUTCHOUC

8шт.

28

2204-6032

RECEIVER DRIER

desc: RESERVOIR DESSICATEUR

1шт.

29

2514-6001

HOLDER;RECEIVER DRIER

desc: POSSESSEUR

1шт.

30

S0504453

BOLT M6X1.0X12

desc: BOULON A 6 PANS

2шт.

31

4920-1049C

A.H.U ASS'Y

SERIAL: 1001-1210

1шт.

31

4920-1049E

A.H.U ASS'Y

SERIAL: 1211

1шт.

31A

2920-9031B

UNIT;AIR HANDLING

SERIAL: 1001-1210

1шт.

31A

2920-9031C

UNIT;AIR HANDLING

SERIAL: 1211

1шт.

32

S0508653

BOLT M8X1.25X16

desc: BOULON A 6 PANS

4шт.

33

S5102503

WASHER;SPRING M8

desc: RONDELLE ELASTIQUE M8

4шт.

34

2549-9098

SWITCH;ROCKER

desc: COMMUTATEUR

1шт.

35

2190-2036D8

INSERT;AIRCON

desc: RACCORD

1шт.

36

2543-9027

CONTROLLER;AIRCON

desc: MODULE DE COMMANDE

1шт.

37

S3450583

SCREW M4X0.7X12

desc: VIS

2шт.

38

S5100103

WASHER;SPRING M4

desc: RONDELLE ELASTIQUE

2шт.

39

2544-9029

RELAY;CONDENSER FAN

SERIAL: 1001-1065

1шт.

39

2544-9033

RELAY;CONDENSER FAN

SERIAL: 1066

1шт.

41

2124-1509D3

CLIP d24/M8

desc: ATTACHE

1шт.

42

2121-1305

NUT M8X1.25

desc: ECROU

1шт.

43

2124-1622D3

CLIP;BAND (280L)

desc: ATTACHE

10шт.

Выбрано товаров: 39