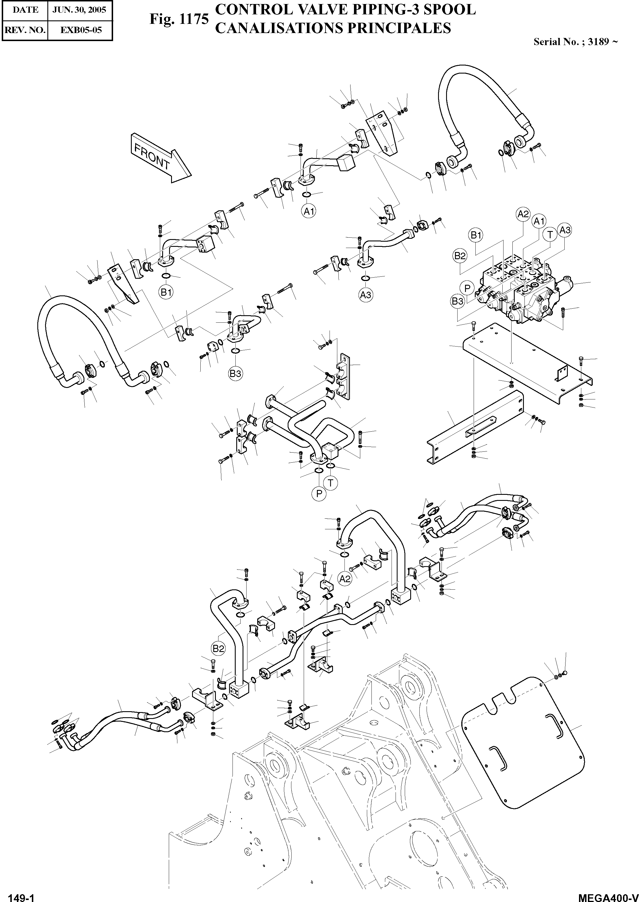
Запчасти Doosan Daewoo CONTROL VALVE PIPING-3 SPOOL BODY PARTS

36
30
11
31
30
60
36
23
25
9
15
28
27
50
27
49
48
50
48
20
27
49
48
26
9
53
43
28
38
25
38
27
44
28
45
9
25
25
22
27
9
36
51
30
14
60
48
26
48
57
1
20
41
52
26
41
32
20
28
36
27
20
36
30
40
30
31
26
35
2
48
49
48
43
40
9
8
53
45
44
30
12
48
49
55
31
9
30
16
3
27
27
30
31
50
13
50
18
37
51
34
30
35
36
27
30
28
31
18
27
33
17
59
48
30
37
43
42
58
5
44
28
42
45
27
42
9
45
16
40
44
48
44
45
36
37
42
37
28
30
20
56
27
30
36
20
4
37
30
37
43
9
30
31
48
43
26
26
43
43
7
26
45
39
16
46
39
9
30
30
40
36
36
6
9
36
21
46
19
42
45
45
10
44
43
39
26
43
43
30
42
36
36
19
54
30
42
31
47
45
45
44
44
FIT
1:1
100%

Артикул

Название

Примечание

Количество

-

K1007583

CONTROL VALVE PIPING

SC: D

-2шт.

1

K1007988

VALVE;CONTROL

desc: VANNE

1шт.

2

K1007579

SUPPORT

desc: SUPPORT

1шт.

3

K1007586

SUPPORT

desc: SUPPORT

1шт.

4

K1007576

PIPE(R.H);BOOM DOWN

desc: CONDUITE

1шт.

5

K1007575

PIPE(L.H);BOOM UP

desc: CONDUITE

1шт.

6

193-00198

PIPE;BOOM DOWN

desc: CONDUITE

1шт.

7

193-00200

PIPE;BOOM UP

desc: CONDUITE

1шт.

8

195-00540A

BRACKET;CONTROL PIPE

desc: SUPPORT

1шт.

9

2161-2481

RUBBER

desc: CAOUTCHOUC

10шт.

10

DS2045217

HOSE;BOOM 1"-1050L

desc: TUYAU FLEXIBLE

1шт.

11

DS2045209

HOSE;BUCKET 1.25"-1500L

desc: TUYAU FLEXIBLE

1шт.

12

K1007937

PIPE;PUMP

desc: CONDUITE

1шт.

13

K1007938

PIPE;RETURN

desc: CONDUITE

1шт.

14

K1007574

PIPE;BUCKET DUMP

desc: CONDUITE

1шт.

15

K1007573

PIPE;BUCKET CROWD

desc: CONDUITE

1шт.

16

191-00364

CLAMP;PIPE

desc: COLLIER

3шт.

17

191-00365

CLAMP;PIPE

desc: COLLIER

1шт.

18

198-00008

RUBBER

desc: CAOUTCHOUC

2шт.

19

195-00541A

BRACKET;CONTROL PIPE

desc: SUPPORT

2шт.

20

191-00366

CLAMP;PIPE

desc: COLLIER

6шт.

21

K1007569

BRACKET;CONTROL PIPE

desc: SUPPORT

1шт.

22

195-00543B

ANGLE;R.H

desc: SUPPORT;ANGLE

1шт.

23

195-00544B

ANGLE;L.H

desc: SUPPORT;ANGLE

1шт.

25

124-00049

CLAMP;PIPE

desc: COLLIER

4шт.

26

2161-2267A

RUBBER

desc: CAOUTCHOUC

8шт.

27

S5110703

WASHER;SPRING

desc: RONDELLE ELASTIQUE

48шт.

28

S2215466

BOLT;SOCKET M12X1.75X40

desc: BOULON DE PLOT

28шт.

30

S5102703

WASHER;SPRING

desc: RONDELLE ELASTIQUE

46шт.

31

S4012733

NUT

desc: ECROU

14шт.

32

S2215666

BOLT;SOCKET M12X1.75X50

desc: BOULON DE PLOT

4шт.

33

2180-1026D24

O-RING

desc: JOINT TORIQUE

1шт.

34

S2216166

BOLT;SOCKET M12X1.75X75

desc: BOULON DE PLOT

4шт.

35

S0560453

BOLT M12X1.75X35

desc: BOULON A 6 PANS

6шт.

36

2114-1058D46

WASHER;PLAIN

desc: RONDELLE

30шт.

37

S0561153

BOLT M12X1.75X70

desc: BOULON A 6 PANS

10шт.

38

S0562053

BOLT M12X1.75X115

desc: BOULON A 6 PANS

2шт.

39

S0515053

BOLT M12X1.75X25

desc: BOULON A 6 PANS

10шт.

40

S0560753

BOLT M12X1.75X50

desc: BOULON A 6 PANS

8шт.

41

S0562053

BOLT M12X1.75X115

desc: BOULON A 6 PANS

2шт.

42

2181-9078

FLANGE;HALF

desc: BRIDE

16шт.

43

2180-1026D19

O-RING

desc: JOINT TORIQUE

12шт.

44

S2212266

BOLT;SOCKET M10X1.5X30

desc: BOULON DE PLOT

40шт.

45

S5110603

WASHER;SPRING

desc: RONDELLE ELASTIQUE

48шт.

46

S2212466

BOLT;SOCKET M10X1.5X40

desc: BOULON DE PLOT

8шт.

47

DS2045215

HOSE;BOOM 1"-970L

desc: TUYAU FLEXIBLE

1шт.

48

2180-1026D23

O-RING

desc: JOINT TORIQUE

11шт.

49

4215-1003D7

FLANGE;HALF

desc: BRIDE

8шт.

50

S2215366

BOLT;SOCKET M12X1.75X35

desc: BOULON DE PLOT

16шт.

51

K1007577

PIPE;L.H

desc: CONDUITE

1шт.

52

K1007578

PIPE;R.H

desc: CONDUITE

1шт.

53

2181-2157D5

FLANGE

desc: BRIDE

2шт.

54

K1008064

COVER

desc: COUVERCLE

1шт.

55

2114-1058D30

WASHER;PLAIN

desc: RONDELLE PLATE

6шт.

56

K1007571

BRACKET;L.H

desc: SUPPORT

1шт.

57

DS2045332

HOSE;BUCKET 1.25"-1440L

desc: TUYAU FLEXIBLE

1шт.

58

DS2045218

HOSE;BOOM 1"-1050L

desc: TUYAU FLEXIBLE

1шт.

59

DS2045216

HOSE;BOOM 1"-970L

desc: TUYAU FLEXIBLE

1шт.

60

S0515153

BOLT M12X1.75X28

desc: BOULON A 6 PANS

4шт.

Выбрано товаров: 59