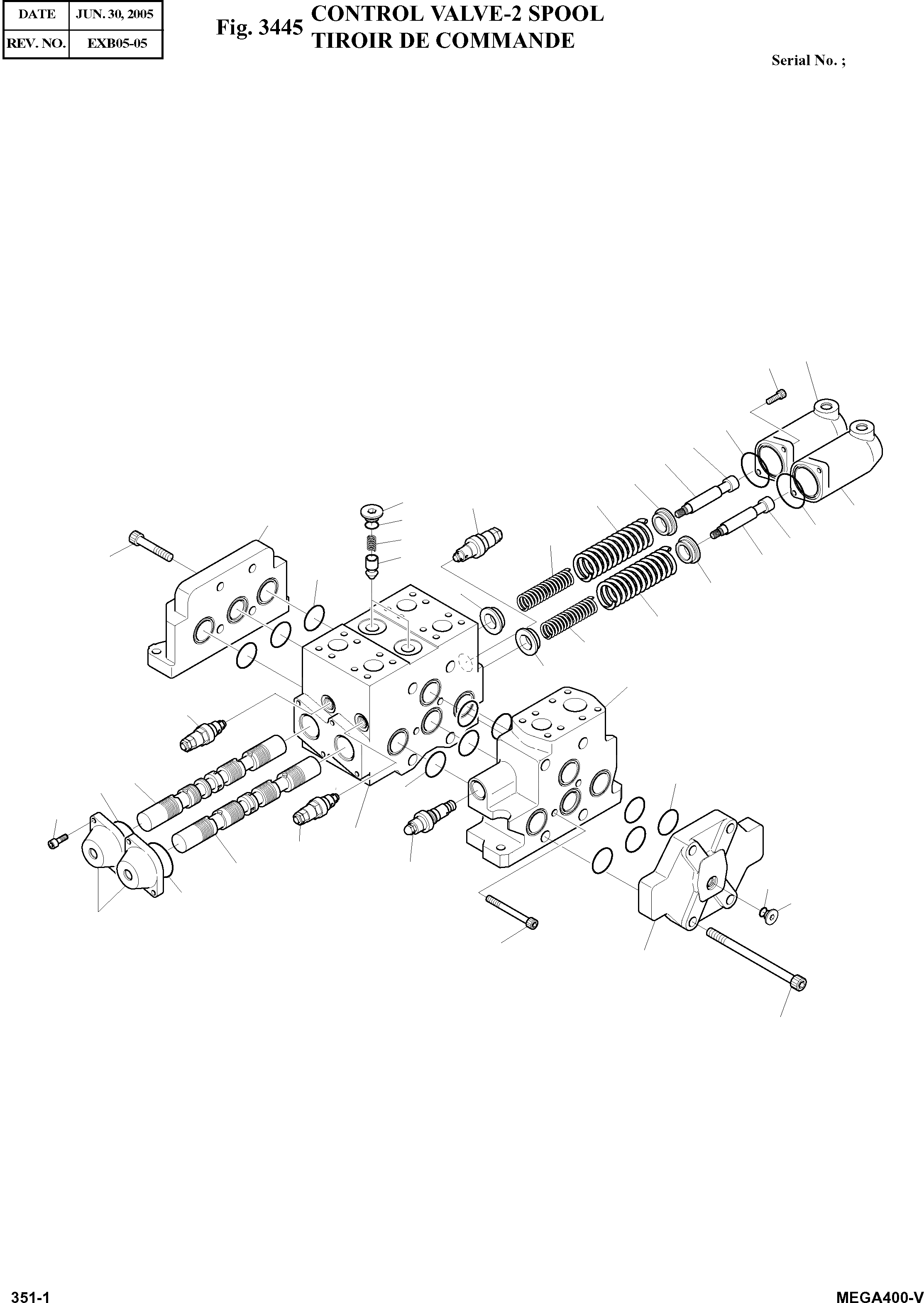
Запчасти Doosan Daewoo CONTROL VALVE-2 SPOOL HYDRAULIC PARTS

972
201
273
261
336
337
332
371
602
551
201
103
561
261
372
522
336
511
335
161
332
332
371
373
332
102
603
301
161
263
161
273
101
602
601
302
264
253
263
202
973
204
971
FIT
1:1
100%

Артикул

Название

Примечание

Количество

-

K1007986

CONTROL VALVE-2 SPOOL

desc: TIROIR DE COMMANDE

1шт.

101

-

SECTION;VALVE

SC: D

1шт.

102

K9001256

SECTION;P END

desc: BLOC

1шт.

103

K9001257

COVER;END

desc: COUVERCLE

1шт.

161

S8000501

O-RING

desc: JOINT TORIQUE

11шт.

201

K9001258

COVER;SPRING

desc: COUVERCLE

2шт.

202

K9001259

COVER;SPRING

desc: COUVERCLE

2шт.

204

K9001260

PLATE

desc: PLAQUE

1шт.

253

2181-1890D2

PLUG

desc: BOUCHON

1шт.

261

S8010651

O-RING

desc: JOINT TORIQUE

2шт.

263

S8010551

O-RING

desc: JOINT TORIQUE

2шт.

264

S8000111

O-RING

desc: JOINT TORIQUE

1шт.

273

S2212061

SCREW

desc: VIS

8шт.

301

-

SPOOL

SC: D

1шт.

302

-

SPOOL

SC: D

1шт.

332

K9001261

SEAT

desc: SIEGE

4шт.

335

K9001262

STOPPER

desc: CHAPEAU

1шт.

336

K9001263

BOLT

desc: BOULON

2шт.

337

K9001264

STOPPER

desc: CHAPEAU

1шт.

371

K9001265

SPRING

desc: RESSORT

1шт.

372

K9001266

SPRING

desc: RESSORT

1шт.

373

K9001267

SPRING

desc: RESSORT

1шт.

511

K9001268

POPPET

desc: POPPET

2шт.

522

K9001269

SPRING

desc: RESSORT

2шт.

551

2181-1890D6

PLUG

desc: BOUCHON

2шт.

561

S8000291

O-RING

desc: JOINT TORIQUE

2шт.

601

K9001270

MAIN RELIEF VALVE ASS'Y

desc: SOUPAPE DE SECURITE

1шт.

602

K9001271

OVER LOAD RELIEF V/V ASS'Y

desc: SOUPAPE DE SECURITE

2шт.

603

K9001272

OVER LOAD RELIEF V/V ASS'Y

desc: SOUPAPE DE SECURITE

1шт.

971

S2226371

SCREW

desc: VIS

4шт.

972

S2224871

SCREW

desc: VIS

4шт.

973

S2210561

SCREW

desc: VIS

2шт.

Выбрано товаров: 32