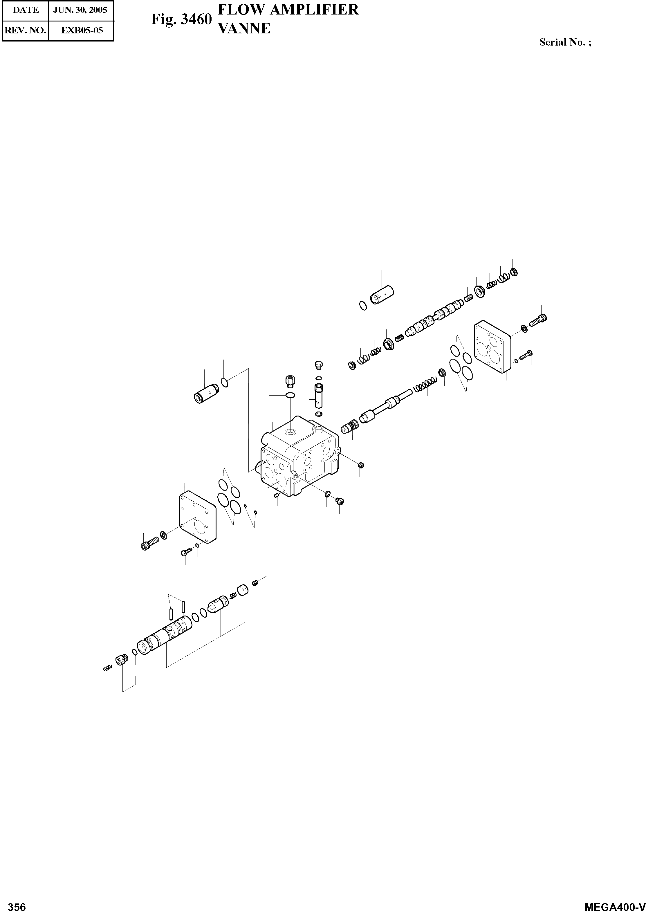
Запчасти Doosan Daewoo FLOW AMPLIFIER HYDRAULIC PARTS

23
29
21
28
24
7
34
11
9
12
34
24
2
28
29
23
7
20
21
13
5
14
38
15
22
4
1
19
30
6
9
9
37
2
16
36
27
32
12
31
11
1
3
14
13
41
9
35
8
9
40
10
FIT
1:1
100%

Артикул

Название

Примечание

Количество

-

4420-9471

FLOW AMPLIFIER

SERIAL: 3001-3158

1шт.

-

4420-9471A

FLOW AMPLIFIER

SERIAL: 3159

1шт.

1

633B1378

O-RING

SC: K

4шт.

2

633B1364

O-RING

SC: K

4шт.

3

633B1461

O-RING

SC: K

2шт.

4

633B1401

O-RING

SC: K

1шт.

5

684X2565

WASHER

SC: K

1шт.

6

684X2367

WASHER

SC: K

1шт.

7

633B1428

O-RING

SC: K

2шт.

8

633B1474

O-RING

SC: K

1шт.

9

-

HOUSING

SC: D

1шт.

10

150F0245

CHECK VALVE

desc: ANTI-RETOUR CLAPET

1шт.

11

681X1150

SCREW

desc: VIS

2шт.

12

684X9010

WASHER;SPRING

desc: RONDELLE ELASTIQUE

2шт.

13

681X1578

SCREW

desc: VIS

16шт.

14

684X9062

WASHER;SPRING

desc: RONDELLE ELASTIQUE

16шт.

15

150F0405

END COVER

desc: COUVERCLE

1шт.

16

150F0406

END COVER

desc: COUVERCLE

1шт.

19

155G6202

RELIEF VALVE

desc: SOUPAPE DE SCURIT

1шт.

20

631X2026

PLUG

desc: BOUCHON

1шт.

21

150F0284

SHOCK AND SUCTION VALVE COMPLETE

SC: D

2шт.

22

150F0422

STOPPER

desc: ARRET

1шт.

23

150F0430

STOPPER

desc: ARRET

2шт.

24

150F0429

GUIDE;SPRING

desc: GUIDE DE RESSORT

2шт.

27

150F0426

ORIFICE

desc: ORIFICE

1шт.

28

663X1031

SPRING

desc: RESSORT

2шт.

29

663X1033

SPRING

desc: RESSORT

2шт.

30

663X1096

SPRING

desc: RESSORT

1шт.

31

631X2036

PLUG

desc: BOUCHON

2шт.

32

684X2120

WASHER

desc: RONDELLE PLATE

1шт.

34

155B8308

ORIFICE

desc: ORIFICE

2шт.

35

150F0426

ORIFICE

desc: ORIFICE

1шт.

36

150F0456

ORIFICE

desc: ORIFICE

1шт.

37

150F0478

THROTTLE CHECK VALVE

desc: VANNE

1шт.

38

150F0431

PLUG

desc: BOUCHON

1шт.

40

663X1239

SPRING

desc: RESSORT

1шт.

41

663X1237

SPRING

desc: RESSORT

1шт.

*

150F0278

SEAL KIT

desc: KIT D'ETANCHEITE

1шт.

Выбрано товаров: 38