Запчасти Doosan Daewoo STEERING UNIT HYDRAULIC PARTS

1
5
6
7
3
8
4
32
34
11
9
33
2
13
14
12
15
21
13
16
17
18
20
FIT
1:1
100%

Артикул

Название

Примечание

Количество

-

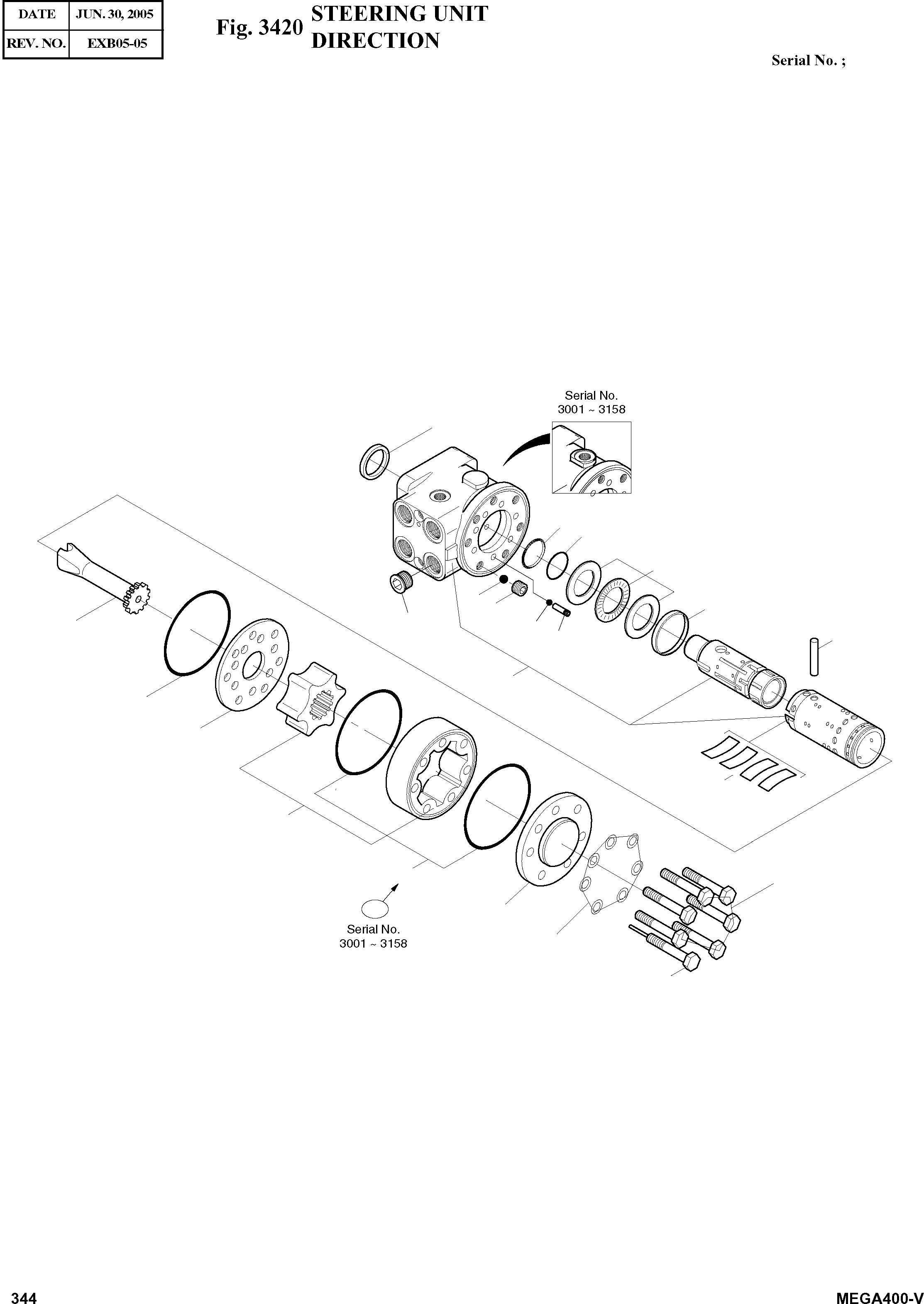
4420-9470

STEERING UNIT

SERIAL: 3001-3158

1шт.

-

4420-9470A

STEERING UNIT

SERIAL: 3159

1шт.

1

633B9002

DUST SEAL RING

SC: K

1шт.

2

-

HOUSING SPOOL

SC: D

1шт.

3

689X1031

BALL ҐХ8.5mm

desc: BILLE

1шт.

4

633B1205

BUSHING;THREAD

SERIAL: 3001-3158

1шт.

4

150-0304

BUSHING;THREAD

SERIAL: 3159

1шт.

5

633B9007

KIN-RING

SERIAL: 3001-3158

1шт.

5

150N4014

O-RING

SERIAL: 3159

1шт.

6

633B1205

O-RING

SERIAL: 3001-3158

1шт.

7

150-4262

BEARING ASS'Y

desc: PALIER

1шт.

8

150-0310

RING

desc: BAGUE

1шт.

9

150-0305

CROSS PIN

desc: BROCHE

1шт.

11

150-0844

CARDON SHAFT

desc: TOURNEVIS EN CROIX

1шт.

12

150-4265

SET OF SPRINGS

desc: RESSORT

1шт.

13

633B1202

O-RING

SERIAL: 3001-3158

1шт.

13

633B0432

O-RING

SERIAL: 3159

3шт.

14

150N0610

DISTRIBUTOR PLATE

desc: PLAQUE

1шт.

15

150-4186

GEARWHEEL SET

desc: PIGNON

1шт.

16

633B1173

O-RING

SERIAL: 3001-3158

2шт.

17

150-0328

END COVER

desc: COUVERCLE

1шт.

18

684X2481

WASHER

SERIAL: 3001-3158

7шт.

18

684X0115

WASHER

SERIAL: 3159

7шт.

20

150-0324

SCREW WITH PIN

desc: VIS

1шт.

21

681X1581

SCREW

desc: VIS

6шт.

32

150N4093

VALVE;CHECK

SERIAL: 3158

1шт.

33

150-1606

SCREW

SERIAL: 3158

1шт.

34

-

BALL

SERIAL: 3158

1шт.

*

150-4206

SEAL KIT(1.5.6.13.16.18)

SERIAL: 3001-3158

1шт.

*

150N4042

SEAL KIT(1.6.13.18)

SERIAL: 3159

1шт.

Выбрано товаров: 30