Запчасти Doosan Daewoo STEERING UNIT MAIN PIPING

1
5
7
3
8
4
32
34
11
9
33
2
13
14
12
15
13
21
16
17
18
20
FIT
1:1
100%

Артикул

Название

Примечание

Количество

-

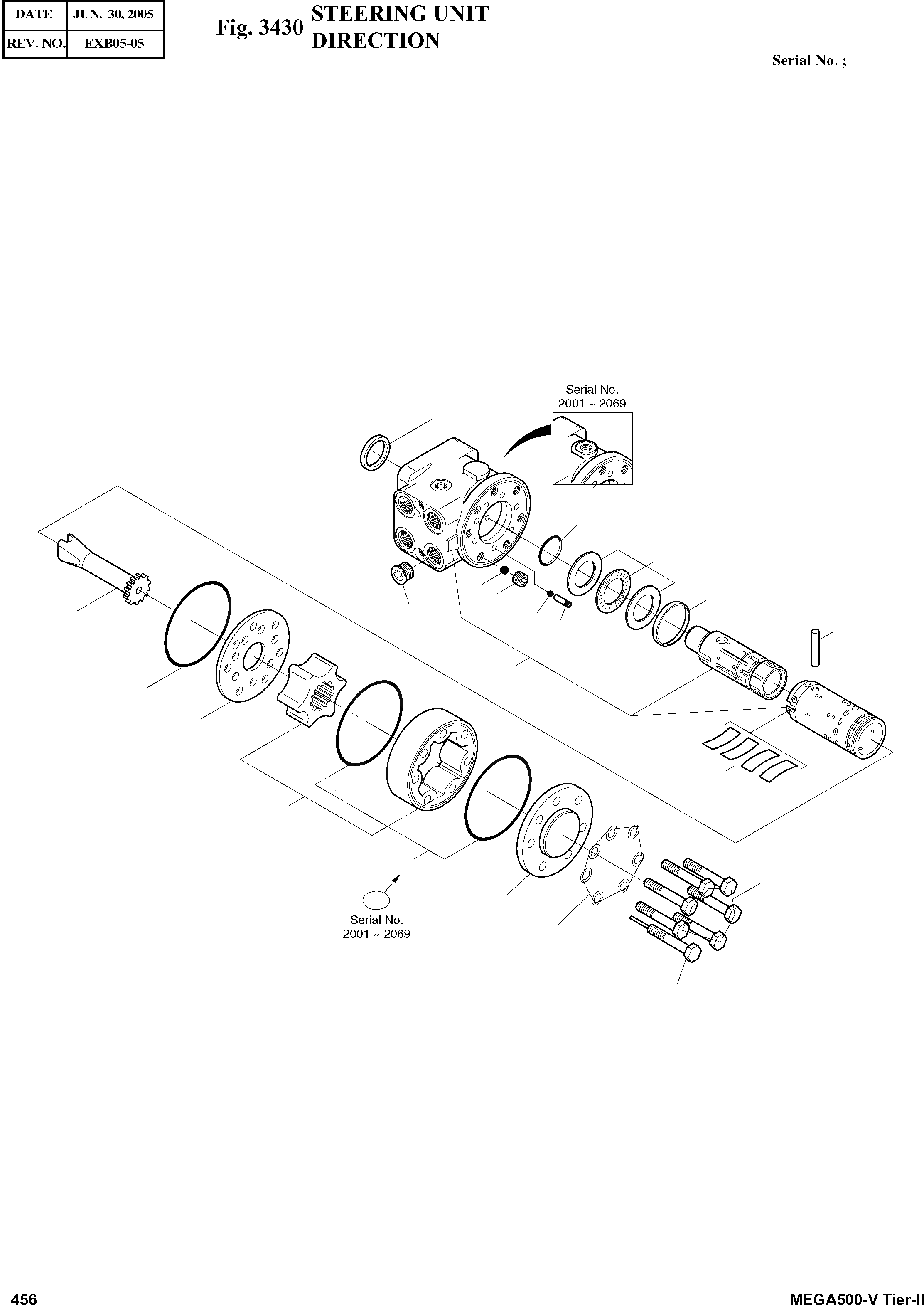
420-00027

STEERING UNIT

SERIAL: 2001-2069

1шт.

-

420-00027A

STEERING UNIT

SERIAL: 2070

1шт.

1

633B9002

RING;DUST SEAL

SC: K

1шт.

2

-

HOUSING;SPOOL AND SLEEVE

SC: D

1шт.

3

689X1031

BALL #8.5MM

desc: BILLE

1шт.

4

150-0304

THREAD BUSHING WITH PIN

desc: BROUCHE

1шт.

5

633B1205

O-RING

SERIAL: 2001-2069

1шт.

5

150N4014

O-RING

SERIAL: 2070

1шт.

7

150-4262

BEARING ASS'Y

desc: PALIER

1шт.

8

150-0310

RING

desc: BAGUE

1шт.

9

150-0305

PIN;CROSS

desc: BROCHE

1шт.

11

150-0844

SHAFT;CARDAN

desc: TOURNEVIS EN CROIX

1шт.

12

150-4265

SET;SPRING

desc: ENSEMBLE DE RESSORT

1шт.

13

633B1202

O-RING

SERIAL: 2001-2069

1шт.

13

633B0432

O-RING

SERIAL: 2070

3шт.

14

150N0610

PLATE;DISTRIBUTOR

desc: PLAQUE

1шт.

15

150-4188

SET;GEAR WHEEL

desc: ENSEMBLE DE PIGNON

1шт.

16

633B1173

O-RING

SERIAL: 2001-2069

2шт.

17

150-0328

COVER;END

desc: COUVERCLE

1шт.

18

684X2481

WASHER

SERIAL: 2001-2069

7шт.

18

684X0115

WASHER

SERIAL: 2070

7шт.

20

150-0325

SCREW;SPECIAL

desc: VIS

1шт.

21

681X1582

SCREW

desc: VIS

6шт.

32

150N4093

VALVE;CHECK

SERIAL: 2070

1шт.

33

150-1606

SCREW

SERIAL: 2070

1шт.

34

-

BALL

SERIAL: 2070

1шт.

*

150N4038

SEAL KIT(1.5.13.16.18)

SERIAL: 2001-2069

1шт.

*

150N4042

SEAL KIT(1.5.13.18)

SERIAL: 2070

1шт.

Выбрано товаров: 28