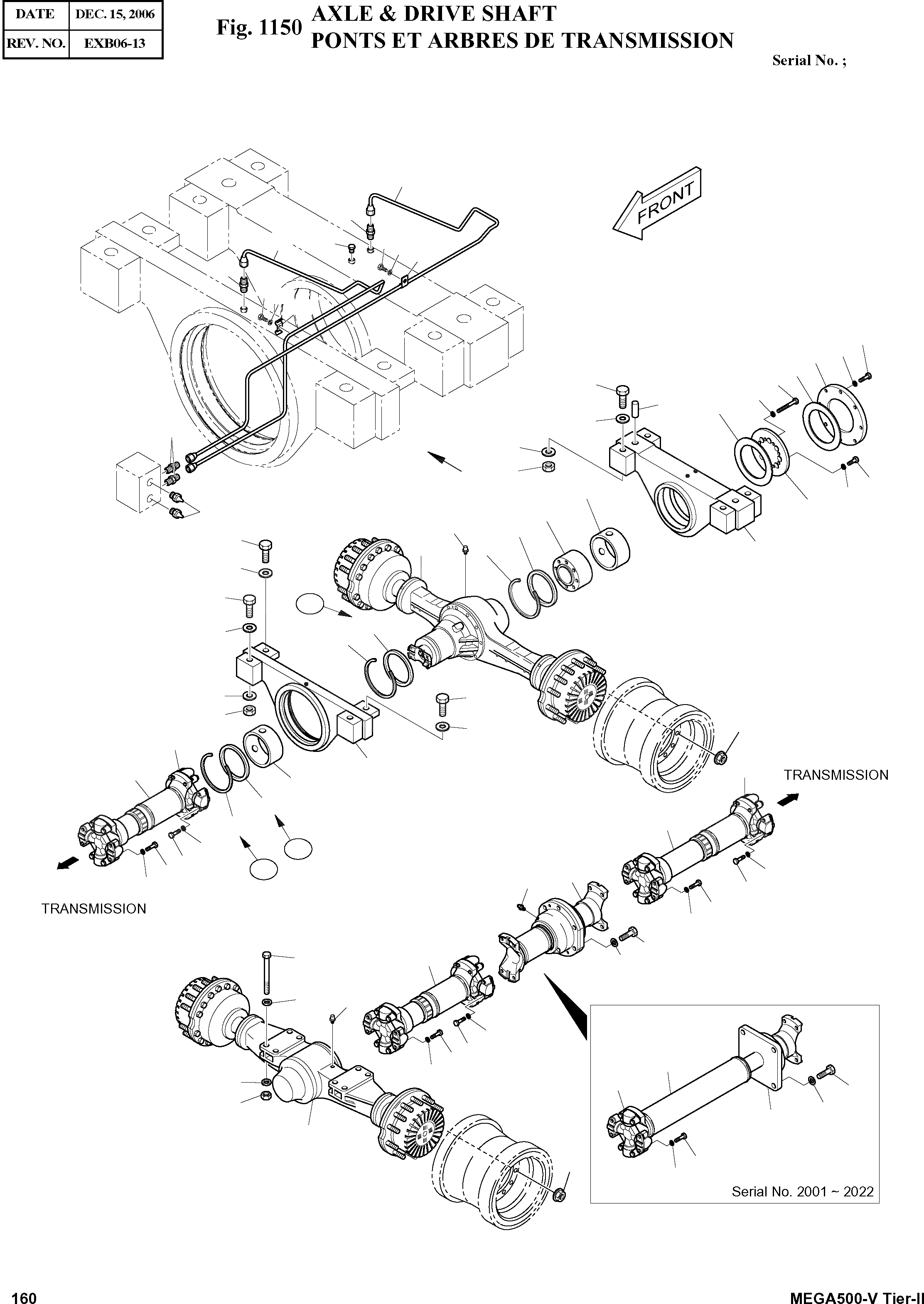
Запчасти Doosan Daewoo AXLE & DRIVE SHAFT BODY PARTS

7B
7A
14
7C
6E
6B
6C
7H
7G
6A
6E
6D
5A
48A
3A
4A
7D
7E
7F
3B
33
34
39
40
38
39
40
37
18
17
16
13
20
24
19
25
22
28
22
23
47
50
31
46
2
7
22
24
11
22
22
31
23
49
22
6
5
4
42
11
43
10
42
43
48
42
43
43
42
44
21
3
45
22
50
42
43
43
3
42
22
44
23
45
1
43
49
42
FIT
1:1
100%

Артикул

Название

Примечание

Количество

-

211-00001

AXLE & DRIVE SHAFT ASS'Y

SERIAL: 2001-2076

-2шт.

-

211-00001C

AXLE & DRIVE SHAFT ASS'Y

SERIAL: 2077

-2шт.

1

211-00003

AXLE;FRONT

SERIAL: 2001-2076

1шт.

1

211-00003A

AXLE;FRONT

SERIAL: 2077

1шт.

2

211-00005

AXLE;REAR

SERIAL: 2001-2076

1шт.

2

211-00005A

AXLE;REAR

SERIAL: 2077-2089

1шт.

2

K1013801

AXLE;REAR

SERIAL: 2090

1шт.

3

112-00004

DRIVE SHAFT;FRONT

SERIAL: 2001-2022

1шт.

3

112-00061

DRIVE SHAFT;FRONT

SERIAL: 2023

1шт.

3A

1100-9C

JOINT;UNIVERSAL

desc: . UNIVERSEL JOINT

1шт.

3B

700-UCF218

BEARING;FLANGE

desc: . ROULEMENT

1шт.

4

112-00005

DRIVE SHAFT;CENTER

SERIAL: 2001-2076

1шт.

4

K1008302A

DRIVE SHAFT;CENTER

SERIAL: 2077

1шт.

4A

1100-9C

JOINT;UNIVERSAL

desc: . UNIVERSEL JOINT

2шт.

5

112-00006

DRIVE SHAFT;REAR

desc: ARBRE

1шт.

5A

1100-9C

JOINT;UNIVERSAL

desc: . UNIVERSEL JOINT

2шт.

6

195-00007A

SUPPORT SUB ASS'Y;FRONT

SERIAL: 2001-2055

1шт.

6

195-00007B

SUPPORT SUB ASS'Y;FRONT

SERIAL: 2056-2077

1шт.

6

195-00007C

SUPPORT SUB ASS'Y;FRONT

SERIAL: 2078

1шт.

6A

408-00001

BUSHING

desc: . COUSSINET

1шт.

6B

115-00004

RING;RETAINING

desc: . BAGUE

1шт.

6C

2181-1919D10

ADAPTER

desc: . RACCORD ADAPTATEUR

1шт.

6D

115-00005

RING;RETAINING

SERIAL: 2056

1шт.

6E

180-00075

SEAL;OIL

SERIAL: 2056-2077

2шт.

6E

K1013229

SEAL;OIL

SERIAL: 2078

2шт.

7

195-00008A

SUPPORT SUB ASS'Y;REAR

desc: SUPPORT

1шт.

7A

408-00002

BUSHING

desc: . COUSSINET

1шт.

7B

171-00004

SHAFT;PIVOT

desc: . ARBRE

1шт.

7C

114-00053

WASHER;THRUST

desc: . RONDELLE BUTEE

1шт.

7D

355-00004

DISC

desc: . DISQUE

1шт.

7E

S5011161

WASHER;PLAIN M20

desc: . RONDELLE PLATE

10шт.

7F

S2227761

BOLT;SOCKET M20X2.5X55

desc: . BOULON

10шт.

7G

2181-1919D10

ADAPTER

desc: . RACCORD ADAPTATEUR

1шт.

7H

2181-1116D2

PLUG

desc: . BOUCHON

1шт.

10

115-00005

RING;RETAINING

SERIAL: 2001-2055

1шт.

11

180-00075

SEAL;OIL ©Є360

SERIAL: 2001-2055

2шт.

13

114-00053

WASHER;THRUST

desc: RONDELLE BUTEE

1шт.

14

180-00076

SEAL;OIL ©Є280

SERIAL: 2001-2077

1шт.

14

K1007991

SEAL;OIL ©Є280

SERIAL: 2078

1шт.

16

621-00114

COVER

desc: COUVERCLE

1шт.

17

S5102901

WASHER;SPRING M16

SERIAL: 2001-2002

16шт.

17

S5102903

WASHER;SPRING M16

SERIAL: 2003

16шт.

18

S0765561

BOLT M16X1.5X65

SERIAL: 2001-2002

16шт.

18

S0765566

BOLT M16X1.5X65

SERIAL: 2003

16шт.

19

S5103102

WASHER;SPRING M20

SERIAL: 2001-2017

10шт.

19

S5103103

WASHER;SPRING M20

SERIAL: 2018

10шт.

20

120-00049A

BOLT M20X2.5X175

desc: BOULON A 6 PANS

10шт.

21

120-00047A

BOLT M36X3.0X180

SERIAL: 2001-2045

8шт.

21

120-00047B

BOLT M36X3.0X180

SERIAL: 2046

8шт.

22

114-00056

WASHER;HARDEND

SERIAL: 2001-2002

30шт.

22

114-00056A

WASHER;HARDEND

SERIAL: 2003

30шт.

23

S4033731

NUT M36X3.0

SERIAL: 2001-2045

14шт.

23

S4033736

NUT M36X3.0

SERIAL: 2046

14шт.

24

120-00048A

BOLT M36X3.0X250

SERIAL: 2001-2045

6шт.

24

120-00048B

BOLT M36X3.0X250

SERIAL: 2046

6шт.

25

4123-2274A

PIN ©Є40X65L

desc: GOUJON

2шт.

28

2181-1919D9

ADAPTER

desc: RACCORD

2шт.

31

120-00118

BOLT M36X3.0X97

SERIAL: 2001-2045

2шт.

31

120-00118A

BOLT M36X3.0X97

SERIAL: 2046

2шт.

33

140-00045A

PIPE;REAR

desc: CONDUITE

1шт.

34

140-00046A

PIPE;FRONT

desc: CONDUITE

1шт.

37

4124-4047

CLIP;PIPE

desc: CLIP DE FIXATION

1шт.

38

2124-1248

CLIP;PIPE

desc: CLIP DE FIXATION

1шт.

39

S0508753

BOLT M8X1.25X18

SERIAL: 2001-2045

2шт.

39

S0508766

BOLT M8X1.25X18

SERIAL: 2046

2шт.

40

S5102503

WASHER;SPRING M8

desc: RONDELLE ELASTIQUE

2шт.

42

4114-1686

WASHER;SPRING

SERIAL: 2001-2022

20шт.

42

4114-1686

WASHER;SPRING

SERIAL: 2023-2045

24шт.

42

DS0402011

WASHER;SPRING

SERIAL: 2046

24шт.

43

120-00052

BOLT

SERIAL: 2001-2022

20шт.

43

120-00052

BOLT

SERIAL: 2023-2045

24шт.

43

120-00052A

BOLT

SERIAL: 2046

24шт.

44

S0570166

BOLT M20X2.5X65

SERIAL: 2001-2022

4шт.

44

S2222066

BOLT;SOCKET

SERIAL: 2023

6шт.

45

S5103103

WASHER;SPRING M20

SERIAL: 2001-2022

4шт.

45

S5110903

WASHER;SPRING M20

SERIAL: 2023

6шт.

46

115-00006

RING;RETAINING

desc: BAGUE

1шт.

47

S6710041

NIPPLE;GREASE PT1/8

desc: GRAISSEUR

2шт.

48

112-00069

SHAFT

SERIAL: 2023

1шт.

48A

S6710041

NIPPLE

desc: . GRAISSEUR

1шт.

49

K1014277

NUT;WHEEL

SERIAL: 2077

76шт.

50

K9000239

BREATHER;AIR

SERIAL: 2077

2шт.

Выбрано товаров: 82