Запчасти Doosan Daewoo CYLINDER BLOCK PLUMBING ENGINE PARTS

4
3
2
2
3
3
9
8
2
7
6
5
1
1
2
FIT
1:1
100%

Артикул

Название

Примечание

Количество

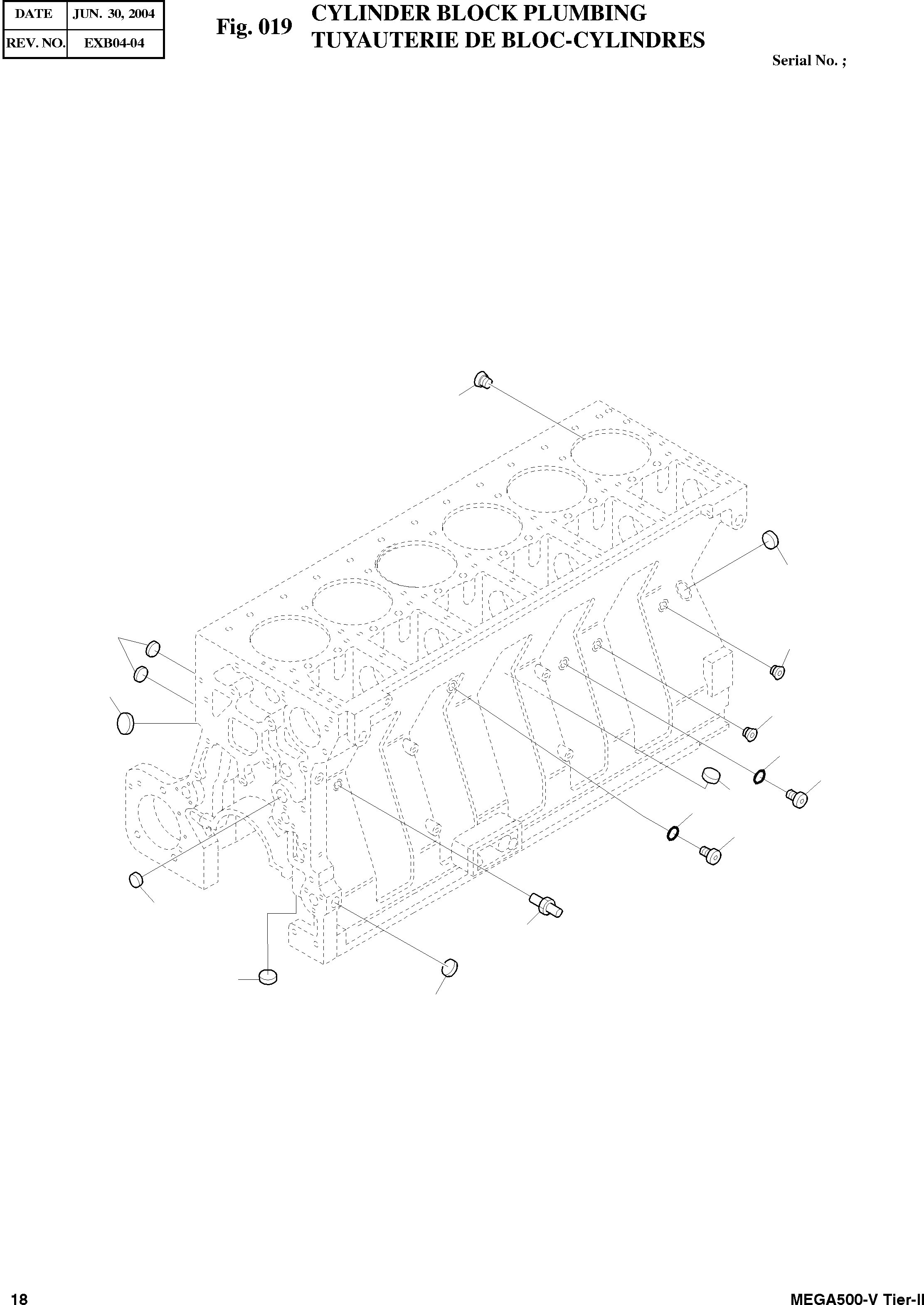
1

3008466

PLUG;PIPE

desc: BOUCHON

2шт.

2

3007635

PLUG;EXPANSION

desc: BOUCHON

4шт.

3

3007632

PLUG;EXPANSION

desc: BOUCHON

9шт.

4

3008468

PLUG;PIPE

desc: BOUCHON

1шт.

*

3037536

PLUG;THREADED

desc: BOUCHON

1шт.

5

3040813

PLUG;THREADED

desc: . BOUCHON

1шт.

6

3037537

O-RING

desc: . JOINT TORIQUE

1шт.

*

3046202

PLUG;THREADED

desc: BOUCHON

1шт.

7

3040810

PLUG;THREADED

desc: . BOUCHON

1шт.

8

3046201

O-RING

desc: . JOINT TORIQUE

1шт.

9

3042619

NIPPLE

desc: GRAISSEUR

1шт.

Выбрано товаров: 11