Запчасти Doosan Daewoo IND. TRANSMITTER HYDRAULIC PARTS

62
31
60
30
40
41
44
42
43
30
31
FIT
1:1
100%

Артикул

Название

Примечание

Количество

30

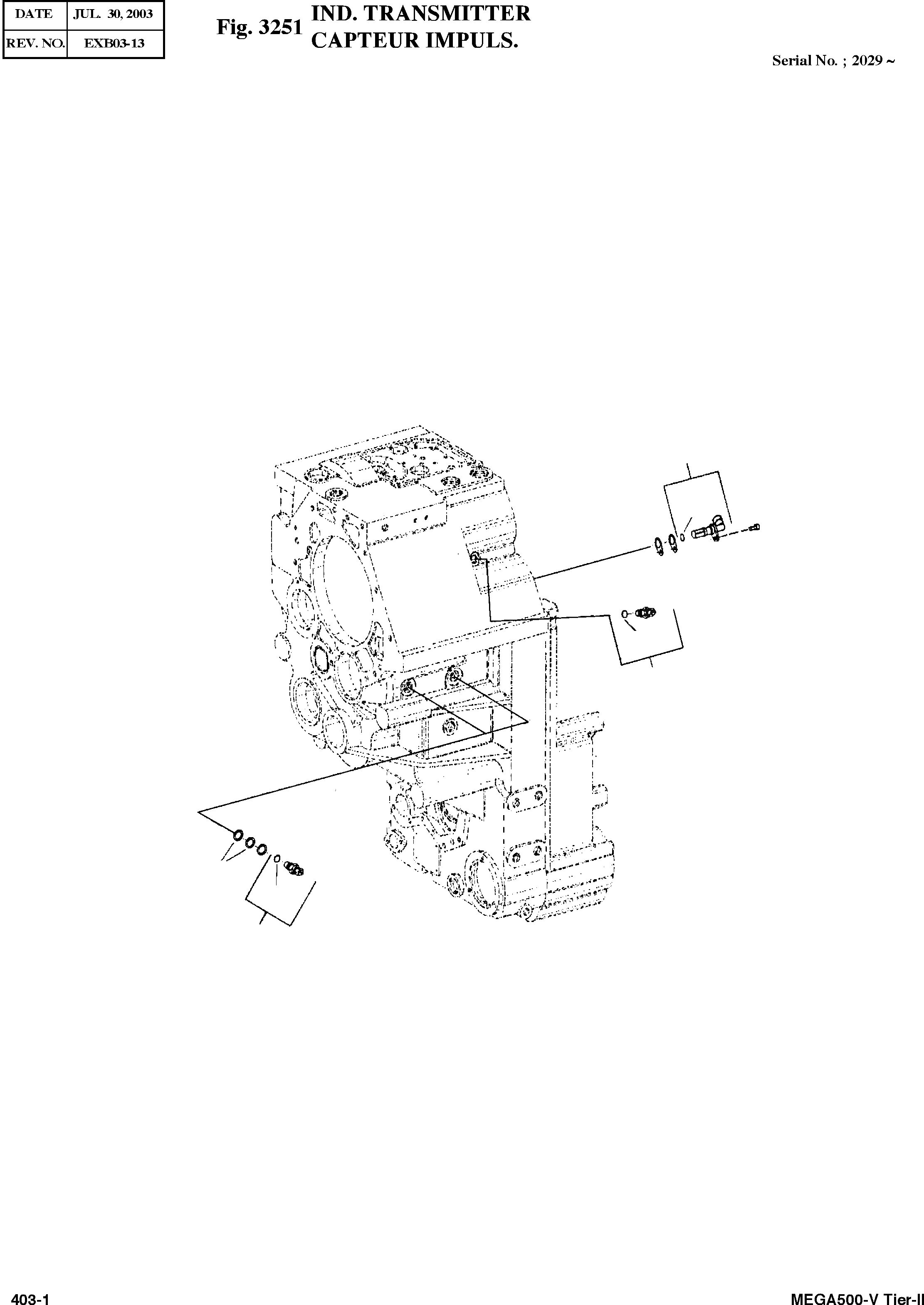
0501 209 719

IND. TRANSMITTER

desc: CAPTEUR IMPULS.

3шт.

31

0634 306 524

O-RING

desc: JOINT TORIQUE

3шт.

40

0501 317 949

TRANSMITT;SPEED

desc: CAPTEUR TACHYM.

1шт.

41

0634 313 728

O-RING

desc: JOINT TORIQUE

1шт.

42

4646 325 005

SHEET

desc: FEUILE

1шт.

43

4646 325 005

SHEET

desc: FEUILLE

2шт.

44

0636 101 415

SCREW;CAP

desc: VIS

1шт.

60

0630 004 242

RING;SHIM

desc: RONDELE AJUST.

4шт.

62

0630 004 179

RING;SHIM

desc: RONDELE AJUST.

2шт.

Выбрано товаров: 9