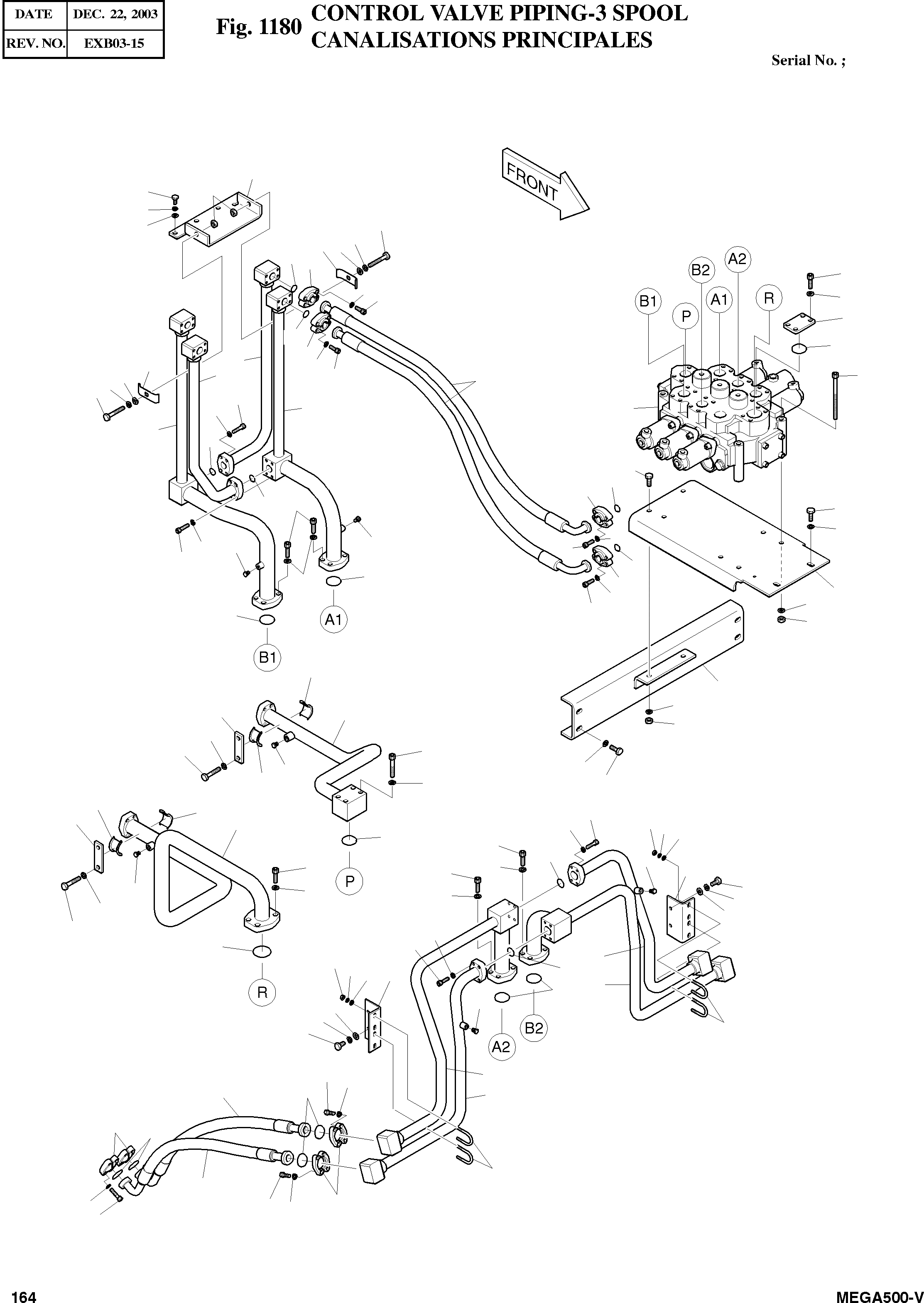
Запчасти Doosan Daewoo CONTROL VALVE PIPING-3 SPOOL BODY PARTS

16
33
5
39
41
38
40
3
32
42
16
15
11
20
9
17
14
7
15
25
32
20
42
6
27
19
17
3
38
34
20
26
13
24
16
16
4
15
11
16
4
3
20
43
43
17
20
34
16
7
15
9
2
20
3
17
7
5
51
1
3
37
21
5
3
35
8
3
43
9
51
4
51
51
36
37
22
47
20
45
44
7
11
16
43
49
9
11
11
48
9
43
9
3
3
50
20
35
36
12
31
47
45
49
44
16
28
7
43
50
3
48
46
34
30
20
16
18
29
15
16
46
52
15
20
34
20
17
FIT
1:1
100%

Артикул

Название

Примечание

Количество

-

400-00137

CONTROL VALVE PIPING-OPT

SC: D

-2шт.

1

4195-3975A

SUPPORT

desc: SUPPORT

1шт.

2

195-00027

SUPPORT

desc: SUPPORT

1шт.

3

S5102703

WASHER;SPRING M12

desc: RONDELLE ELASTIQUE M12

21шт.

4

S0560453

BOLT M12X1.75X35

desc: BOULON A 6 PANS

8шт.

5

S4012733

NUT M12X1.75

desc: ECROU

7шт.

6

4120-2142

BOLT;SOCKET M12X1.75X170

SERIAL: 1001-1011

3шт.

6

4120-2142A

BOLT;SOCKET M12X1.75X170

SERIAL: 1012

3шт.

7

2180-1026D24

O-RING

desc: JOINT TORIQUE

7шт.

8

S2216161

BOLT;SOCKET M12X1.75X75

SERIAL: 1001-1009

4шт.

8

S2216166

BOLT;SOCKET M12X1.75X75

SERIAL: 1010

4шт.

9

S5110701

WASHER;SPRING M12

SERIAL: 1001-1009

32шт.

9

S5110703

WASHER;SPRING M12

SERIAL: 1010

32шт.

11

S2215461

BOLT;SOCKET M12X1.75X40

SERIAL: 1001-1009

28шт.

11

S2215466

BOLT;SOCKET M12X1.75X40

SERIAL: 1010

28шт.

12

2180-1026D27

O-RING

desc: JOINT TORIQUE

1шт.

13

4420-9389

VALVE;CONTROL 3-SPOOL(OPT.)

desc: VANNE

1шт.

14

4621-2921

COVER

desc: COUVERCLE

2шт.

15

2181-9078

FLANGE;HALF 1.0ЎИ SAE

desc: FLASQUE EN DEUX PARTIES

32шт.

16

2180-1026D19

O-RING

desc: JOINT TORIQUE

20шт.

17

S2212261

BOLT;SOCKET M10X1.5X30

SERIAL: 1001-1009

48шт.

17

S2212266

BOLT;SOCKET M10X1.5X30

SERIAL: 1010

48шт.

18

2184-1082D105

HOSE;BOOM 1ЎИX850L

desc: TUYAU FLEXIBLE

2шт.

19

2184-1082D102

HOSE;BUCKET 1ЎИX1380L

desc: TUYAU FLEXIBLE

4шт.

20

S5110601

WASHER;SPRING M10

SERIAL: 1001-1009

80шт.

20

S5110603

WASHER;SPRING M10

SERIAL: 1010

80шт.

21

193-00042

PIPE;PUMP

SERIAL: 1001-1028

1шт.

21

193-00042A

PIPE;PUMP

SERIAL: 1029

1шт.

22

193-00041

PIPE;RETURN

desc: CONDUITE

1шт.

24

193-00036A

PIPE;BUCKET DUMP('B')

desc: CONDUITE

1шт.

25

193-00037A

PIPE;BUCKET DUMP('B')

desc: CONDUITE

1шт.

26

193-00038A

PIPE;BUCKET CRWD('A')

desc: CONDUITE

1шт.

27

193-00039A

PIPE;BUCKET CRWD('A')

desc: CONDUITE

1шт.

28

193-00034A

PIPE;BOOM DOWN('B')

SERIAL: 1001-1028

1шт.

28

193-00034B

PIPE;BOOM DOWN('B')

SERIAL: 1029

1шт.

29

193-00035A

PIPE;BOOM DOWN('B')

SERIAL: 1001-1028

1шт.

29

193-00035B

PIPE;BOOM DOWN('B')

SERIAL: 1029

1шт.

30

193-00032A

PIPE;BOOM UP('A')

desc: CONDUITE

1шт.

31

193-00033A

PIPE;BOOM UP('A')

desc: CONDUITE

1шт.

32

2124-1025D4

CLAMP;BUCKET CYLINDER

desc: ATTACHE DE TUBE

2шт.

33

195-00026A

BRACKET;BUCKET

SERIAL: 1001-1009

1шт.

33

195-00026B

BRACKET;BUCKET

SERIAL: 1010

1шт.

34

S2212461

BOLT;SOCKET M10X1.5X40

SERIAL: 1001-1009

22шт.

34

S2212466

BOLT;SOCKET M10X1.5X40

SERIAL: 1010

22шт.

35

S0515953

BOLT M12X1.75X65

desc: BOULON A 6 PANS

4шт.

36

S2212361

BOLT;SOCKET M10X1.5X35

SERIAL: 1001-1009

8шт.

36

S2212366

BOLT;SOCKET M10X1.5X35

SERIAL: 1010

8шт.

37

2191-2205D4

CLAMP

desc: COLLIER

2шт.

38

S0561253

BOLT M12X1.75X75

desc: BOULON A 6 PANS

2шт.

39

S0511953

BOLT M10X1.5X22

desc: BOULON A 6 PANS

4шт.

40

S5010613

WASHER;PLAIN M10

desc: RONDELLE

4шт.

41

S5102603

WASHER;SPRING M10

desc: RONDELLE ELASTIQUE M10

4шт.

42

S5010713

WASHER;PLAIN M12

desc: RONDELLE

2шт.

43

2181-2047

PLUG

desc: BOUCHON

6шт.

44

S5010513

WASHER;PLAIN M8

desc: RONDELLE M8

8шт.

45

S5102503

WASHER;SPRING M8

desc: RONDELLE ELASTIQUE M8

8шт.

46

4124-4031

CLAMP;BOOM PIPE

desc: ATTACHE DE TUBE

4шт.

47

S4012533

NUT M8X1.25

desc: ECROU

8шт.

48

S0515053

BOLT M12X1.75X25

desc: BOULON A 6 PANS

4шт.

49

195-00030

BRACKET

SERIAL: 1001-1028

2шт.

49

195-00030A

BRACKET

SERIAL: 1029

2шт.

50

2114-1058D72

WASHER;PLAIN

SERIAL: 1001-1028

12шт.

50

2114-1058D72

WASHER;PLAIN

SERIAL: 1029

10шт.

51

2161-2131A

RUBBER

desc: MANCHON CAOUTCHOUC

4шт.

52

DS2040268

HOSE PF1-820L

desc: TUYAU FLEXIBLE

2шт.

Выбрано товаров: 65