Запчасти Doosan Daewoo ELECTRIC PARTS(1) BODY PARTS

33
32
31
14
4
15
9A
3
20A
17
2
18
16
6A
23
13
26
25
1
24
5
12
11
9
10
30
29
27
28
22
20
21
6
7
8
34
19
FIT
1:1
100%

Артикул

Название

Примечание

Количество

-

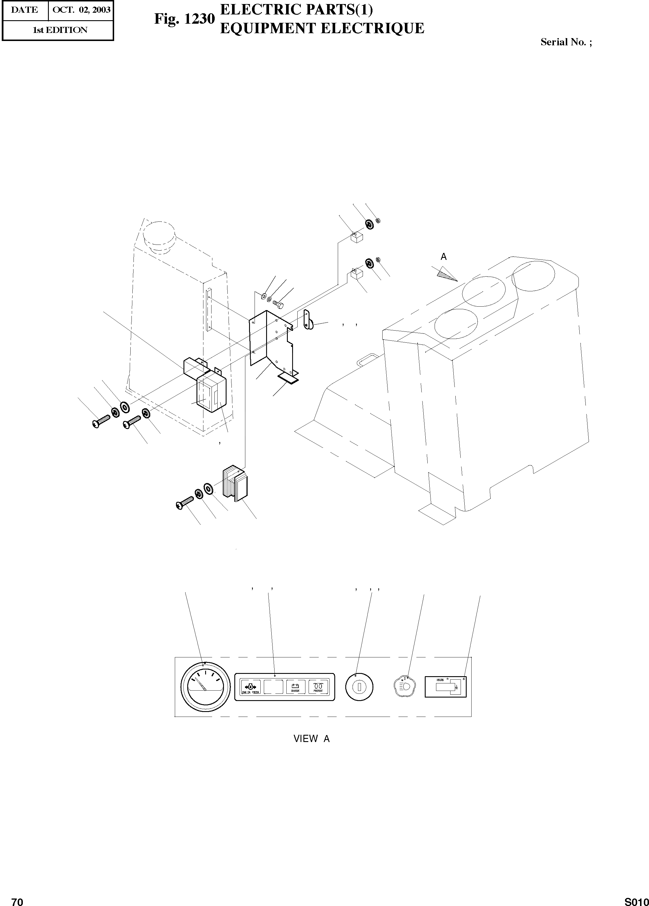
2500-1169

ELECTRIC PARTS(1)

SC: D

-2шт.

1

2621-2798A

PANEL

desc: PANNEAU

1шт.

2

S0508453

BOLT M8X1.25X12

desc: BOULON A 6 PANS

2шт.

3

S5102503

WASHER;SPRING M8

desc: RONDELLE ELASTIQUE

2шт.

4

S5010513

WASHER;PLAIN M8

desc: RONDELLE

2шт.

5

2512-1100

RUBBER;CUSHION

desc: CAOUTCHOUC

1шт.

6

2549-9100

SWITCH;STARTER

desc: MANOCONTACT DE PRESSION

1шт.

6A

2172-1082

KEY

desc: . CLAVETTE

1шт.

7

2160-1218

CAP

desc: BOUCHON

1шт.

8

2190-1255

PLATE;NAME

desc: PLAQUE D'INDETIFICATION

1шт.

9

2512-1101

BOX;FUSE

desc: BOITE

1шт.

9A

2527-1016

FUSE;BLADE 10A

desc: . LAME DE FUSIBLE

6шт.

10

S3450603

SCREW M4X0.7X16

desc: VIS

1шт.

11

S5100103

WASHER;SPRING M4

desc: RONDELLE ELASTIQUE

2шт.

12

2190-2163

PLAE;NAME

desc: PLAQUE D'IDENTIFICATION

1шт.

13

2516-1121

HORN

desc: AVERTISSEUR

1шт.

14

S0508453

BOLT M8X1.25X12

desc: BOULON A 6 PANS

1шт.

15

S5102503

WASHER;SPRING M8

desc: RONDELLE ELASTIQUE

1шт.

16

2544-9032

RELAY;HORN

desc: UNITE DE COMMANDE

1шт.

17

S4012233

NUT M5X0.8X10

desc: ECROU

1шт.

18

S5100203

WASHER;SPRING M5

desc: RONDELLE ELASTIQUE

1шт.

19

2528-9040

METER;HOUR

desc: TOTALISATEUR HORAIRE

1шт.

20

5534-1125D3

PILOT LAMP ASS'Y

desc: LAMPE

1шт.

20A

S862103H

BULB 12V 3.4W

desc: . LAMPE

4шт.

21

2161-1919

RUBBER;GLOW

desc: CAOUTCHOUC

1шт.

22

171010-77850

GAUGE;WATER TEMP

desc: INDICATEUR TEMPERATURE DE L'EAU

1шт.

23

119332-77810

RESISTOR;GLOW

desc: RESISTANCE MODE AUXILIAIRE

1шт.

24

S3450843

SCREW M5X0.8X14

desc: VIS

2шт.

25

S5100203

WASHER;SPRING M5

desc: RONDELLE ELASTIQUE

1шт.

26

S5000203

WASHER;PLAIN M5

desc: RONDELLE

1шт.

27

121520-77710

LIMITER;CURRENT

desc: INTERUPTEUR

1шт.

28

S3450863

SCREW M5X0.8X20

desc: VIS

2шт.

29

S5100203

WASHER;SPRING M5

desc: RONDELLE ELASTIQUE

1шт.

30

S5000203

WASHER;PLAIN

desc: RONDELLE

1шт.

31

2544-9032

RELAY;HORN

desc: UNITE DE COMMANDE

1шт.

32

S5100203

WASHER;SPRING M5

desc: RONDELLE ELASTIQUE

1шт.

33

S4012333

NUT M5X0.8

desc: ECROU

1шт.

34

2549-1132D1

SWITCH;LAMP

desc: MANOCONTACT DE PRESSION D'HUILE

1шт.

Выбрано товаров: 38