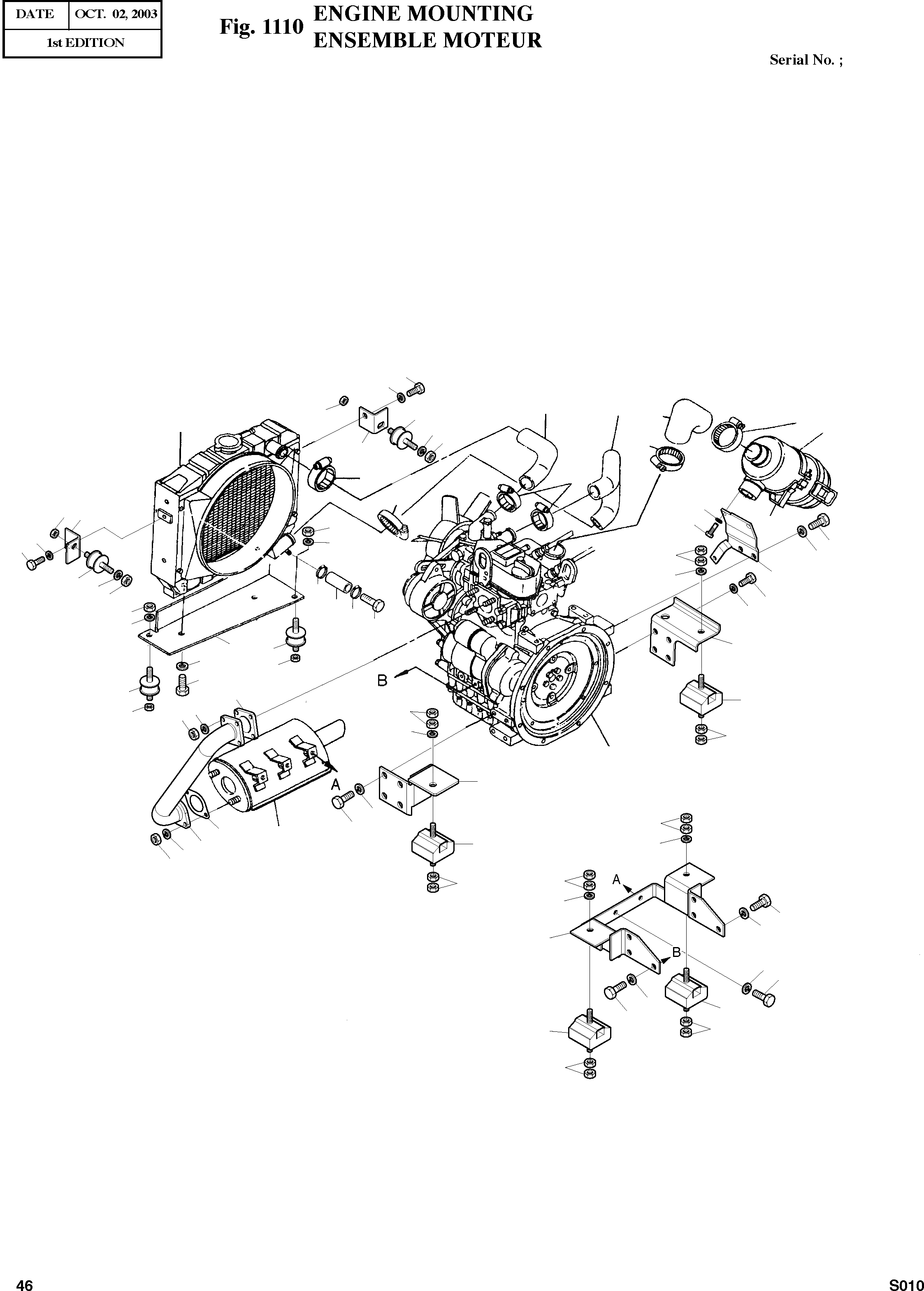
Запчасти Doosan Daewoo ENGINE MOUNTING BODY PARTS

15
16
18
27
17
24
18
33
13
31
16
18
32
15
25
18
16
16
15
34
6
35
4
10
17
16
37
18
3
36
4
18
37
20
16
12
7
17
16
18
15
17
23
5
16
6
18
18
4
6
1
8
4
6
3
19
22
5
4
21
16
18
6
6
4
3
4
2
16
20
4
5
3
6
5
6
33
31
31
11
30
29
FIT
1:1
100%

Артикул

Название

Примечание

Количество

-

2201-1079

ENGINE MOUNTING ASS'Y

SC: D

-2шт.

1

2201-9062

ENGINE

desc: MOTEUR

1шт.

1

201-00037

ENGINE(ONLY U.S.A.)

desc: MOTEUR

1шт.

2

2195-3738

BRACKET

desc: SUPPORT

1шт.

3

S0511853

BOLT M10X1.5X20

desc: BOULON A 6 PANS

14шт.

4

S5102603

WASHER;SPRING M10

desc: RONDELLE ELASTIQUE

22шт.

5

2161-9042

RUBBER;MOUNTING

desc: CAOUTCHOUC

4шт.

6

S4012633

NUT M10X1.5

desc: ECROU

16шт.

7

2195-3739A

BRACKET

desc: SUPPORT

1шт.

8

2195-3740A

BRACKET

desc: SUPPORT

1шт.

10

2195-3741A

BRACKET

desc: SUPPORT

1шт.

11

2202-9047

RADIATOR(119332-44501)

desc: RADIATEUR

1шт.

12

2412-1037

BRACKET

desc: SUPPORT

1шт.

13

2195-3776A

BRACKET

desc: SUPPORT

1шт.

15

S0508653

BOLT M8X1.25X16

desc: BOULON A 6 PANS

6шт.

16

S5102503

WASHER;SPRING M8

desc: RONDELLE ELASTIQUE

23шт.

17

2161-1223A

RUBBER;MOUNTING

desc: CAOUTCHOUC

4шт.

18

S4012533

NUT M6X1.0

desc: ECROU

14шт.

19

2203-9009

MUFFLER

desc: SILENCIEUX

1шт.

20

S0508853

BOLT M8X1.25X20

desc: BOULON A 6 PANS

4шт.

21

2193-1282B

PIPE;EXHAUST

desc: TUBULURE D'ECHAPPEMENT

1шт.

22

2180-1201

GASKET

desc: JOINT

1шт.

23

2180-1202

GASKET

desc: JOINT

1шт.

24

2204-9030

CLEANER;AIR

desc: FILTRE A AIR

1шт.

25

2124-1517

BAND;AIR CLEANER

desc: COLLIER FILTRE A AIR

1шт.

27

2184-1240

HOSE;AIR CLEANER

desc: TUYAU FLEXIBLE

1шт.

29

2184-1239

HOSE;WATER

desc: TUYAU D'EAU

1шт.

30

2184-1238

HOSE;WATER

desc: TUYAU D'EAU

1шт.

31

S8450023

CLAMP

desc: COLLIER

4шт.

32

2195-3778

BRACKET

desc: SUPPORT

1шт.

33

S8450044

CLAMP

desc: COLLIER

2шт.

34

S0508853

BOLT M8X1.25X20

desc: BOULON A 6 PANS

2шт.

35

S5102503

WASHER;SPRING M8

desc: RONDELLE ELASTIQUE

2шт.

36

2185-1247D35

HOSE;DRAIN

desc: TUYAU FLEXIBLE

1шт.

37

S8450006

CLAMP;HOSE

desc: COLLIER

2шт.

Выбрано товаров: 35