Запчасти Doosan Daewoo GENERATOR ENGINE PARTS

25
26
24
27
23
29
28
30
1
22
7
31
21
20
19
18
5
8
9
2
17
3
4
6
16
15
14
13
12
11
10
FIT
1:1
100%

Артикул

Название

Примечание

Количество

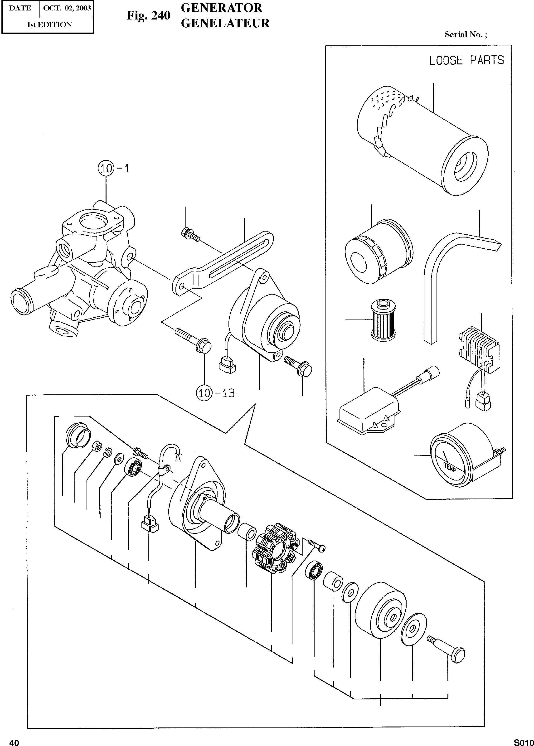
1

119663-77200

GENERATOR

desc: ALTERNATEUR

1шт.

2

XM91967

PLATE ASS'Y

SC: D

1шт.

3

XM91968

PLATE

SC: D

1шт.

4

XM91969

STATOR

SC: D

1шт.

5

XM27436

BEARING;BALL

SC: D

1шт.

6

26022-040252

SCREW M4X25

SC: D

2шт.

7

XYSPS4008

SCREW

SC: D

1шт.

8

XM36410

CLAMP

SC: D

1шт.

9

XM17878

COUPLER

SC: D

1шт.

10

XM82099

FLYWHEEL ASS'Y

SC: D

1шт.

11

XM82110

FLYWHEEL

SC: D

1шт.

12

XM72174

PULLEY

SC: D

1шт.

13

XM42927

SHAFT

SC: D

1шт.

14

XM47549

WASHER M4

SC: D

1шт.

15

XM72701

COLLAR

SC: D

1шт.

16

XM27436

BEARING;BALL

SC: D

1шт.

17

106383-44720

SPACER

SC: D

1шт.

18

106383-44730

WASHER

SC: D

1шт.

19

22212-100000

WASHER;SPRING

SC: D

1шт.

20

26716-100002

NUT M10

SC: D

1шт.

21

105225-44790

CAP

SC: D

1шт.

22

26106-100402

BOLT M10X40

desc: BOULON A 6 PANS

1шт.

23

121450-77330

ADJUSTER;BELT

desc: COURROIE

1шт.

24

26014-080252

BOLT M8X25

desc: BOULON A 6 PANS

1шт.

25

171033-12510

ELEMENT;AIR CLEANER

desc: ELEMENT

1шт.

26

119305-35150

FILTER;LUB.OIL

desc: FILTRE

1шт.

27

104514-42780

V-BELT

desc: COURROIE

1шт.

28

124550-55700

ELEMENT

desc: ELEMENT

1шт.

29

121520-77710

LIMITER;CURRENT

desc: INTERUPTEUR

1шт.

30

119332-77810

RESISTOR

desc: RESISTANCE MODE AUXILIAIRE

1шт.

31

171010-77850

THERMOMETER

desc: INDICATEUR TEMPERATURE DE L'EAU

1шт.

Выбрано товаров: 0