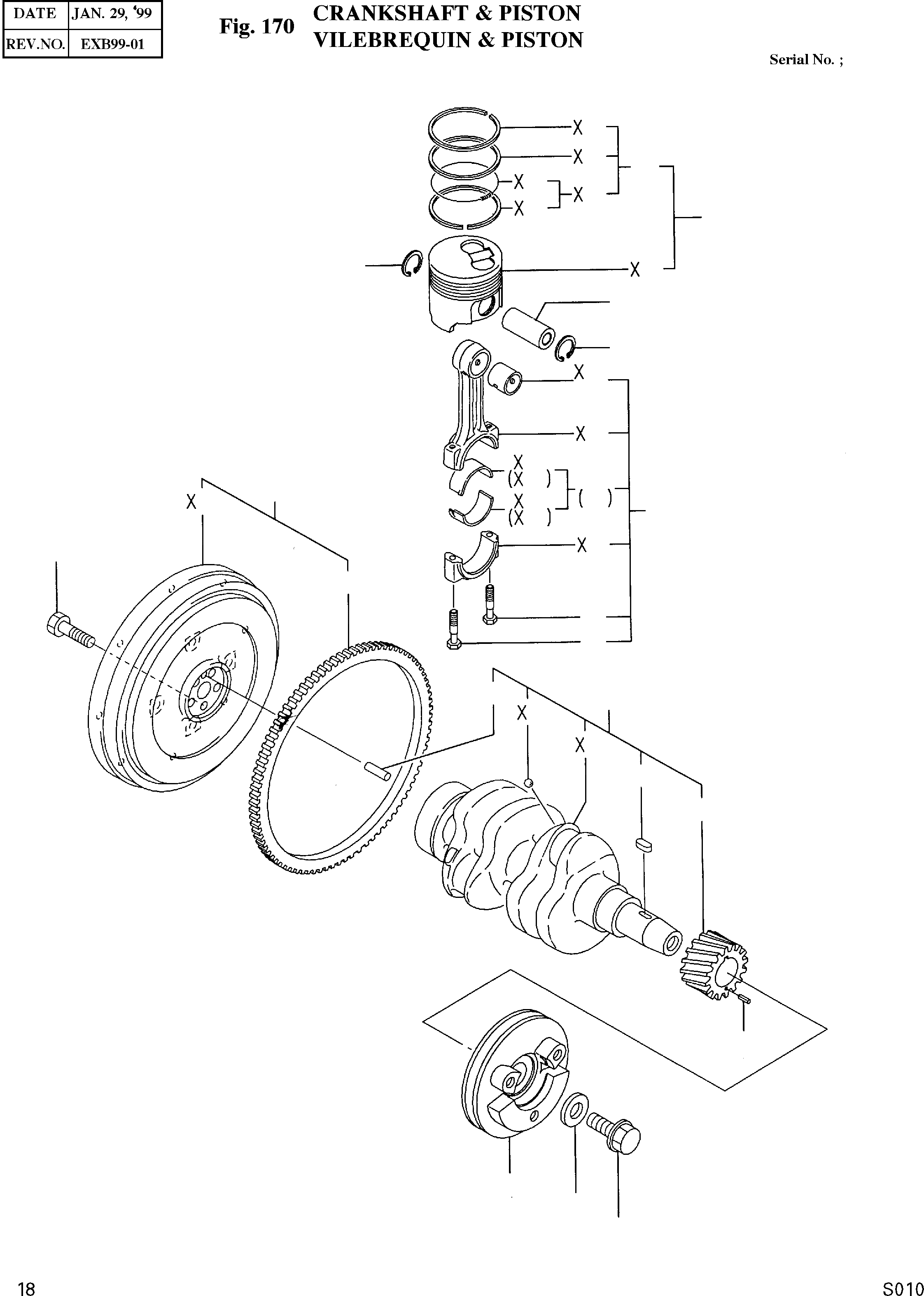
Запчасти Doosan Daewoo CRANKSHAFT & PISTON ENGINE PARTS

18
17
15
23
24
28
30
12
25
11
14
29
29
2
1
5
4
7
8
10
9
19
20
21
22
16
16
27
26
32
31
33
31
33
26
6
3
13
FIT
1:1
100%

Артикул

Название

Примечание

Количество

1

119309-21700

CRANKSHAFT ASS'Y

desc: ENSEMBLE DE VILEBREQUIN

1шт.

2

129100-01580

PIN;PARALLEL

desc: . GOUJON

1шт.

3

119309-21010

CRANKSHAFT

SC: D

1шт.

4

119260-21200

GEAR;CRANKSHAFT

desc: . PIGNON

1шт.

5

22512-040120

KEY 4X12

desc: . KEY

1шт.

6

24190-080001

BALL;STEEL

SC: D

2шт.

7

22351-030010

PIN;SPRING

desc: GOUPILLE ELASTIQUE

1шт.

8

119325-21670

V-PULLEY

desc: POULIE DE V

1шт.

9

119621-21680

BOLT;FLANGE M12X1.25

desc: BOULON A 6 PANS

1шт.

10

119620-21941

WASHER

desc: RONDELLE

1шт.

11

121111-21501

BOLT;FLYWHEEL

desc: BOULON A 6 PANS

5шт.

12

119325-21560

FLYWHEEL ASS'Y

desc: VOLANT

1шт.

13

119325-21440

FLYWHEEL

SC: D

1шт.

14

124950-21600

GEAR;RING

desc: . COURONNE DENTEE

1шт.

15

119265-22601

PISTON

desc: PISTON

2шт.

16

119265-22911

PISTON

SC: D

2шт.

17

119265-22500

SET;RING

desc: . BAGUE

2шт.

18

119265-22100

RING;TOP

SC: D

2шт.

19

119265-22110

2ND RING;PISTON

SC: D

2шт.

20

119265-22200

OIL RING ASS'Y

SC: D

2шт.

21

119265-22220

EXPANDER;COIL

SC: D

2шт.

22

119265-22210

RING;OIL

SC: D

2шт.

23

119265-22300

PIN;PISTON

desc: GOUJON

2шт.

24

22252-000200

CIRCLIP

desc: CIRCLIP

4шт.

25

119265-23100

CONNECTING ROD ASS'Y

desc: ENSEMBLE DE BIELLE

2шт.

26

119265-23010

ROD;CONNECTING

SC: D

2шт.

27

119260-23100

BUSH;PISTON PIN

SC: D

2шт.

28

119260-23910

BUSH;PISTON PIN

desc: . DOUILLE

2шт.

29

119265-23200

BOLT;ROD

desc: . BOULON A 6 PANS

4шт.

30

719260-23600

METAL;CRANK PIN

desc: . PALIER

2шт.

31

119260-23300

METAL;CON.ROD

SC: D

4шт.

32

719260-23610

METAL;PIN

desc: PALIER

2шт.

33

119260-23350

BEARING

SC: D

4шт.

Выбрано товаров: 0