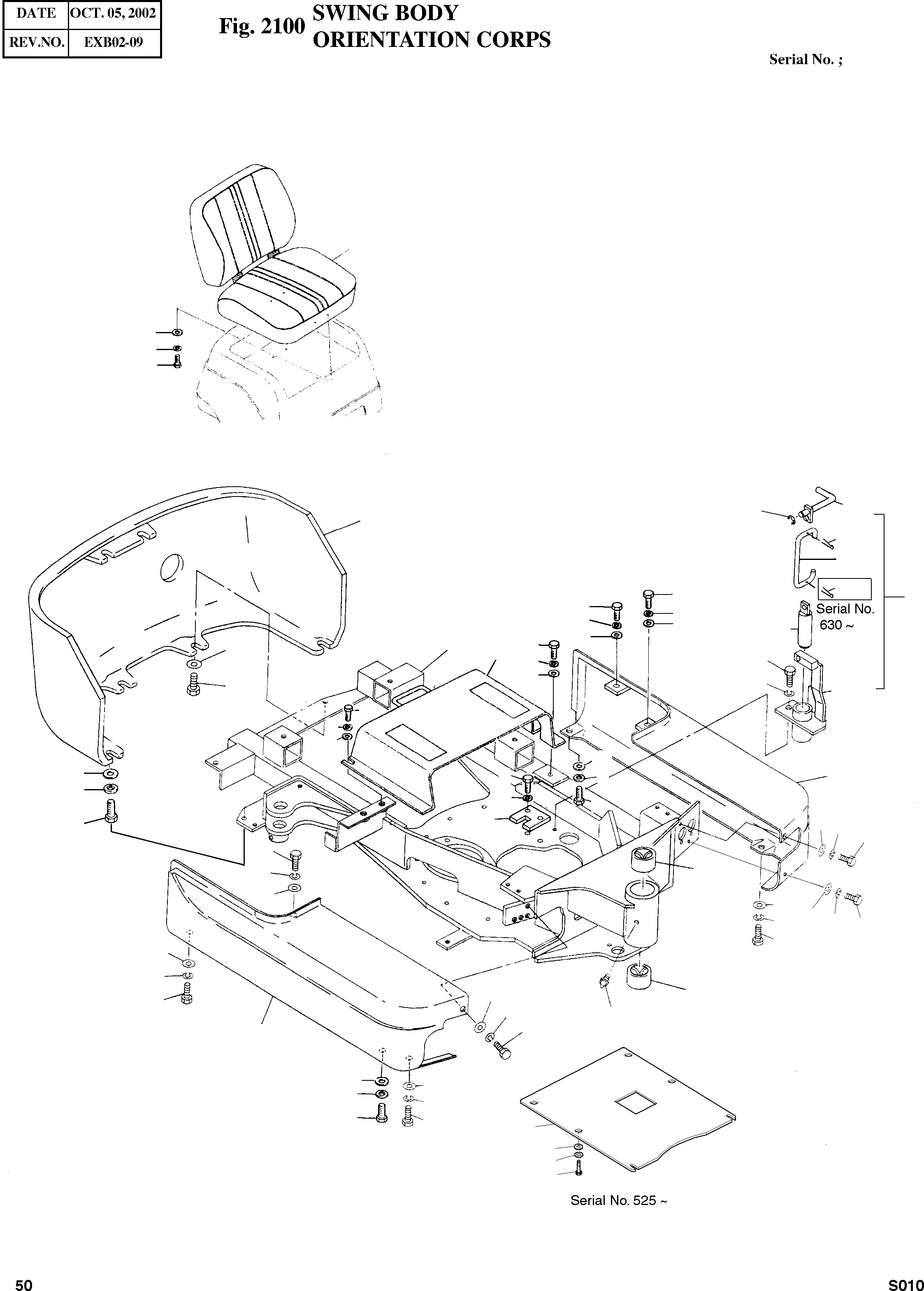
Запчасти Doosan Daewoo SWING BODY TRACK PARTS

9
14
20
16
15
12-6
12-4
12-5
12-3
2
12-5
12-2
12-1
8
12
8
9
9
10
10
1
4
3
13
3
5
19
5
3
8
10
10
4
6
3
9
5
5
8
11
10
3
9
18
1-1
8
1-33
9
10
10
10
9
9
8
8
10
1-33
9
10
8
9
18
7
10
10
9
9
8
8
21
20
16
22
FIT
1:1
100%

Артикул

Название

Примечание

Количество

-

2600-1062

MAIN FRAME ASS'Y

SC: D

-2шт.

1

2603-1328G

FRAME;MAIN

SERIAL: 1-323

1шт.

1

2603-1328H

FRAME;MAIN

SERIAL: 324-524

1шт.

1

2603-1328J

FRAME;MAIN

SERIAL: 525

1шт.

1-1

S6710042

NIPPLE;GREASE

desc: . GRAISSEUR

1шт.

1-33

2110-1214A

BUSH

desc: . COUSSINET

2шт.

2

2624-1057G

WEIGHT;COUNTER

SERIAL: 1-323

1шт.

2

2624-1057H

WEIGHT;COUNTER

SERIAL: 324

1шт.

3

S0558253

BOLT M10X1.5X35

desc: BOULON A 6 PANS

9шт.

4

2114-1058D10

WASHER;PLAIN M10

desc: RONDELLE PLATE

4шт.

5

S5102603

WASHER;SPRING M10

desc: RONDELLE ELASTIQUE M10

9шт.

6

2621-2780C

COVER;SIDE(L.H.)

SERIAL: 1-323

1шт.

6

2621-2780E

COVER;SIDE(L.H.)

SERIAL: 324

1шт.

7

2621-2781C

COVER;SIDE(R.H.)

SERIAL: 1-323

1шт.

7

2621-2781E

COVER;SIDE(R.H.)

SERIAL: 324

1шт.

8

S0508653

BOLT M8X1.25X16

desc: BOULON A 6 PANS

12шт.

9

S5102503

WASHER;SPRING M8

desc: RONDELLE ELASTIQUE M8

12шт.

10

S5010513

WASHER;PLAIN M8

desc: RONDELLE M8

12шт.

11

2621-2742A

PLATE;C/J

SERIAL: 1-629

1шт.

11

2621-2742B

PLATE;C/J

SERIAL: 630

1шт.

12

2123-1867A

LOCK ASS'Y

SERIAL: 1-629

1шт.

12

2123-1867B

LOCK ASS'Y

SERIAL: 630

1шт.

12-1

2237-1058

BOSS

desc: . BOSS

1шт.

12-2

2123-1866

PIN;SWING LOCK

desc: . BROCHE DE VERROUILLAGE D'ORIENTAT

1шт.

12-3

2136-1396A

ROD

SERIAL: 1-629

1шт.

12-3

2136-1396B

ROD

SERIAL: 630

1шт.

12-4

2133-1911

LEVER

desc: . LEVIER

1шт.

12-5

S5735150

PIN;SPLIT D1.8

SERIAL: 1-629

1шт.

12-5

S5735150

PIN;SPLIT D1.8

SERIAL: 630

2шт.

12-6

S6540800

E-RING

desc: . BAGUE

1шт.

13

2621-2741C

COVER

SERIAL: 1-629

1шт.

13

2621-2741E

COVER

SERIAL: 630

1шт.

14

2901-1055

SEAT

SERIAL: 1-484

1шт.

14

901-00021

SEAT

SERIAL: 485

1шт.

15

S0509053

BOLT M8X1.25X25

desc: BOULON A 6 PANS

4шт.

16

S5102503

WASHER;SPRING M8

SERIAL: 1-524

4шт.

16

S5102503

WASHER;SPRING M8

SERIAL: 525

10шт.

18

S0508453

BOLT M8X1.25X12

desc: BOULON A 6 PANS

2шт.

19

S5010613

WASHER;PLAIN M10

desc: RONDELLE

1шт.

20

2114-1058D29

WASHER;PLAIN

SERIAL: 1-524

4шт.

20

2114-1058D29

WASHER;PLAIN

SERIAL: 525

10шт.

21

621-02166

COVER;UNDER

SERIAL: 525

1шт.

22

S0508853

BOLT M8X1.25X20

SERIAL: 525

6шт.

Выбрано товаров: 43