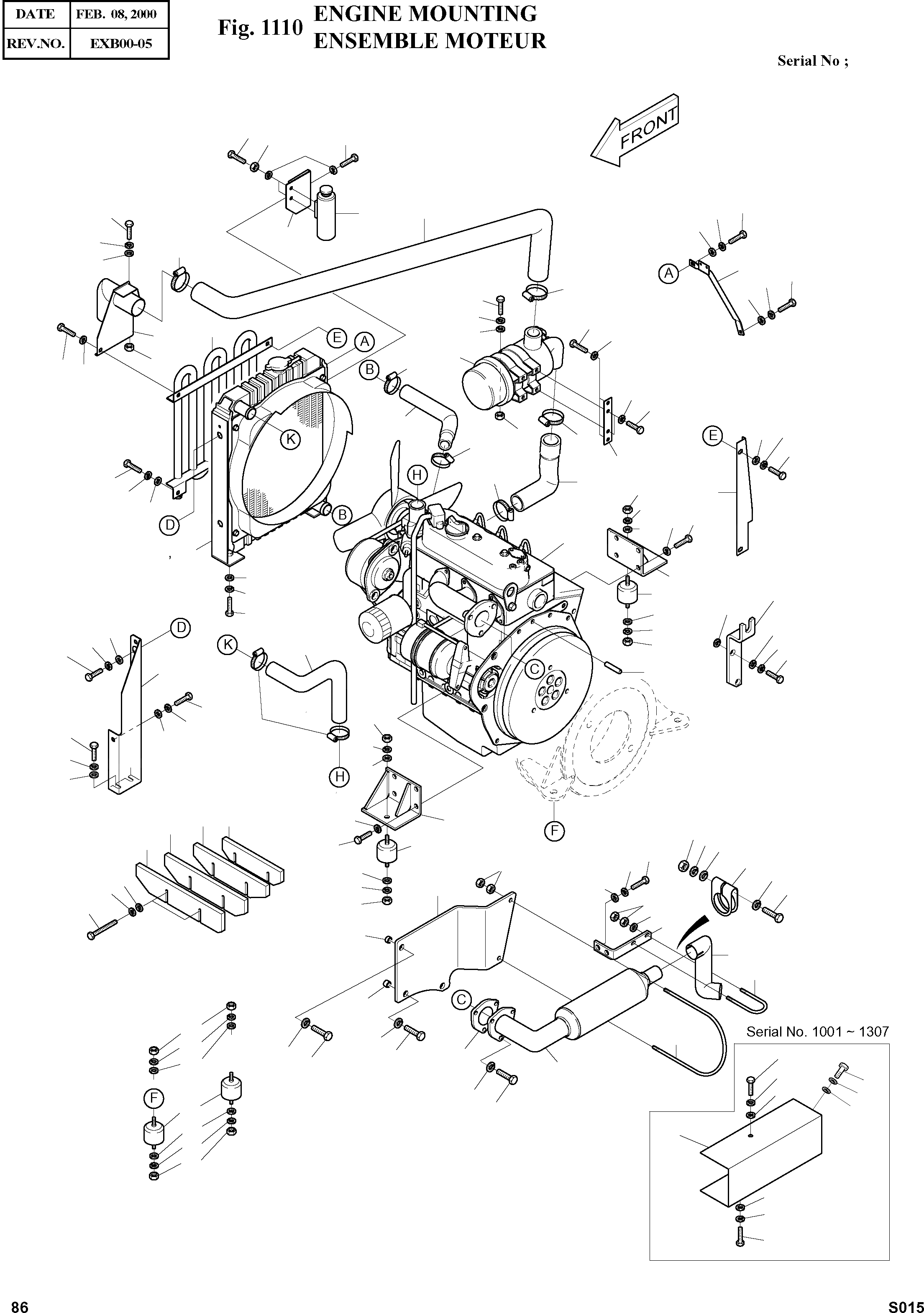
Запчасти Doosan Daewoo ENGINE MOUNTING BODY PARTS

2A
43
43
60
57
45
26
55
12
41
56
11
55
66
56
17
41
55
66
56
52
55
41
3
56
10
55
4
64
67
44
55
55
41
29
55
56
64
66
67
41
19
66
44
27
65
9
55
58
56
40
58
59
1
2
59
7
13
18
58
56
59
42
56
56
58
55
55
28
65
45
41
8
38
41
65
67
55
41
56
58
55
59
56
22
23
58
6
21
64
56
20
13
40
55
41
33
63
55
59
56
62
58
15
56
50
61
63
65
49
60
24
30
16
34
31
65
32
55
58
55
47
68
51
59
48
5
55
43
56
55
57
13
51
60
59
14
58
65
60
57
43
FIT
1:1
100%

Артикул

Название

Примечание

Количество

-

2201-1080

ENGINE MOUNTING ASS'Y

SC: D

-2шт.

1

2201-9072

ENGINE

desc: MOTEUR

1шт.

2

2202-9067

RADIATOR

desc: RADIATEUR

1шт.

2A

N247K11100

CAP ASS'Y

desc: . BOUCHON

1шт.

3

2920-9047

COOLER;OIL

desc: REFROIDSSMENT

1шт.

4

17525-11012

AIR CLEANER ASS'Y

desc: FILTRE A AIR

1шт.

4A

15501-11081

ELEMENT;AIR CLEANER

desc: . ELEMENTRE

1шт.

5

12583-12112

MUFFLER

desc: SILENCIEUX

1шт.

6

2197-1846

BRACKET;ENGINE(R.H.)

desc: SUPPORT

1шт.

7

2197-1845

BRACKET;ENGINE(L.H.)

desc: SUPPORT

1шт.

8

2197-1848A

BRACKET;RADIATOR

desc: SUPPORT

1шт.

9

2621-3907

COVER;RADIATOR

desc: COUVERCLE

1шт.

10

2197-1889

BRACKET

desc: SUPPORT

1шт.

11

2197-1946A

BRACKET

desc: SUPPORT

1шт.

12

15531-72403

SURGE TANK

desc: RESERVOIR

1шт.

13

2161-9063

RUBBER;MOUNTING

desc: CAOUTCHOUC

4шт.

14

2621-3976

COVER;MUFFLER

SERIAL: 1001-1040

1шт.

14

2621-3976A

COVER;MUFFLER

SERIAL: 1041-1307

1шт.

15

2197-1847

BRACKET;MUFFLER

desc: SUPPORT

1шт.

16

2182-1655A

PIPE;TAIL

desc: CONDUITES

1шт.

17

2197-1852

BRACKET;RADIATOR

desc: SUPPORT

1шт.

18

2197-1951

BRACKET;ACCEL

desc: SUPPORT

1шт.

19

2159-1203

PLATE;CLEANER

desc: PLAQUE

2шт.

20

2159-1182A

PLATE

SERIAL: 1001-1094

1шт.

20

2159-1182B

PLATE

SERIAL: 1095

1шт.

21

2159-1183

PLATE

SERIAL: 1001-1094

1шт.

21

2159-1183A

PLATE

SERIAL: 1095

1шт.

22

2159-1184

PLATE

SERIAL: 1001-1094

1шт.

22

2159-1184A

PLATE

SERIAL: 1095

1шт.

23

2159-1185

PLATE

SERIAL: 1001-1094

1шт.

23

2159-1185A

PLATE

SERIAL: 1095

1шт.

24

2197-1950A

BRACKET;PIPE

desc: SUPPORT

1шт.

26

2184-1284

HOSE;AIR CLEANER

desc: TUYAU FLEXIBLE

1шт.

27

2185-1684

HOSE;AIR CLEANER

desc: TUYAU FLEXIBLE

1шт.

28

2184-1282

HOSE;UPPER

desc: TUYAU FLEXIBLE

1шт.

29

2184-1283

HOSE;LOWER

desc: TUYAU FLEXIBLE

1шт.

30

2114-1889

SPACER

desc: BAGUE

1шт.

31

2114-1888

SPACER

desc: BAGUE

2шт.

32

2124-1637

BOLT;U

desc: BOULON A 6 PANS

1шт.

33

66711-54422

BAND;PIPE

desc: COLLIER DE TUYAU

1шт.

34

2120-2161

BOLT;U

desc: BOULON A 6 PANS

1шт.

38

S5711040

PIN

desc: GOUJON

1шт.

40

S0711953

BOLT M10X1.5X22

desc: BOULON A 6 PANS

8шт.

41

S0508853

BOLT M8X1.25X20

desc: BOULON A 6 PANS

17шт.

42

S0511853

BOLT M10X1.5X20

desc: BOULON A 6 PANS

2шт.

43

S0504653

BOLT M6X1.0X16

SERIAL: 1001-1040

5шт.

43

S0504653

BOLT M6X1.0X16

SERIAL: 1041-1307

7шт.

43

S0504653

BOLT M6X1.0X16

SERIAL: 1308

4шт.

44

S0508653

BOLT M8X1.25X16

desc: BOULON A 6 PANS

4шт.

45

S0508753

BOLT M8X1.25X18

desc: BOULON A 6 PANS

2шт.

47

S0508453

BOLT M8X1.25X12

SERIAL: 1001-1307

1шт.

48

S0509053

BOLT M8X1.25X25

desc: BOULON A 6 PANS

1шт.

49

S0561453

BOLT M12X1.75X85

desc: BOULON A 6 PANS

2шт.

50

S0556753

BOLT M8X1.25X70

desc: BOULON A 6 PANS

1шт.

51

S0509253

BOLT M8X1.25X30

desc: BOULON A 6 PANS

5шт.

52

S0509353

BOLT M8X1.25X35

desc: BOULON A 6 PANS

2шт.

55

S5102503

WASHER;SPRING M8

SERIAL: 1001-1307

33шт.

55

S5102503

WASHER;SPRING M8

SERIAL: 1308

32шт.

56

S5010513

WASHER;PLAIN M8

SERIAL: 1001-1307

18шт.

56

S5010513

WASHER;PLAIN M8

SERIAL: 1308

16шт.

57

S5102303

WASHER;SPRING M6

SERIAL: 1001-1040

5шт.

57

S5102303

WASHER;SPRING M8

SERIAL: 1041-1307

7шт.

57

S5102303

WASHER;SPRING M8

SERIAL: 1308

4шт.

58

S5102603

WASHER;SPRING M10

desc: RONDELLE ELASTIQUE M10

18шт.

59

S5010613

WASHER;PLAIN M10

desc: RONDELLE

8шт.

60

S5010313

WASHER;PLAIN M6

SERIAL: 1001-1040

5шт.

60

S5010313

WASHER;PLAIN M8

SERIAL: 1041-1307

7шт.

60

S5010313

WASHER;PLAIN M8

SERIAL: 1308

4шт.

61

S5102703

WASHER;SPRING M12

desc: RONDELLE ELASTIQUE M12

2шт.

62

2114-1058D46

WASHER

desc: RONDELLE

2шт.

63

S4012333

NUT M6X1.0

desc: ECROU M6X1.0

8шт.

64

S4012533

NUT M8X1.25

desc: ECROU

4шт.

65

S4032633

NUT M10X1.25

desc: ECROU

8шт.

66

S8450044

CLAMP;HOSE

desc: COLLIER

4шт.

67

S8450023

CLAMP;HOSE

desc: COLLIER

4шт.

68

15862-12231

PACKING

desc: BAGUE

1шт.

Выбрано товаров: 76