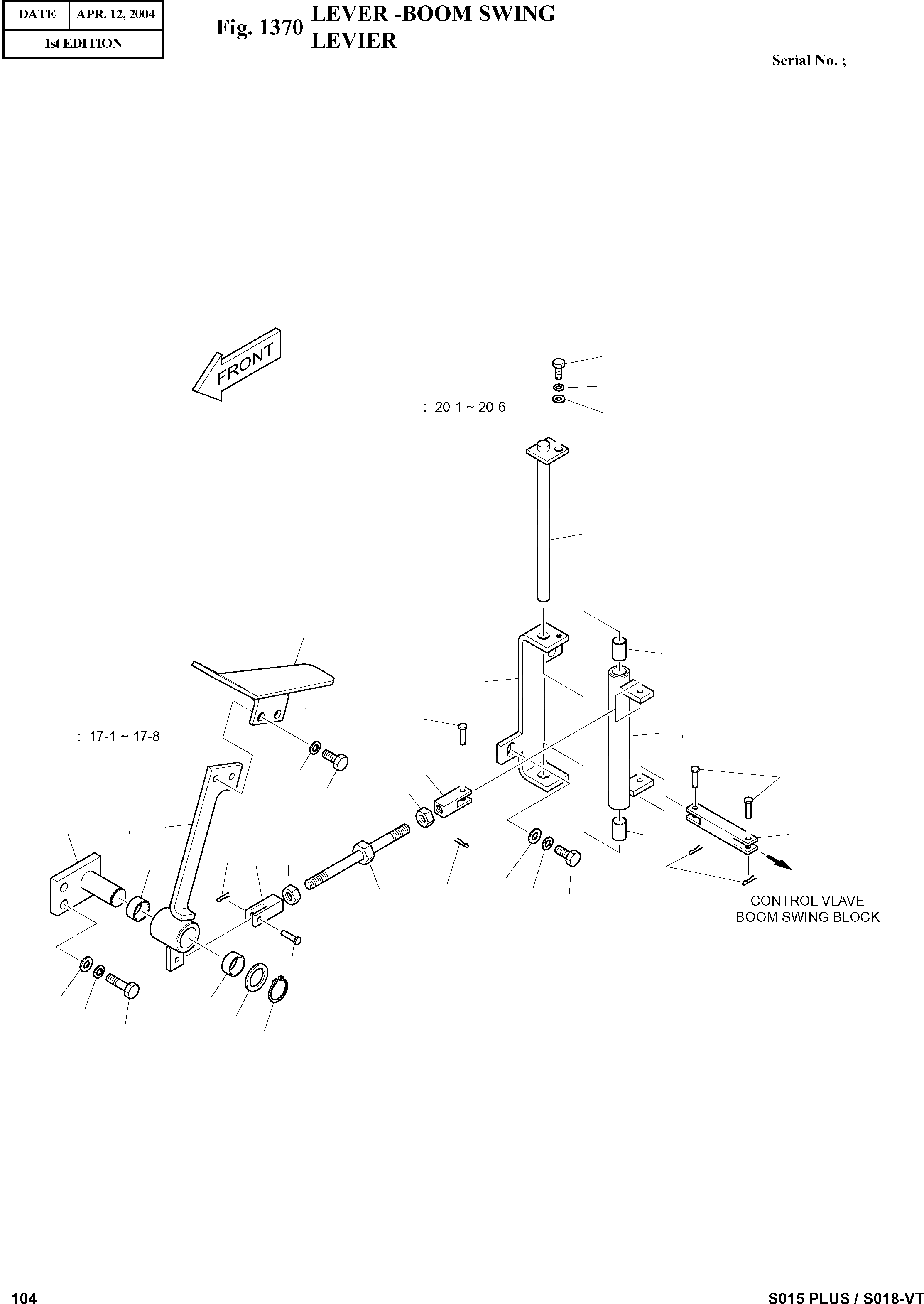
Запчасти Doosan Daewoo LEVER - BOOM SWING BODY PARTS

20
50
20-2
3
6
7
4
34
22
53
54
17
17-3
17
17-1
17-1A
4
2
5
3
17-8
17-7
17-1A
35
33
34
33
32
4
19
3
20
20-1
20-1A
20-1A
20-3
20-6
20-5
20-4
FIT
1:1
100%

Артикул

Название

Примечание

Количество

-

133-00204A

LEVER ASS'Y

SC: D

-2шт.

2

2138-1033

ROD;END

desc: TIGE

1шт.

3

2123-2093

PIN

desc: GOUPILLE

4шт.

4

S5735051

PIN;SPLIT

desc: GOUPILLE

4шт.

5

S4012633

NUT M10X1.5

desc: ECROU

1шт.

6

2138-1032

ROD;END

desc: TIGE

1шт.

7

2121-1298

NUT M10X1.5

desc: ECROU

1шт.

17

137-00091A

LINK;LEVER

desc: MAILLON

1шт.

17-1

137-00089A

LINK;PEDAL

desc: MAILLON

1шт.

17-1A

2110-1184D35

BUSH

desc: BUSH

2шт.

17-3

195-00980A

BRACKET

desc: SUPPORT

1шт.

17-7

2114-1059D195

WASHER

desc: RONDELLE

1шт.

17-8

S6500200

RING;SNAP

desc: CIRCLIP

1шт.

19

136-00023A

ROD

desc: TIGE

1шт.

20

137-00039B

LINK;LEVER

desc: MAILLON

1шт.

20-1

137-00050

LINK

desc: MAILLON

1шт.

20-1A

2110-1184D15

BUSH

desc: BUSH

2шт.

20-2

195-00982B

BRACKET

desc: SUPPORT

1шт.

20-3

123-00268A

SHAFT

desc: ARBRE

1шт.

20-4

S0504653

BOLT M6X1.0X16

desc: BOULON

1шт.

20-5

S5102303

WASHER;SPRING

desc: RONDELLE ELASTIQUE

1шт.

20-6

S5010313

WASHER;PLAIN

desc: RONDELLE PLATE

1шт.

22

136-00022B

ROD

desc: TIGE

1шт.

32

S0508853

BOLT M8X1.25X20

desc: BOULON

2шт.

33

S5102503

WASHER;SPRING M8

desc: RONDELLE ELASTIQUE

2шт.

34

S5010513

WASHER;PLAIN M8

desc: RONDELLE PLATE

4шт.

35

S0508953

BOLT M8X1.25X22

desc: BOULON

2шт.

50

134-00036

PEDAL

desc: PEDALE

1шт.

53

2120-2166D5

BOLT M8X1.25X20

desc: BOULON

2шт.

54

2114-2031D4

WASHER;SPRING

desc: RONDELLE ELASTIQUE

2шт.

Выбрано товаров: 30