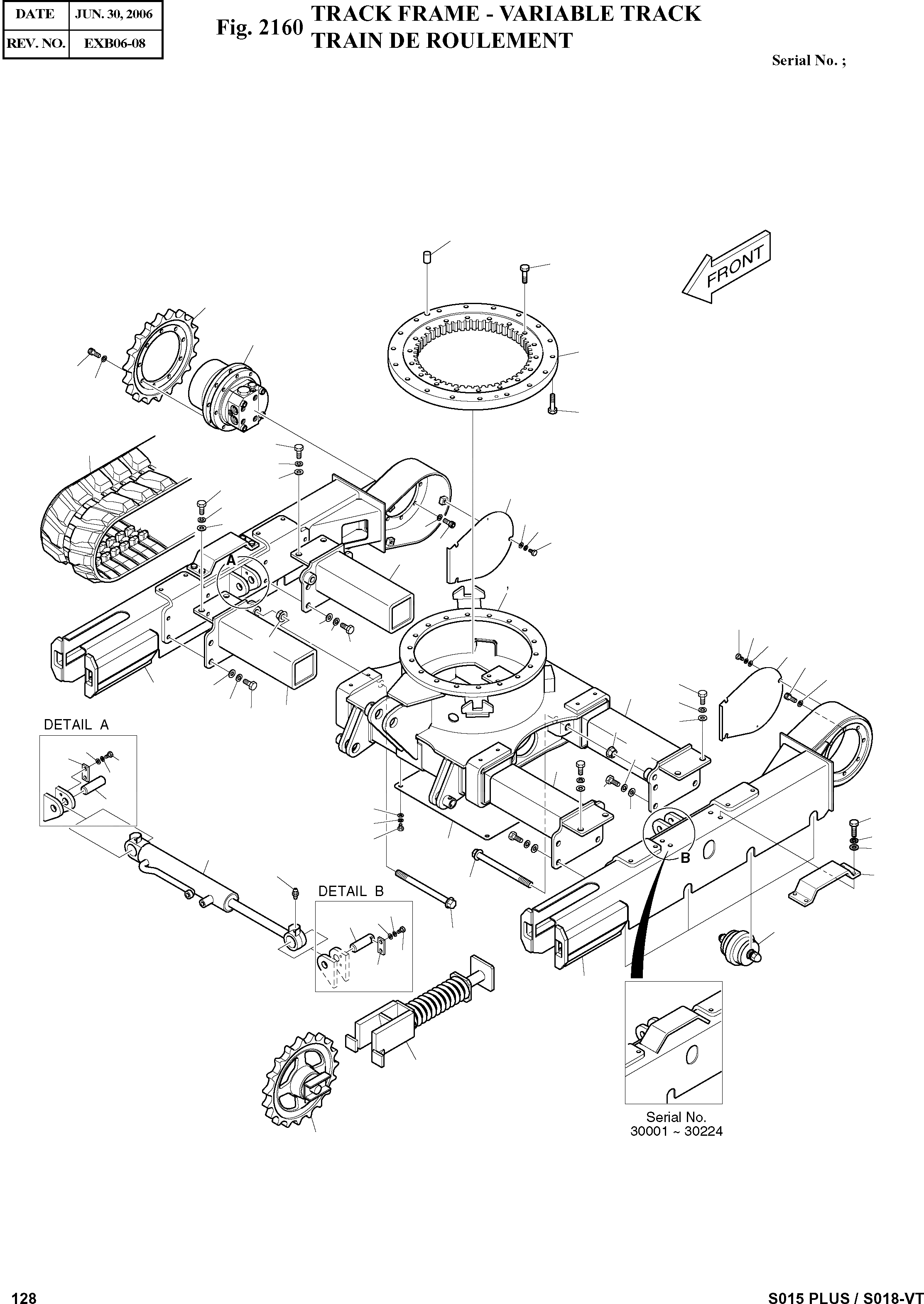
Запчасти Doosan Daewoo TRACK FRAME - VARIABLE TRACK TRACK PARTS

1-9
1-9
1-10
1-11
1-11
1-10
1-9
1-10
1-11
1-8
1-6
1-9
1-10
1-11
1-3
1-1
1-7
1-7
1-5
1-9
1-6
1-8
1-10
1-11
1-10
1-9
1-11
1-2
35
28
11
10
12
25
26
29
13
19
24
23
26
22
25
1-5
1
22
23
24
19
25
26
24
16
22
23
15
24
34
23
23
21
24
20
14
32
33
23
24
15
7
22
16
8
9
FIT
1:1
100%

Артикул

Название

Примечание

Количество

-

604-00234B

TRACK FRAME ASS'Y

SC: D

-2шт.

1

603-00402G

CARRIER FRAME ASS'Y

SERIAL: 30001-30111

1шт.

1

603-00402H

CARRIER FRAME ASS'Y

SERIAL: 30112-30224

1шт.

1

603-00402J

CARRIER FRAME ASS'Y

SERIAL: 30225

1шт.

1-1

604-00220J

FRAME;TRACK(CRAWLER)

desc: TRAIN DE ROULEMENT

1шт.

1-2

604-00221C

FRAME;TRACK(L.H)

desc: TRAIN DE ROULEMENT

1шт.

1-3

604-00222C

FRAME;TRACK(R.H)

desc: TRAIN DE ROULEMENT

1шт.

1-5

195-02544C

BRACKET;SLIDING

SERIAL: 30001-30111

2шт.

1-5

195-02544E

BRACKET;SLIDING

SERIAL: 30112

2шт.

1-6

195-02545C

BRACKET;SLIDING

SERIAL: 30001-30111

2шт.

1-6

195-02545E

BRACKET;SLIDING

SERIAL: 30112

2шт.

1-7

120-00327

BOLT;STOP

SERIAL: 30001-30111

4шт.

1-7

120-00313

BOLT;STOP

SERIAL: 30112

4шт.

1-8

121-00082

NUT;FLANGE

desc: ECROU

4шт.

1-9

S0515266

BOLT M12X1.75X30

desc: BOULON

24шт.

1-10

S5102703

WASHER;SPRING M12

desc: RONDELLE ELASTIQUE

24шт.

1-11

2114-1058D46

WASHER

desc: RONDELLE

24шт.

7

270-00008A

ROLLER;TRACK

desc: ROULEAU

8шт.

8

2440-9266A

CYLINDER;GREASE

desc: VERIN DE DOZER

2шт.

9

270-00010A

IDLER

desc: BARBOTIN

2шт.

10

401-00422

MOTOR;TRAVEL

desc: MOTEUR

2шт.

11

2108-1044A

SPROCKET

desc: COURONNE DENTEE

2шт.

12

109-00130

BEARING;SWING

SERIAL: 30001-30560

1шт.

12

109-00130A

BEARING;SWING

SERIAL: 30561

1шт.

13

273-00038

RUBBER;TRACK

desc: CAOUTCHOUC

2шт.

14

440-00506A

CYLINDER;EXTENTION

SERIAL: 30001-30047

1шт.

14

440-00402A

CYLINDER;EXTENTION

SERIAL: 30048

1шт.

15

123-00502

PIN;EXTENTION

desc: GOUPILLE

2шт.

16

621-02633

PLATE;LOCK

desc: PLAQUE

2шт.

19

2621-3902B

COVER;MOTOR

desc: COUVERCLE

2шт.

20

621-02632A

COVER;UNDER

desc: COUVERCLE

1шт.

21

S0508453

BOLT M8X1.25X12

desc: BOULON

4шт.

22

S0508753

BOLT M8X1.25X18

desc: BOULON

10шт.

23

S5102503

WASHER;SPRING M8

SERIAL: 30001-30224

14шт.

23

S5102503

WASHER;SPRING M8

SERIAL: 30225

22шт.

24

S5010513

WASHER;PLAIN M8

SERIAL: 30001-30224

14шт.

24

S5010513

WASHER;PLAIN M8

SERIAL: 30225

22шт.

25

S2212066

BOLT;SOCKET M10X1.5X25

desc: BOULON DE PLOT

34шт.

26

S5110603

WASHER M10

desc: RONDELLE

34шт.

28

S0515566

BOLT M12X1.75X45

desc: BOULON

18шт.

29

S0760766

BOLT

desc: BOULON

18шт.

32

S6710101

NIPPLE;GREASE

desc: GRAISSEUR

2шт.

33

K1002900

PLATE

SERIAL: 30225

2шт.

34

S0508953

BOLT

SERIAL: 30225

8шт.

35

K1014082

PIN;KNOCK

SERIAL: 30561

2шт.

Выбрано товаров: 45