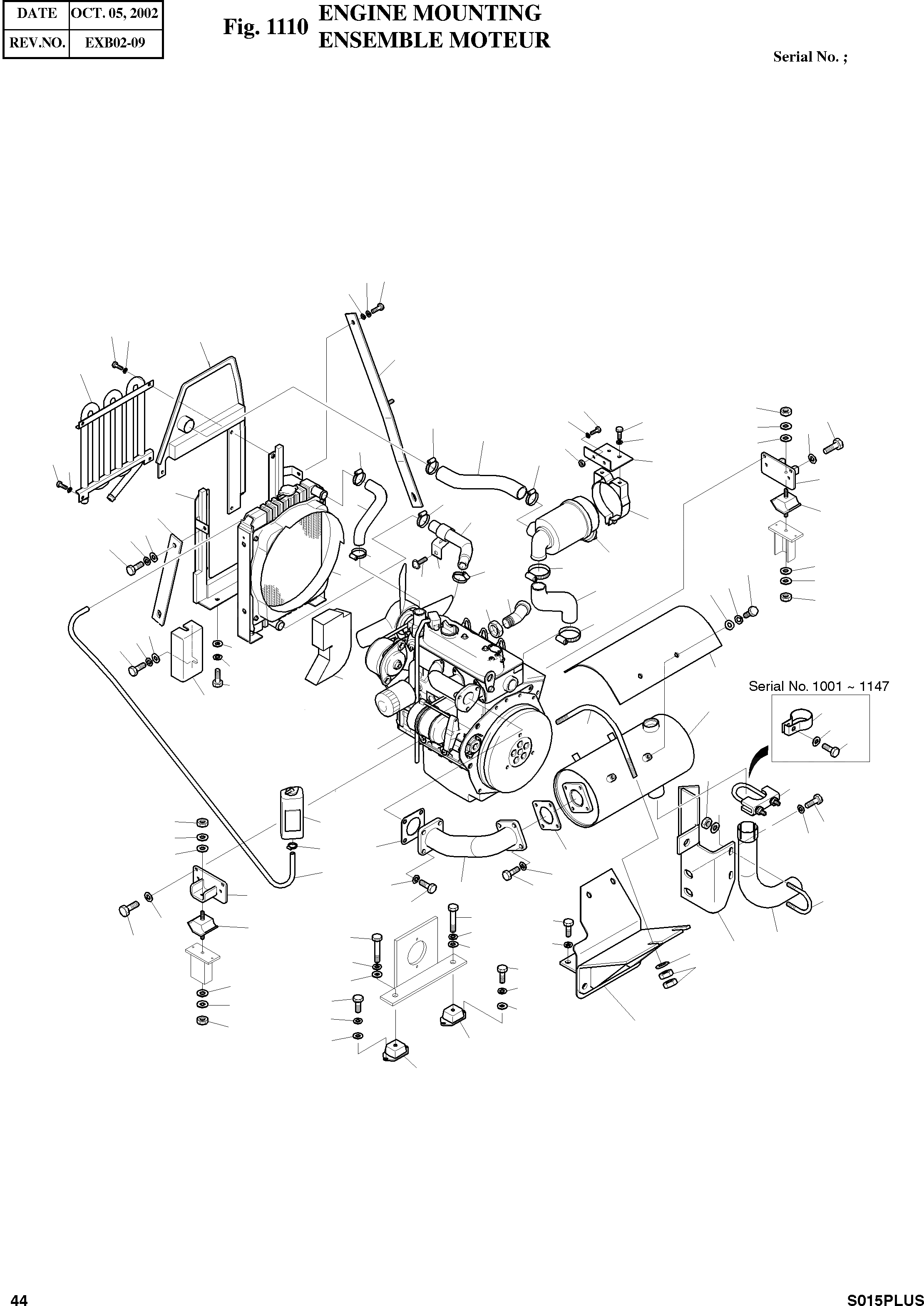
Запчасти Doosan Daewoo ENGINE MOUNTING BODY PARTS

30
29
30
53
29
24
30
23
21
29
5-1
5-2
28
30
29
37
26
5-2
5-1
11
30
35
40
34
37
29
48
30
6
22
19
34
47
5
20
17
53
30
29
3
34
29
40
37
34
2
32
30
33
31
69
70
71
37
29
54
26
8
58
28
46
39
4
31
10
56
1
36
39
57
5-2
5-1
43
41
5
5-2
42
45
16
16
40
44
30
30
56
12
6
14
56
25
55
26
5
65
25
9
26
28
66
54
13
65
27
62
66
40
64
62
5-1
63
64
7
63
52
52
31
FIT
1:1
100%

Артикул

Название

Примечание

Количество

-

201-00038

ENGINE ASS'Y

SC: D

-2шт.

1

201-00039

ENGINE

desc: MOTEUR

1шт.

2

30L47-00601

RADIATOR

desc: RADIATEUR

1шт.

3

204-00034

CLEANER;AIR

desc: FILTRE A AIR

1шт.

4

203-00030B

MUFFLER

desc: SILENCIEUX

1шт.

5

161-00387

RUBBER;MOUNTING

desc: CAOUTCHOUC

2шт.

5-1

NUT

SC: D

1шт.

5-2

WASHER

SC: D

1шт.

6

195-01739A

BRACKET;MOUNTING

desc: SUPPORT

2шт.

7

195-00529A

BRACKET;MUFFLER

desc: SUPPORT

1шт.

8

621-00723

COVER;MUFFLER

desc: COUVERCLE

1шт.

9

193-00192B

PIPE;EXHAUST

SERIAL: 1001-1147

1шт.

9

193-00192C

PIPE;EXHAUST

SERIAL: 1148

1шт.

10

120-00148

BOLT;U

desc: BOULON A 6 PANS

2шт.

11

185-00002A

HOSE;AIR CLEANER

desc: TUYAU FLEXIBLE

1шт.

12

193-00191

PIPE;EXHAUST

desc: CONDUITES

1шт.

13

195-00531

BRACKET

desc: SUPPORT

1шт.

14

2120-2161

BOLT;U

desc: BOULON A 6 PANS

1шт.

16

30A30-00100

GASKET

desc: JOINT

1шт.

17

124-00190

BAND;AIR CLEANER

desc: ATTACHE

1шт.

19

30L47-00800

HOSE;UPPER

desc: TUYAU FLEXIBLE

1шт.

20

30L47-00900

HOSE;LOWER

desc: TUYAU FLEXIBLE

1шт.

21

2920-9047

COOLER;OIL

desc: REFROIDSSMENT

1шт.

22

195-00571A

BRACKET

desc: SUPPORT

1шт.

23

191-00377B

STAY

desc: ENTRETOISE

1шт.

24

195-01370A

BAFFLE

desc: COUVERCLE

1шт.

25

S0515453

BOLT M10X1.75X40

desc: BOULON A 6 PANS

2шт.

26

S5102603

WASHER;SPRING M10

desc: RONDELLE ELASTIQUE

10шт.

27

S4012633

NUT M10

desc: ECROU

8шт.

28

S0712063

BOLT M10X1.25X25

desc: BOULON A 6 PANS

10шт.

29

S0508853

BOLT M8X1.25X20

desc: BOULON A 6 PANS

20шт.

30

S5102503

WASHER;SPRING M8

desc: RONDELLE ELASTIQUE

30шт.

31

S5010513

WASHER;PLAIN M8

SERIAL: 1001-1147

7шт.

31

S5010513

WASHER;PLAIN M8

SERIAL: 1148

6шт.

32

MM434-427

SUPPORT;HOSE

desc: SUPPORT

1шт.

33

MS350-029

SCREW

desc: VIS

1шт.

34

MF661019

CLAMP;HOSE

desc: COLLIER

4шт.

35

S4012533

NUT M8X1.25

desc: ECROU

6шт.

36

S4012333

NUT M10X1.0

desc: ECROU

4шт.

37

S8450053

CLAMP;HOSE

desc: COLLIER

4шт.

39

124-00050A

CLAMP

SERIAL: 1001-1147

1шт.

39

124-00264

CLAMP

SERIAL: 1148

1шт.

40

S5010613

WASHER;PLAIN

desc: RONDELLE PLATE

6шт.

41

S0504353

BOLT M6X1.0X10

desc: BOULON A 6 PANS

2шт.

42

S5102303

WASHER;SPRING M6

desc: RONDELLE ELASTIQUE

2шт.

43

MM301-607

TANK;RESERVIER

desc: RESERVOIR

1шт.

44

2185-1247D4

HOSE

desc: TUYAU FLEXIBLE

1шт.

45

S8450012

CLAMP;HOSE

desc: COLLIER

1шт.

46

195-00603

BRACKET

desc: SUPPORT

1шт.

47

191-00475A

STAY

desc: ENTRETOISE

1шт.

48

195-00697A

BRACKET

desc: SUPPORT

1шт.

52

161-00124

RUBBER;MOUNTING

desc: CAOUTCHOUC

2шт.

53

2114-1058D29

WASHER;PLAIN

desc: RONDELLE PLATE

4шт.

54

2114-1058D62

WASHER;PLAIN

desc: RONDELLE PLATE

6шт.

55

S0711853

BOLT M10X1.25X20

desc: BOULON A 6 PANS

2шт.

56

S0509053

BOLT M8X1.25X25

SERIAL: 1001-1147

5шт.

56

S0509053

BOLT M8X1.25X25

SERIAL: 1148

4шт.

57

S5010313

WASHER;PLAIN M6

desc: RONDELLE PLATE

2шт.

58

161-00303

SPONGE

desc: EPONGE

1шт.

62

S0508853

BOLT M8X1.25X20

desc: BOULON A 6 PANS

4шт.

63

S5010513

WASHER;PLAIN

desc: RONDELLE PLATE

4шт.

64

S5102503

WASHER;SPRING

desc: RONDELLE ELASTIQUE

4шт.

65

S5102703

WASHER;SPRING

desc: RONDELLE ELASTIQUE

2шт.

66

S5010713

WASHER;PLAIN

desc: RONDELLE PLATE

2шт.

69

185-00289

HOSE;AIR CLEANER

desc: TUYAU FLEXIBLE

1шт.

70

193-00679A

PIPE;OIL FILLER

desc: CONDUITES

1шт.

71

121-00070

NUT;OIL FILLER PIPE

desc: ECROU

1шт.

Выбрано товаров: 67