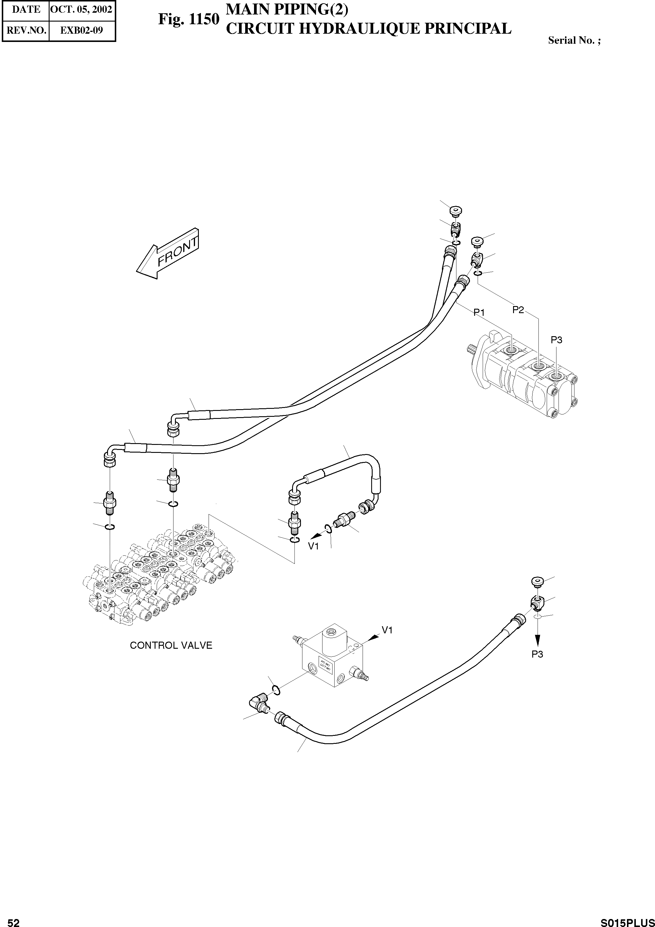
Запчасти Doosan Daewoo MAIN PIPING(2) BODY PARTS

3
2
3
1
2
1
6
4
10
5
1
5
5
1
1
11
7
3
2
1
7
8
9
FIT
1:1
100%

Артикул

Название

Примечание

Количество

-

400-00591

MAIN PIPING (2)

SC: D

-2шт.

1

S8000181

O-RING

desc: JOINT TORIQUE

6шт.

2

2181-2714

ELBOW PFO1/2-PF3/8

desc: COUDE

3шт.

3

2181-2047

PLUG

desc: BOUCHON

3шт.

4

2184-1036D446

HOSE PF3/8-1210L

desc: TUYAU FLEXIBLE

1шт.

5

2181-1126D73

ADAPTER PFO1/2-PF3/8

desc: RACCORD ADAPTATEUR

3шт.

6

2184-1036D447

HOSE PF3/8-960L

desc: TUYAU FLEXIBLE

1шт.

7

S8000141

O-RING

desc: JOINT TORIQUE

2шт.

8

2181-1702D5

ELBOW PFO3/8-PF3/8

desc: COUDE

1шт.

9

2184-1026D454

HOSE PF3/8-790L

SERIAL: 1001-1173

1шт.

9

2184-1026D192

HOSE PF3/8-820L

SERIAL: 1174

1шт.

10

2184-1061D360

HOSE PF3/8-340L

desc: TUYAU FLEXIBLE

1шт.

11

2181-1126D7

ADAPTER PFO3/8-PF3/8

desc: RACCORD ADAPTATEUR

1шт.

Выбрано товаров: 13