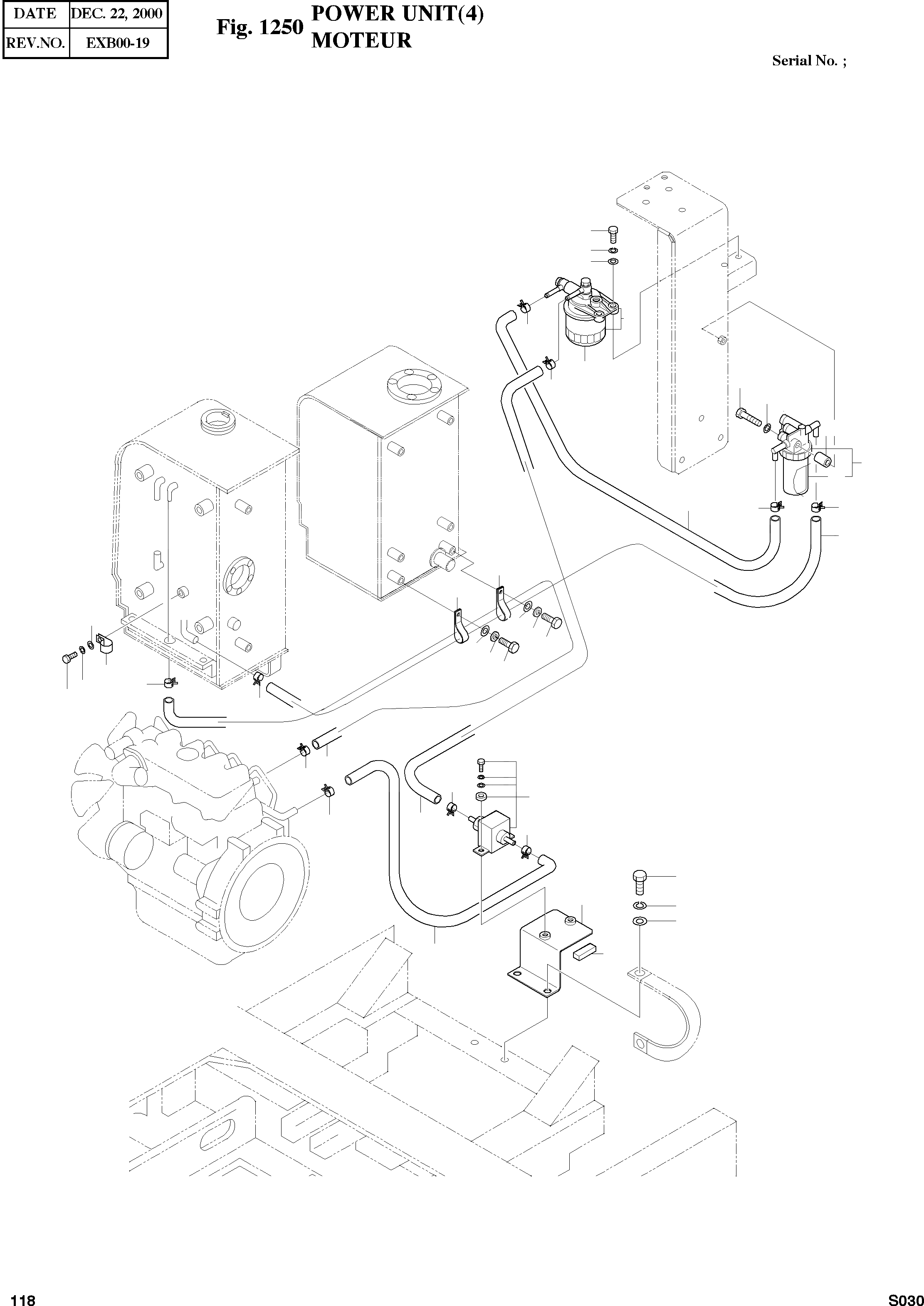
Запчасти Doosan Daewoo POWER UNIT(4) BODY PARTS

20
22
21
18
7
7
31
31
27
9
13
19
14
2
7
15
16
17
10
1
7
11
12
18-1
28
28
26
30
29
30
29
23
8
25
24
7
6
8
7
3
7
7
4
FIT
1:1
100%

Артикул

Название

Примечание

Количество

-

2201-7012

ENGINE MOUNT

desc: BATI MOTEUR

-2шт.

1

2185-1247D24

HOSE 9.53/15.88-2350

desc: TUYAU FLEXIBLE

1шт.

2

2185-1247D107

HOSE D9.53-320L

desc: TUYAU FLEXIBLE

1шт.

3

2185-1247D69

HOSE D9.53-1600L

desc: TUYAU FLEXIBLE

1шт.

4

2185-1247D4

HOSE D8.73-580L

desc: TUYAU FLEXIBLE

1шт.

6

2185-1247D108

HOSE D6.35-2600L

desc: TUYAU FLEXIBLE

1шт.

7

S8450012

CLIP;HOSE

desc: ATTACHE

8шт.

8

S8450006

CLIP;HOSE

desc: ATTACHE

2шт.

9

897086-2450

SEDIMENTER ASS'Y

desc: SEDIMENTEUR

1шт.

10

894360-2540

ELEMENT

desc: ELEMENT FILTRANT

1шт.

11

S0556853

BOLT M8X1.25X65

desc: BOULON A 6 PANS

1шт.

12

S5102503

WASHER;SPRING M8

desc: RONDELLE ELASTIQUE

1шт.

13

2197-1241A

BRACKET;FUEL PUMP

desc: SUPPORT

1шт.

14

S0508853

BOLT M8X1.25X20

desc: BOULON A 6 PANS

2шт.

15

S5102503

WASHER;SPRING M8

desc: RONDELLE ELASTIQUE

2шт.

16

S5010513

WASHER;PLAIN M8

desc: RONDELLE PLATE

2шт.

17

894241-1792

PUMP FUEL

desc: POMPE

1шт.

18

897014-2040

FILTER;FUEL ASS'Y

desc: FILTRE

1шт.

18-1

894132-9471

FILTER;FUEL

SERIAL: 1-705

1шт.

18-1

471-00036

FILTER;FUEL

SERIAL: 706

1шт.

19

30869-02007

RUBBER;TRIM

SERIAL: 1-413

1шт.

19

2161-1744

RUBBER;TRIM

SERIAL: 414

1шт.

20

S0512053

BOLT M10X1.5X25

desc: BOULON A 6 PANS

2шт.

21

S5102603

WASHER;SPRING M10

desc: RONDELLE ELASTIQUE

2шт.

22

S5010613

WASHER;PLAIN M10

desc: RONDELLE PLATE

2шт.

23

2124-1027D5

CLAMP

desc: ATTACHE DE TUYAU

1шт.

24

S0508653

BOLT M8X1.25X16

desc: BOULON A 6 PANS

1шт.

25

S5102503

WASHER;SPRING M8

desc: RONDELLE ELASTIQUE

1шт.

26

S5010513

WASHER;PLAIN M8

desc: RONDELLE PLATE

1шт.

27

2114-1756

COLLAR

desc: COLLIER

1шт.

28

2124-1509D5

CLAMP

desc: ATTACHE DE TUYAU

2шт.

29

S0508653

BOLT M8X1.25X16

desc: BOULON A 6 PANS

2шт.

30

S5102503

WASHER;SPRING M8

desc: RONDELLE ELASTIQUE

2шт.

31

S5010513

WASHER;PLAIN M8

desc: RONDELLE PLATE

2шт.

Выбрано товаров: 34