Запчасти Doosan Daewoo TRACK(1) BODY PARTS

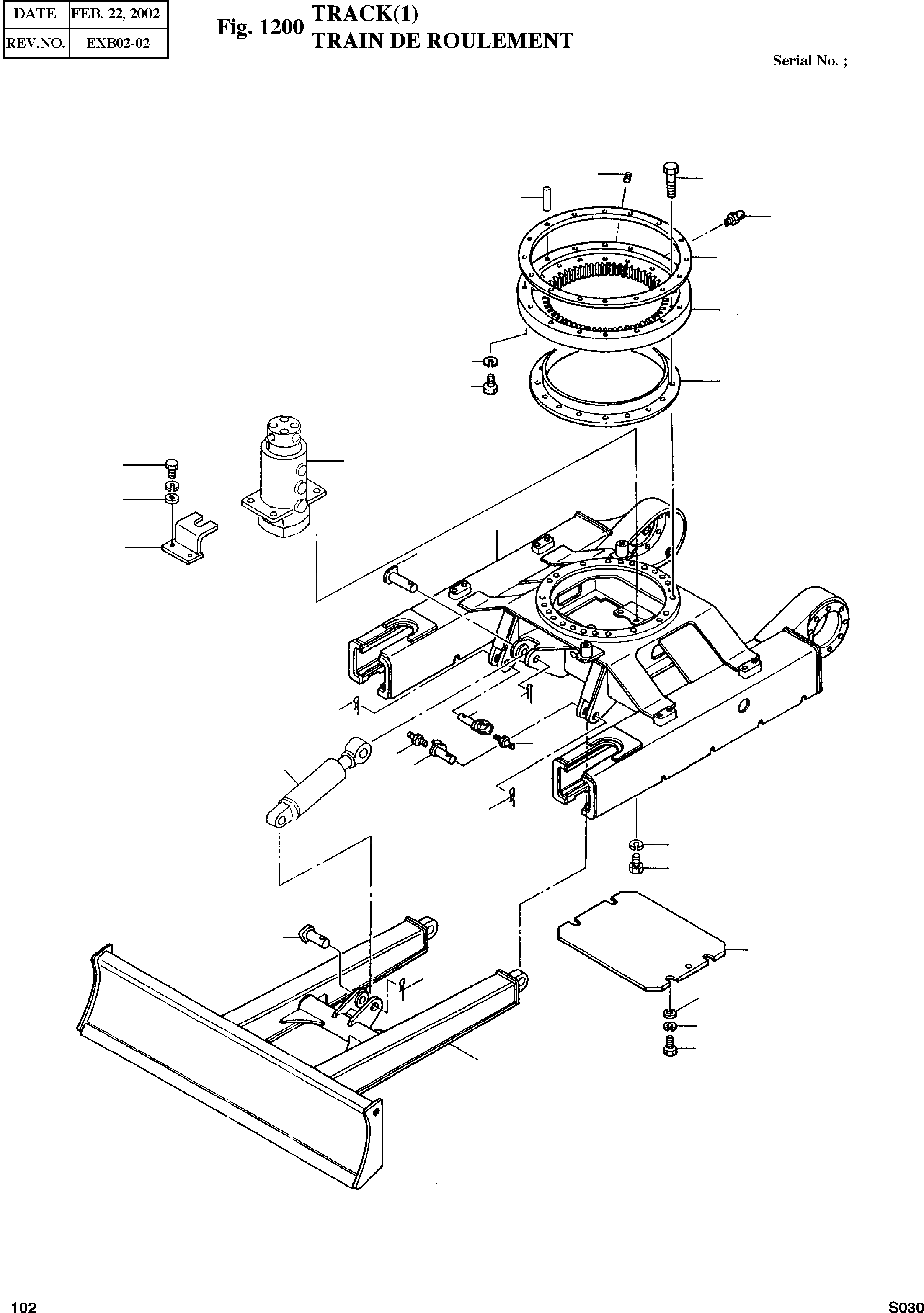
11
14
13
10
12
9
16
8
15
27
24
25
26
1
23
6
7
4
7
5
5
28
3
7
22
21
6
17
7
20
19
18
2
9A
FIT
1:1
100%

Артикул

Название

Примечание

Количество

1

2604-1280A

TRACK FRAME ASS'Y

SERIAL: 1-48

1шт.

1

2604-1280B

TRACK FRAME ASS'Y

SERIAL: 49-393

1шт.

1

2604-1280C

TRACK FRAME ASS'Y

SERIAL: 394-448

1шт.

1

2604-1280E

TRACK FRAME ASS'Y

SERIAL: 449

1шт.

2

2608-1046A

DOZER

SERIAL: 1-393

1шт.

2

2608-1046B

DOZER

SERIAL: 394

1шт.

3

2123-2168

PIN(L.H)

SERIAL: 1-715

1шт.

3

2123-2168A

PIN(L.H)

SERIAL: 716

1шт.

4

2123-2169

PIN(R.H)

SERIAL: 1-715

1шт.

4

2123-2169A

PIN(R.H)

SERIAL: 716

1шт.

5

S6710102

NIPPLE;GREASE 45'

desc: GRAISSEUR

2шт.

6

2123-2170

PIN

SERIAL: 1-715

2шт.

6

2123-2170A

PIN

SERIAL: 716

2шт.

7

S5736071

PIN;SPLIT

SERIAL: 1-230

4шт.

7

S5736051

PIN;SPLIT

SERIAL: 231

4шт.

8

2251-1002B

BATH;GREASE

desc: GRAISSEUR

1шт.

9

2109-9063

BEARING;SWING

ICA: Y

1шт.

9

ICA: Y

-1шт.

9

2109-9063A

BEARING;SWING

ICA: Y

1шт.

9

2109-9073

BEARING;SWING

SERIAL: 443-738

1шт.

9

2109-9073A

BEARING;SWING

SERIAL: 739

1шт.

9A

180-00297D2

SEAL

desc: . JOINT

1шт.

10

S6710013

NIPPLE;GREASE

desc: GRAISSEUR

2шт.

11

2181-1116D1

PLUG PT1/8

desc: BOUCHON

1шт.

12

2191-3919B

RING;TURNING

desc: BAGUE

1шт.

13

2123-2132

PIN

desc: BROCHE

2шт.

14

S0560961

BOLT M12X1.75X60

desc: BOULON A 6 PANS

16шт.

15

S0561161

BOLT M12X1.75X70

desc: BOULON A 6 PANS

16шт.

16

S5102703

WASHER;SPRING M12

desc: RONDELLE ELASTIQUE

16шт.

17

2621-3333A

COVER;SWIVEL

SERIAL: 1-393

1шт.

17

2621-3333B

COVER;SWIVEL

SERIAL: 394

1шт.

18

S0511853

BOLT M10X1.5X20

desc: BOULON A 6 PANS

4шт.

19

S5102603

WASHER;SPRING M10

desc: RONDELLE ELASTIQUE

4шт.

20

S5010613

WASHER;PLAIN M10

desc: RONDELLE PLATE

4шт.

21

S0515253

BOLT M12X1.75X30

desc: BOULON A 6 PANS

4шт.

22

S5102703

WASHER;SPRING M12

desc: RONDELLE ELASTIQUE

4шт.

23

2197-1413A

PLATE;STOPPER

SERIAL: 1-393

1шт.

23

2197-1413B

PLATE;STOPPER

SERIAL: 394

1шт.

24

S0515253

BOLT M12X1.75X30

desc: BOULON A 6 PANS

2шт.

25

S5102703

WASHER;SPRING M12

desc: RONDELLE ELASTIQUE

2шт.

26

S5010713

WASHER;PLAIN M12

desc: RONDELLE PLATE

2шт.

27

2480-1016

CENTER;JOINT

desc: TOURILLON PIVOTANT

1шт.

28

2440-9218

DOZER CYLINDER

SERIAL: 1-368

1шт.

28

2440-9301A

DOZER CYLINDER

SERIAL: 369-393

1шт.

28

2440-9301B

DOZER CYLINDER

SERIAL: 394-550

1шт.

28

2440-9301C

DOZER CYLINDER

SERIAL: 551

1шт.

Выбрано товаров: 46