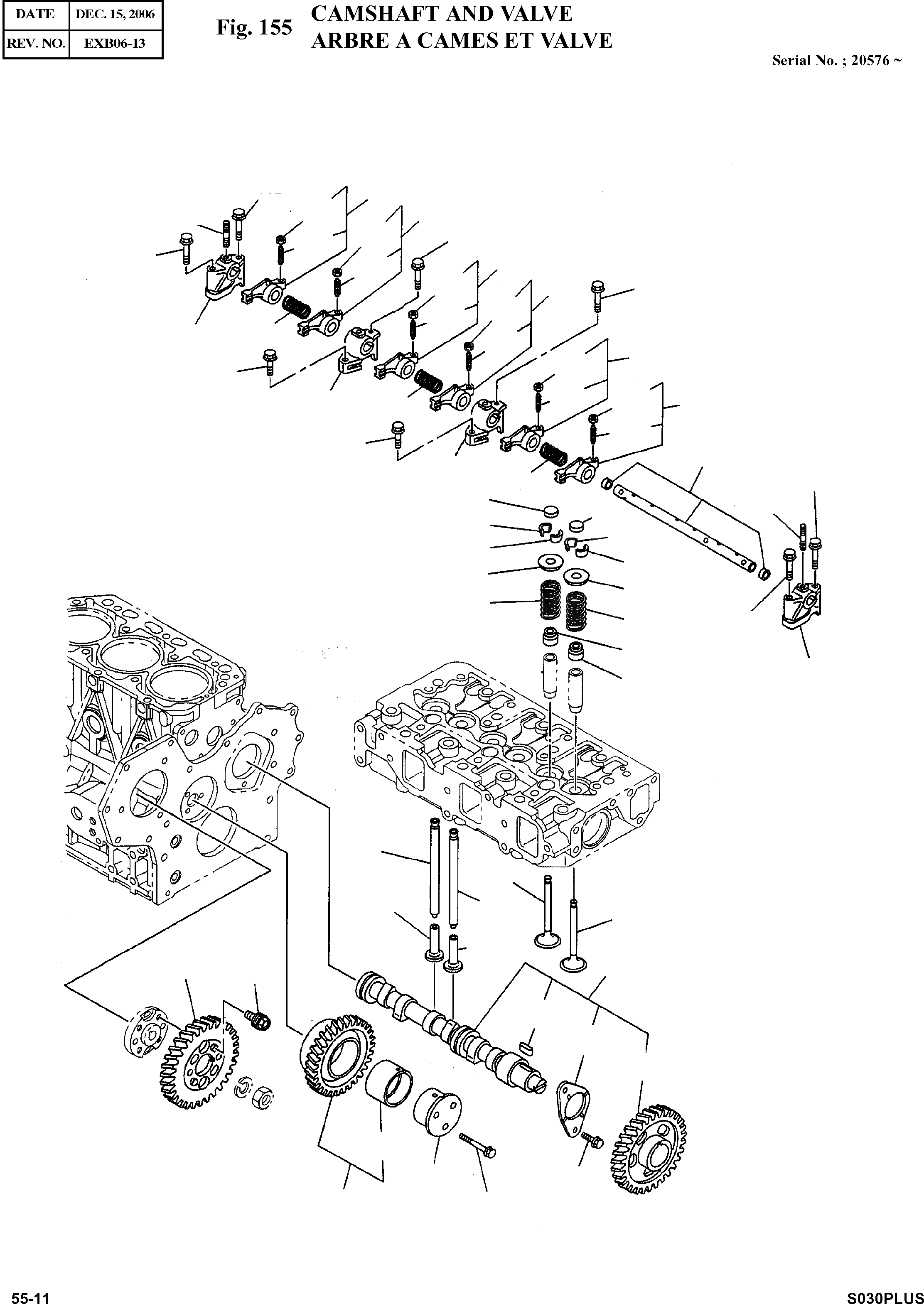
Запчасти Doosan Daewoo CAMSHAFT AND VALVE ENGINE PARTS

78
83
78
303
83
81
78
81
83
78
83
81
95
81
78
83
81
83
95
78
81
53
95
66
303
66
65
65
65
65
71
71
68
68
88
5
88
89
4
89
1
329
258
14
10
9
206
107
11
112
105
75B
75B
96B
96B
96C
75B
75C
75C
75B
72B
72A
75B
96C
75B
FIT
1:1
100%

Артикул

Название

Примечание

Количество

1

586400-1830

CAMSHAFT ASS'Y

desc: EQUIPAGE MOBILE

1шт.

4

586401-3980

VALVE;INLET

desc: VANNE

3шт.

5

586401-3990

VALVE;EXHAUST

desc: VANNE

3шт.

9

586400-1980

GEAR;CAM SHAFT

desc: PIGNON

1шт.

10

586400-1870

PLATE

desc: PLAQUE

1шт.

11

586400-3180

BOLT

desc: BOULON A 6 PANS

2шт.

14

586400-2950

KEY

desc: CLE

1шт.

53

586400-1350

SHAFT;ROCKET ARM

desc: AXE

1шт.

65

586400-3440

COLLAR;SPLIT

desc: COLLIER

12шт.

66

586400-1940

CAP

desc: BOUCHON

6шт.

68

586400-2760

SPRING;VALVE

desc: JOINT TORIQUE

6шт.

71

586400-2770

SEAT;SPRING

desc: RESSORT

6шт.

72A

586400-1010

SEAL;VALVE GUIDE INLET

desc: ADMISSION DE GUIDE DE VALVE

3шт.

72B

586400-1200

SEAL;VALVE GUIDE EXHAUST

desc: ECHAPPEMENT DE GUIDE DE VALVE

3шт.

75B

586400-3270

BOLT M8X50

desc: BOULON A 6 PANS

6шт.

75C

586400-3220

BOLT M8X25

desc: BOULON A 6PANS

2шт.

78

586400-1380

ARM;ROCKER

desc: BRAS DE CULBUTEUR

6шт.

81

586400-1920

SCREW

desc: VIS

6шт.

83

586400-1950

NUT

desc: ECROU

6шт.

88

586400-2000

ROD;PUSH

desc: POUSSOIR

6шт.

89

586400-1990

TAPPET;VALVE

desc: TRINGLERIE

6шт.

95

586400-1930

SPRING

desc: RESSORT

3шт.

96B

586400-0640

BRACKET;ROCKER ARM SHAFT

desc: SUPPORT

2шт.

96C

586400-0630

BRACKET;ROCKER ARM SHAFT

desc: SUPPORT

2шт.

105

586400-3250

BOLT

desc: BOULON A 6 PANS

3шт.

107

586400-0680

SHAFT

desc: ARBRE

1шт.

112

586400-0700

GEAR;IDLE

desc: PIGNON

1шт.

206

586400-0690

BUSHING

desc: DOUILLE

1шт.

258

586400-2030

BOLT

desc: BOULON A 6 PANS

4шт.

303

586400-0650

BOLT;STUD

desc: GOUJON

3шт.

329

586400-0710

GEAR;INJECTION PUMP

desc: PIGNON

1шт.

Выбрано товаров: 31