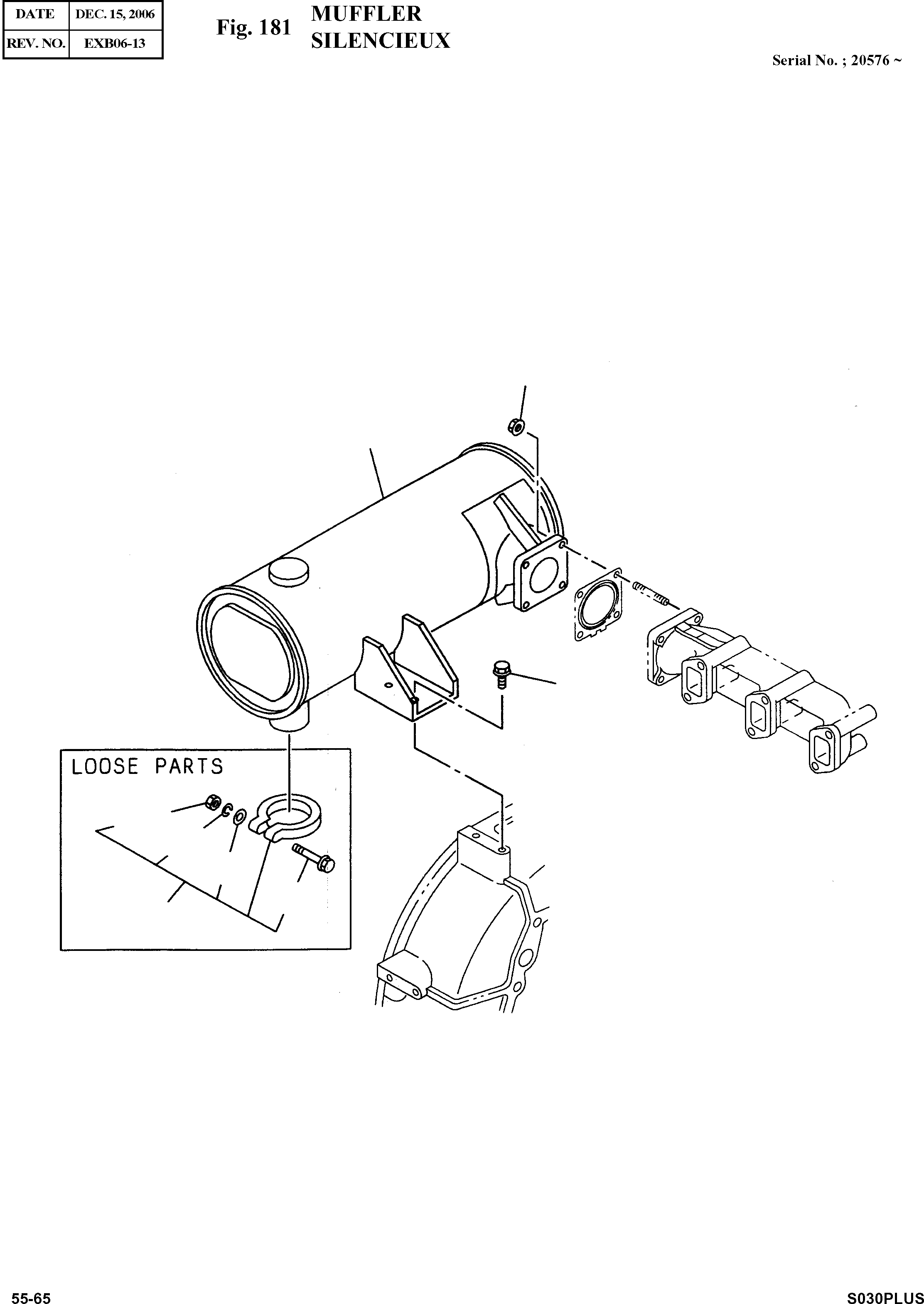
Запчасти Doosan Daewoo MUFFLER ENGINE PARTS

118
12
103
330
148
295
231
221
FIT
1:1
100%

Артикул

Название

Примечание

Количество

12

586401-3270

MUFFLER

desc: SILENCIEUX

1шт.

103

586400-8630

BOLT

desc: BOULON A 6 PANS

2шт.

118

586400-3360

NUT

desc: ECROU

4шт.

148

586400-3680

WASHER

desc: CALE

1шт.

221

586401-0820

CLAMP;EXHAUST

desc: COLLIER

1шт.

231

586400-3310

BOLT

desc: BOULON A 6 PANS

1шт.

295

586401-4370

WASHER

desc: CALE

1шт.

330

586401-0910

NUT

desc: ECROU

1шт.

Выбрано товаров: 8