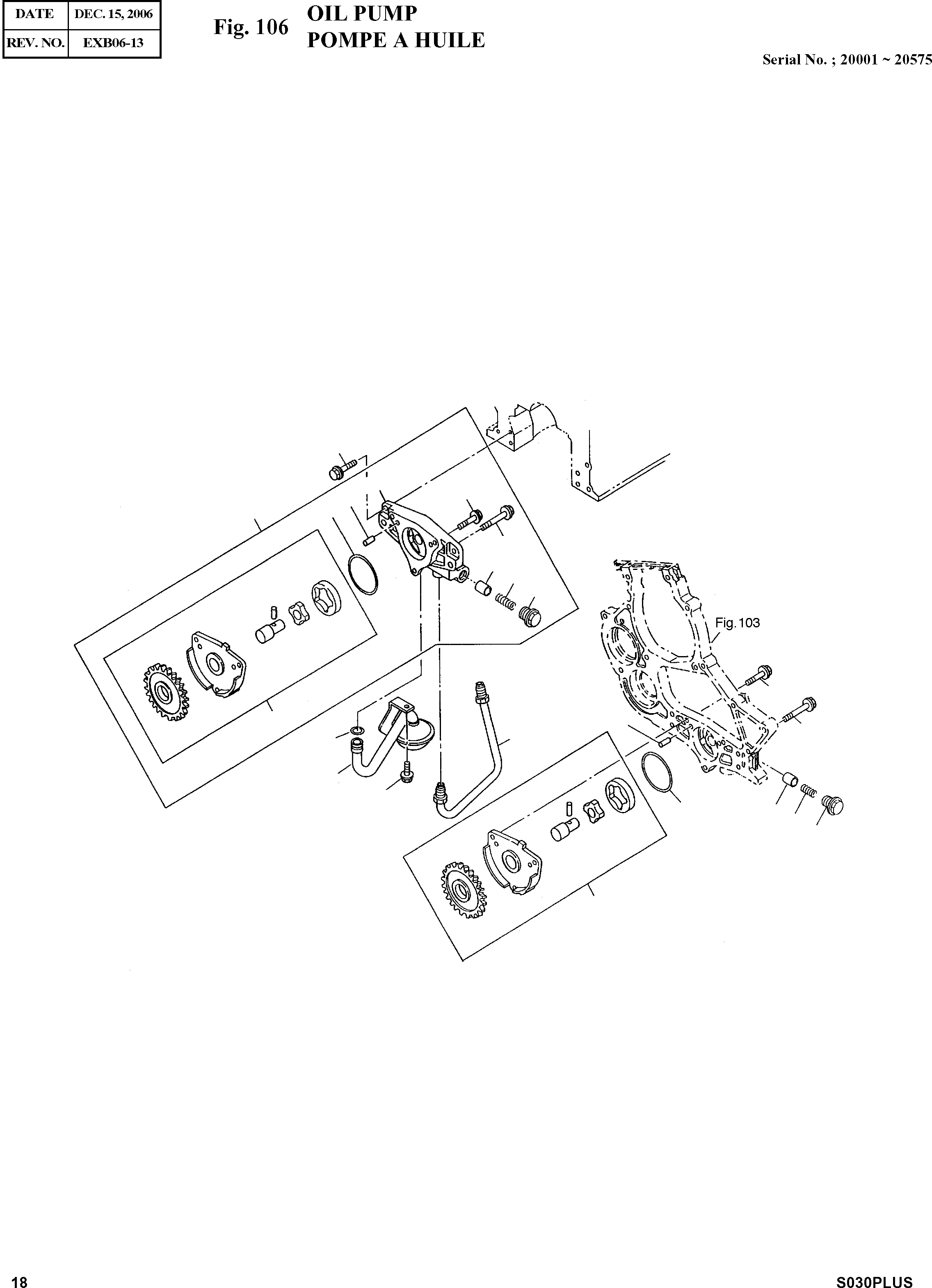
Запчасти Doosan Daewoo OIL PUMP ENGINE PARTS

17
5
14
12
1
13
15
8
10
9
12
18
21
20
22
6
6
13
8
10
9
15
14
FIT
1:1
100%

Артикул

Название

Примечание

Количество

1

897048-8094

PUMP ASS'Y;OIL

desc: ENSEMBLE DE POMPE

1шт.

5

-

BODY;OIL PUMP

SC: D

1шт.

6

897044-8133

PUMP SUB ASS'Y;OIL

desc: POMPE

1шт.

8

894235-5671

VALVE;RELIEF

desc: CLAPET DE DECHARGE

1шт.

9

894104-6150

PLUG;VALVE

desc: BOUCHON

1шт.

10

897113-3320

SPRING;VALVE

desc: RESSORT DE INTERIEUR SOUPAPE

1шт.

12

908160-6160

PIN;OIL PUMP

desc: BROCHE

2шт.

13

897109-6790

O-RING;OIL PUMP

desc: JONT TORIQUE

1шт.

14

028080-6300

BOLT;OIL PUMP SUB FIX

desc: BOULON A 6PANS

2шт.

15

028080-6500

BOLT;OIL PUMP SUB FIX

desc: BOULON A 6PANS

1шт.

17

028080-8300

BOLT;OIL PUMP-CYL BLOCK

desc: BOULON A 6PANS

4шт.

18

897045-4000

PIPE;OIL PUMP-CYL BLOCK

desc: CONDUITE

1шт.

20

897179-7330

STRAINER ASS'Y;OIL

desc: CREPINE

1шт.

21

028080-8160

BOLT;STRAINER FIX

desc: BOULON A 6PANS

1шт.

22

109623-4960

O-RING;STRAINER ID=13.8

desc: JONT TORIQUE

1шт.

Выбрано товаров: 15